Запчасти Case IH 512 (X-03[A]) - FRAME COUPLING BEAM

Схема запчастей Case IH 512 - (X-03[A]) - FRAME COUPLING BEAM
FIT
1:1
100%

Артикул

Название

Примечание

Количество

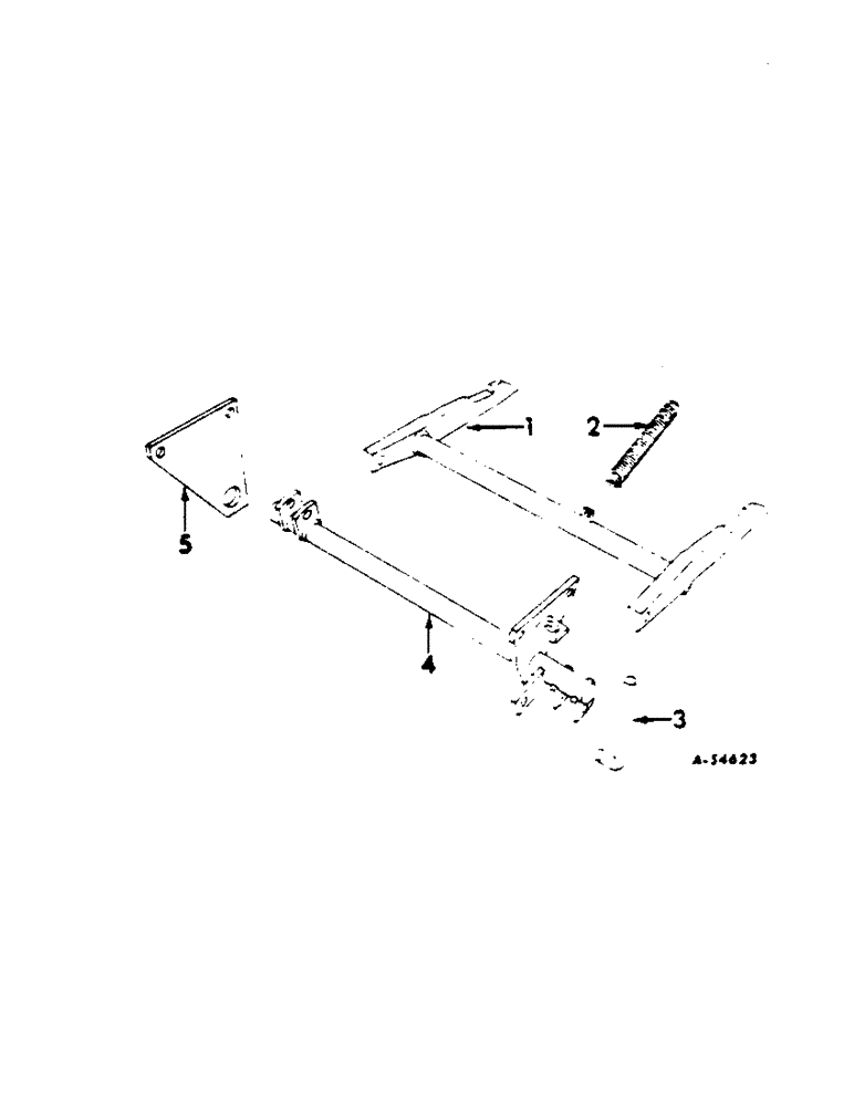
1

526389R91

BEAM, coupling

1шт.

520121R1

7/8 x 3-1/6 HEADED PIN

2шт.

13095R1

PIN,1/4" x 1 1/4"

Split (Cotter), 1/4" x 1 1/4"

2шт.

PO12898

WASHER

29/32 x 1-1/2 x 11 GA WASHER

2шт.

2

PO27

SPRING

hold-up

1шт.

3

526427R1

ROD, coupling beam adjusting

1шт.

425-1414

JAM NUT,Jam, 7/8"-9, G5

2шт.

4

526382R91

BAR, coupling beam pivot

1шт.

13170R1

Pin, Split (Cotter), 5/16" x 2 1/4", self-opening 5/16" x 2 1/4"

2шт.

3/4 NUT

2шт.

3/4 x 3 CAP SCREW

2шт.

3/4 LOCK WASHER

2шт.

Q3488

WASHER

1-25/32 x 2-1/2 x 11 GA WASHER

2шт.

5

526428R1

PLATE, coupling beam left support

1шт.

3/4 NUT

2шт.

3/4 x 3-1/2 CAP SCREW

2шт.

3/4 LOCK WASHER

2шт.

Выбрано товаров: 17