Запчасти Case IH 60 (D-15) - FURROW AXLE

Схема запчастей Case IH 60 - (D-15) - FURROW AXLE
FIT
1:1
100%

Артикул

Название

Примечание

Количество

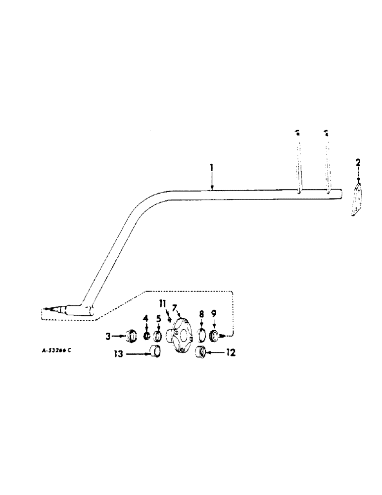
1

526921R91

AXLE ASSY, 14 in., 1958 to 1961, note

1шт.

1

526920R91

AXLE ASSY, 16 in., 1958 to 1961, note

1шт.

1

467487R92

AXLE ASSY, 14 in., 1961 & up, note

1шт.

1

467488R92

AXLE ASSY, 16 in., 1961 & up, note

1шт.

.

69442D

NUT

3/4 NUT, HEX, SLOTTED

1шт.

.

1/8 x 1-1/4 COT PIN

1шт.

.

472634R1

WASHER

25/32 x 1-3/4 x 11 GA WASHER

1шт.

2

525368R1

PLATE, furrow axle bearing

1шт.

.

5/8 x 2-1/4 MACH BOLT

2шт.

.

5/8 LOCK WASHER

2шт.

3

651194R1

CAP

furrow wheel hub

1шт.

4

651815R91

BEARING ASSY,7.508" ID x 17.82" OD x 6"

BEARING ASSY, furrow wheel hub outer cone

1шт.

4

651815R91GV

BEARING CONE

Value, Cone Bearing

1шт.

5

651814R1

BEARING CUP

BEARING, furrow wheel hub outer cup

1шт.

6

(Not used this application)

1шт.

7

461892R31

HUB w/bolts and cups, Serial Range: 1958-1962

1шт.

.

453469R1

1/2 UNF x 1-5/8, SPECIAL BOLT

4шт.

.

453770R1

WHEEL NUT

1/2 UNF CONICAL NUT

4шт.

7

472220R11

HUB

w/set screw, 1963 & up

1шт.

.

351079R1

BOLT,Hex Counter Shank, 1/2" - 20 x 23/32"

1/2 x 15/16 CONICAL-HD BOLT

4шт.

8

651817R1

BEARING CUP

BEARING, furrow wheel hub inner cup

1шт.

9

602957R91

BEARING ASSY,31.75mm ID x 59.13mm OD x 16mm W

w/seal, furrow wheel hub inner, 1958 to 1962

1шт.

9

651818R91

ROLLER BEARING,31.77 mm ID x 16.08 mm

BEARING ASSY, furrow wheel hub inner cone, 1963 & up

1шт.

10

(Not used this application)

1шт.

11

86636814

LUBE NIPPLE,1/4"-28 x .52" lg

FITTING, 1/4 str lub, 1963 & up

1шт.

12

472222R1

SLEEVE

oil seal wear, 1963 7 up

1шт.

13

472221R91

SEAL,39.57mm ID x 58.6mm OD x 7.37mm Thk

wheel hub oil, 1963 7 up

1шт.

Выбрано товаров: 27