Запчасти Case IH 600-SERIES (10) - SPRING TRIP BEAM

Схема запчастей Case IH 600-SERIES - (10) - SPRING TRIP BEAM
FIT
1:1
100%

Артикул

Название

Примечание

Количество

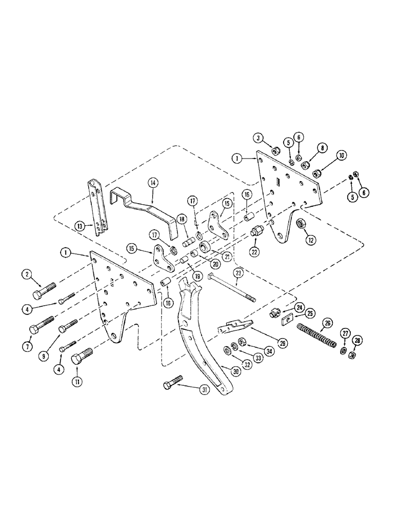
1

T54363

PLATE - gusset

2шт.

2

114-726

BOLT - 3/4 x 3-1/2" NF hex (Grade 8) Hex, 3/4-16 x 3 1/2", G8

4шт.

3

131-1251

LOCK NUT,3/4"-16, GC

NUT, LOCK, 3/4"-16, GC

4шт.

4

113-181

BOLT,Hex, 5/16" - 18 x 2-3/4", Gr 2

- 5/16 x 2-3/4" NC hex (Grade 2)

2шт.

5

192-20

LOCK WASHER,Helical Spring, 0.318" ID, CST, ZND

WASHER, LOCK, 5/16"

2шт.

6

9635082

NUT,5/16" - 18, Gr 5

2шт.

7

114-728

BOLT - 3/4 x 4" NF hex (Grade 8) Hex, 3/4-16 x 4", G8

1шт.

8

131-1251

LOCK NUT,3/4"-16, GC

NUT, LOCK, 3/4"-16, GC

1шт.

9

114-414

BOLT,Hex, 1/2" - 20 x 2-3/4", Gr 5

Hex, 1/2"-20 x 2 3/4", G5

3шт.

10

129-125

NUT,1/2"-20, G5

1шт.

11

T55050

BOLT

BOLT - pivot 1 x 3-1/2" NF hex

1шт.

12

131-1193

LOCK NUT,1"-14, GA

NUT - lock 1" NF

1шт.

13

T54364

FILLER - rear

1шт.

14

T54361

FILLER - beam

1шт.

15

T54310

LATCH

PLATE - latch

2шт.

16

T54324

SPACER

- gusset

2шт.

17

T25683

SNAP RING,#75, Ext

Ring, Snap, #75, Ext

2шт.

18

T54309

PIN

- pivot

1шт.

19

T54311

PIN

- roller pivot

1шт.

20

T54312

BUSHING

BEARING - trip roller

1шт.

21

T54313

ROLLER

- trip

1шт.

22

T54325

STUD

STOP - beam foot

1шт.

23

T54317

SQUARE BOLT

- 1/2 x 9-1/2" NF square head

1шт.

24

T54314

PIN

- spring guide

1шт.

25

T54315

STRAP - spring retainer

1шт.

26

T54316

SPRING

- trip beam

1шт.

27

195-533

WASHER,1/2", SAE

- 1-1/16 x 17/32" x 14 gauge

1шт.

28

131-28

LOCK NUT,1/2"-20, GB

NUT - lock 1/2" NF hex

1шт.

29

T54320

FILLER

- front

1шт.

30

T54318

SUPPORT ASSY.

BEAM - foot

1шт.

31

114-614

BOLT,Hex, 5/8" - 18 x 3", Gr 5

2шт.

32

195-108

WASHER,5/8"

- 1-3/4 x 11/16" x 10 gauge

2шт.

33

192-25

LOCK WASHER,5/8"

WASHER, LOCK, 5/8"

2шт.

34

129-127

NUT,5/8"-18, G5

2шт.

Выбрано товаров: 34