Запчасти Case IH 620 (AC-02) - MAIN FRAME

Схема запчастей Case IH 620 - (AC-02) - MAIN FRAME
FIT
1:1
100%

Артикул

Название

Примечание

Количество

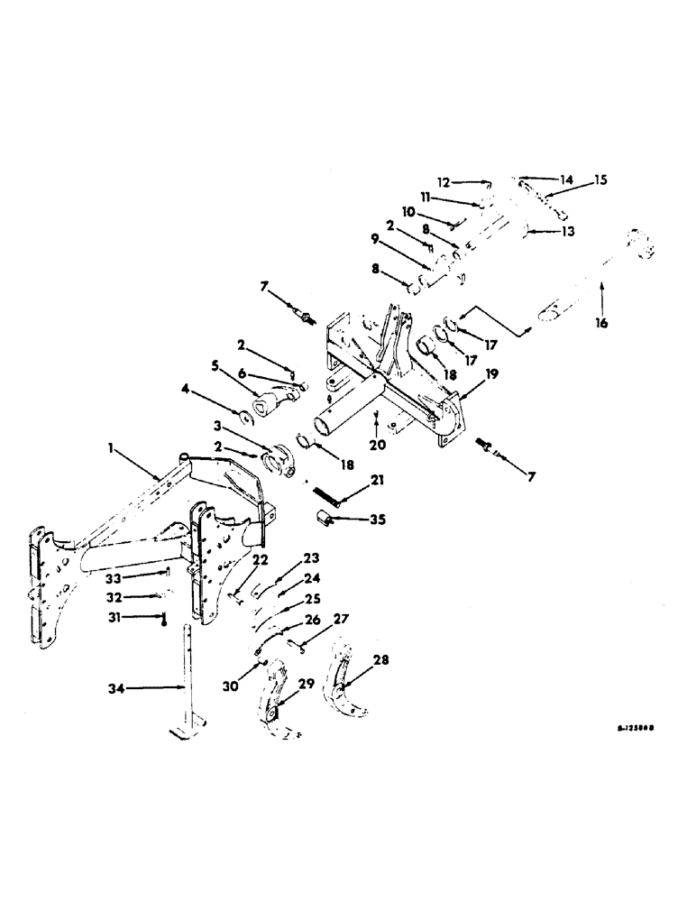
1

468849R91

FRAME, main, 14 in.

1шт.

1

468864R91

FRAME, main, 16 in.

1шт.

2

86636814

LUBE NIPPLE,1/4"-28 x .52" lg

FITTING, 1/4 str lub

1шт.

3

468844R1

BLOCK, landing adjusting

1шт.

576482R1

LOCK PIN,5/16" x 2", Slotted

ESNA 5/16" x 2", Slotted

1шт.

4

463075R1

WASHER

drive shaft

1шт.

5

462646R21

ARM, cyl pivot

1шт.

6

473608R1

BUSHING

ball indented brone

1шт.

7

468869R1

STUD

lower

1шт.

426767

NUT,7/8"-14, G5

7/8-14 unf C-Z hex

1шт.

131047

WASHER,7/8"

7/8"

1шт.

8

462643R1

BUSHING

chain drive shaft

2шт.

271550

SCREW, 5/8 x 3/4 hex-hd cap

1шт.

103325

LOCK WASHER,5/8"

WASHER, LOCK, 5/8"

1шт.

9

468839R91

BEARING, drive

1шт.

10

463604R1

KEY, cyl pivot to wheel shaft

1шт.

11

462868R1

WASHER, 1-1/4 x 5/8 x .062 ga

1шт.

12

462651R1

BOLT

EYEBOLT, chain tightener

1шт.

114507

JAM NUT,Jam, 5/8"-11, G5

2шт.

13

463606R91

WHEEL

chain drive

1шт.

179881

BOLT,1/2" - 13 x 1", Gr 5

1шт.

103323

LOCK WASHER,1/2"

WASHER, LOCK, 1/2"

1шт.

14

462650R2

LINK

W/PIN AND COT, offset

1шт.

14

462763R2

LINK

W/PIN AND COT, slip fit

1шт.

15

462649R92

CHAIN (AG)

CHAIN, drive, do not use stock chain

1шт.

16

468846R11

SHAFT, roll-over

1шт.

218200

NUT,7/8"-14, G5

7/8-14 unf hex

1шт.

17188R1

BOLT (SPREADER)

SCREW, 7/8-14 unf x 5-1/2 hex-hd

1шт.

103327

LOCK WASHER,7/8"

WASHER, LOCK, 7/8"

1шт.

17

468838R1

WASHER, roll-over frame wear

2шт.

18

468837R1

BUSHING, main frame shaft

1шт.

19

468826R92

FRAME, roll-over

1шт.

462645R1

BOLT,Hex, 3/4" - 10 x 3 1/2", Full Thd

3/4 x 3-1/2 MACH BOLT

2шт.

218443

NUT

3/4 JAM NUT

2шт.

20

219-37

LUBE NIPPLE,45 Degree Elbow, 1/4" - 28 NPTF

FITTING, 1/4 45 deg tapered elbow lub

1шт.

21

468845R1

ROD, landing

1шт.

425-1414

JAM NUT,Jam, 7/8"-9, G5

2шт.

22

468868R2

PIN,14.28mm OD x 83.31mm L

trip beam shear, for shear trip beam

1шт.

1/8 x 3/4 SELF-OPENING COT PIN

1шт.

23

524452R1

VALVE SPRING

SPRING, upper helper, for trip beam

1шт.

24

524453R1

VALVE SPRING

SPRING, middle helper, for trip beam

1шт.

25

5244554R1

SPRING, lower helper, for trip beam

1шт.

26

465868R1

SPRING

trip, for trip beam, will work for 524356R1

1шт.

13121R1

Pin, Split (Cotter), 1/4" x 1 1/2" 1/4" x 1 1/2"

1шт.

11133R1

3/4 x 2-13/16 DLD-STD-HD PIN

1шт.

27

465801R1

ROLLER

trip spring, for trip beam, will work for 522967R1

1шт.

576517R1

LOCK PIN,1/4" x 1 1/2", Slotted

Pin, , ESNA 1/4" x 1 1/2", Slotted

2шт.

522473R1

WASHER

49/64 x 1-3/4 x 11 GA WASHER

2шт.

28

468842R1

BEAM, shear trip LH, for shear trip beam

1шт.

28

468843R1

BEAM, shear trip RH, for shear trip beam

1шт.

522680R2

BOLT

1 x 3-3/8 DLD-HEX-HD MACH BOLT

2шт.

427651

SLOTTED NUT,1"-14, G5

1 SLT NUT

2шт.

432-1232

COTTER PIN,3/16" OD x 2" L

Pin, Split (Cotter), 3/16" x 1 3/4"

2шт.

29

524368R1

BEAM

trip RH, for trip beam

1шт.

29

524367R1

BEAM

trip LH, for trip beam

1шт.

30

522432R2

SPACER

beam

1шт.

17651R1

BOLT,Hex, 5/8" - 11 x 3 1/4"

5/8 x 3-1/4 hex-hd mach

2шт.

103325

LOCK WASHER,5/8"

WASHER, LOCK, 5/8"

2шт.

102639

NUT,5/8"-11, G5

2шт.

31

468848R1

BOLT, trip adjusting, for trip beam

1шт.

114505

JAM NUT,Jam, 1/2"-13, G5

1шт.

32

468847R1

CLIP,ELECTRICAL

CLIP, helper spring adjusting, for trip beam

1шт.

33

18590R1

AXLE PIN,1/2" x 2", Slotted

Pin, , helper spring locator, for trip beam 1/2" x 2", Slotted

1шт.

34

468841R21

STAND, support

1шт.

517843R1

COTTER PIN

QUICK-ATTACHABLE COT

1шт.

Q3548

PIN,1/2" x 2 1/16"

1/2 x 2-1/16 DLD-STD-HD PIN

1шт.

35

470257R1

CLIP, landing screw

1шт.

472900R1

LINK

roller chain, for driven chain, 462649R92

8шт.

Выбрано товаров: 68