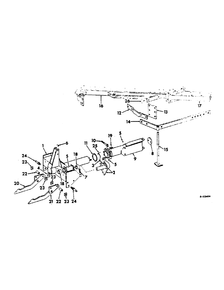
Запчасти Case IH 642 (AE-02) - CARRIER, DRIVE AND FRAME

Схема запчастей Case IH 642 - (AE-02) - CARRIER, DRIVE AND FRAME
FIT
1:1
100%

Артикул

Название

Примечание

Количество

1

479517R91

CARRIER W/BUSHINGS, 473604R1

1шт.

19749R1

LOCK NUT,7/8"-9, GB

NUT, 7/8-9 ESNA

2шт.

2

473606R21

GEAR

SECTOR ASSY, gear

1шт.

3

473608R1

BUSHING

cylinder

1шт.

4

473609R1

WASHER, sector shaft

1шт.

271556

WHEEL CYLINDER,Hex, 5/8" - 11 x 1 1/4", Gr 5

SCREW, 5/8-11 x 1-1/4 hex-hd cap

1шт.

103325

LOCK WASHER,5/8"

WASHER, LOCK, 5/8"

1шт.

5

86636814

LUBE NIPPLE,1/4"-28 x .52" lg

FITTING, 1/4 NF 2 str lub

3шт.

6

462425R1

SPACER

mast

1шт.

425-1012

NUT,3/4"-10, G5

3/4-10 hex

1шт.

271619

CIRCLIP

3/4-10 x 4 hex-hd cap

1шт.

103326

LOCK WASHER,3/4"

WASHER, LOCK, 3/4"

1шт.

7

473612R1

BOLT

leveling

2шт.

425-1414

JAM NUT,Jam, 7/8"-9, G5

4шт.

8

479504R1

WASHER, carrier

1шт.

9

479498R91

DRIVE W/TWO BUSHINGS, 473620R2

1шт.

20285R1

BOLT,Hex, 1" - 8 x 8", Gr 8

SCREW, 1-8 x 8 hex-hd cap type 4

1шт.

19613R1

LOCK NUT,1"-8

NUT, 1-8 ESNA stop

1шт.

10

479501R1

BOLT,Drive, 7/8" - 9 x 7.90"

drive eye

1шт.

425-1414

JAM NUT,Jam, 7/8"-9, G5

2шт.

432-1216

COTTER PIN,3/16" x 1"

Pin, Split (Cotter), 3/16" x 1"

1шт.

Q1176

HEADED PIN,5/8" x 2 3/16"

PIN, 5/8 x 2-3/16 std-hd

1шт.

11

473622R1

THRUST WASHER

drive gear thrust

1шт.

12

473634R1

BAR, frame cross

2шт.

13

473635R1

PLATE, frame

1шт.

220081

NUT

3/4-10 hex

6шт.

271613

SCREW,Hex, 3/4" - 10 x 2 1/2", Gr 5

3/4-10 x 2-1/2 hex-hd cap

6шт.

103326

LOCK WASHER,3/4"

WASHER, LOCK, 3/4"

6шт.

271614

BOLT,Hex, 3/4" - 10 x 2 3/4", Gr 5

SCREW, 3/4-10 x 2-3/4 hex-hd cap

2шт.

14

479491R91

RAIL ASSY, main

1шт.

426099

NUT,3/4"-16, G5

3/4-16 C-Z hex

4шт.

271796

BOLT,Hex, 3/4" - 16 x 2 3/4", Gr 5

SCREW, 3/4-16 x 2-3/4 C-Z hex-hd cap

4шт.

87340

LOCK WASHER,Helical Spring, 0.759" ID, CST, ZND

WASHER, LOCK, 3/4"

4шт.

15

463116R21

STAND ASSY, support

1шт.

Q3548

PIN,1/2" x 2 1/16"

1/2 x 2-1/16 std-hd

1шт.

517843R1

COTTER PIN

PIN, quick-attachable cot

1шт.

16

479478R91

FRAME ASSY

1шт.

26631R1

BOLT, 5/8-NF x 6-1/4 type 8

12шт.

492-11062

BEARING WASHER,5/8"

WASHER, LOCK, 5/8"

12шт.

225861

NUT,5/8"-18, G8

5/8-18 C-Z hex, type 4

12шт.

479814R1

WASHER

beam

18шт.

17

479494R91

CHANNEL ASSY, fourth beam

1шт.

479497R1

SCREW, 3/4-16 x 2-1/4 C-Z hex-hd cap

6шт.

426099

NUT,3/4"-16, G5

3/4-16 C-Z hex

6шт.

87340

LOCK WASHER,Helical Spring, 0.759" ID, CST, ZND

WASHER, LOCK, 3/4"

6шт.

26631R1

BOLT, 5/8-NF x 6-1/4 type 8

4шт.

425-1110

NUT,5/8"-18, G5

5/8-18 C-Z hex

4шт.

492-11062

BEARING WASHER,5/8"

WASHER, LOCK, 5/8"

4шт.

479814R1

WASHER

beam

6шт.

18

473604R1

BUSHING

sector shaft

2шт.

19

219-37

LUBE NIPPLE,45 Degree Elbow, 1/4" - 28 NPTF

FITTING, 1/4-28 ptf 45 deg angle lub

1шт.

20

479508R91

BEAM ASSY, RH coupling, tractors w/2 point hitch

1шт.

218197

NUT,3/4"-16, G5

3/4-16 hex

3шт.

271642

ELBOW

3/4-16 x 4 hex-hd cap

1шт.

414-1236

BOLT,Hex, 3/4" - 16 x 2-1/4", Gr 5

SCREW, 3/4-16 x 2-1/4 hex-hd cap

2шт.

271640

ORIFICE

SCREW, 3/4-16 x 3-1/2 hex-hd cap

1шт.

103326

LOCK WASHER,3/4"

WASHER, LOCK, 3/4"

3шт.

21

479507R91

BEAM ASSY, LH coupling, tractors w/2 point hitch

1шт.

218197

NUT,3/4"-16, G5

3/4-16 hex

3шт.

271642

ELBOW

3/4-16 x 4 hex-hd cap

1шт.

414-1236

BOLT,Hex, 3/4" - 16 x 2-1/4", Gr 5

SCREW, 3/4-16 x 2-1/4 hex-hd cap

2шт.

271640

ORIFICE

SCREW, 3/4-16 x 3-1/2 hex-hd cap

1шт.

103326

LOCK WASHER,3/4"

WASHER, LOCK, 3/4"

3шт.

22

473643R1

SPACER, coupling beam, tractors w/2 point hitch

2шт.

23

950354R1

WASHER, beam spacer, tractors w/2 point hitch

4шт.

24

472790R1

STUD

hitch lower, tractors w/3 point hitch

2шт.

427359

NUT,1 1/8"-12, G5

1-1/8-12 cd or zn-pltd hex

2шт.

131049

HYD CONNECTOR

1-1/8 cd or zn-pltd med

2шт.

25

473620R1

BUSHING

drive

1шт.

26

476999R1

NUT, main rail

1шт.

392002R91

PARTS ACCESSORY, bushing & pin adapter, for use with category II implements when mounted on category III three point hitch consits of

1шт.

374132R1

PIN

upper link

1шт.

392911R1

BALL, upper link rear

1шт.

392004R1

SPACER,29.08mm ID x 36.2mm OD x 64.8mm L

lower link hitch point

2шт.

Выбрано товаров: 74