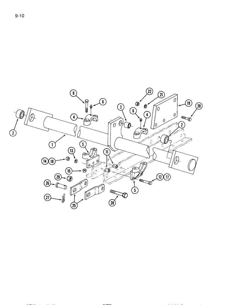
Запчасти Case IH 6500 (9-10) - ROCKSHAFT, WHEEL DEPTH CONTROL (09) - CHASSIS/ATTACHMENTS

Схема запчастей Case IH 6500 - (9-10) - ROCKSHAFT, WHEEL DEPTH CONTROL (09) - CHASSIS/ATTACHMENTS
29
9
22
27
3
2
2
10
20
19
25
13
6
5
28
4
6
11
17
21
14
12
18
5
1
4
26
FIT
1:1
100%

Артикул

Название

Примечание

Количество

1

1256944C91

ROCKSHAFT

ASSEMBLY - lift (11 Foot frame)

1шт.

1

1256945C91

ROCKSHAFT

ASSEMBLY - lift (14 Foot frame)

1шт.

2

608310R1

BUSHING,32.38mm ID x 50.8mm OD x 25.4mm L

- bar, outer

2шт.

3

112885C1

BUSHING,31.75mm ID x 38.1mm OD x 25.4mm L

- cylinder

1шт.

4

1256960C1

BEARING CAP,78 mm ID x 44.5 mm

- bearing, rockshaft

4шт.

5

608312R2

BRACKET

- bearing, rockshaft

4шт.

6

86636814

LUBE NIPPLE,1/4"-28 x .52" lg

FITTING - lube, straight, 1/4 inch NF

4шт.

9

25340R1

BOLT,Hex, 5/8" - 11 x 3 1/4", Gr 8

- hex, 5/8 NC x 3-1/4 inch, Grade 8

8шт.

10

131-1219

LOCK NUT,5/8"-11, GC

NUT, LOCK, 5/8"-11, GC

8шт.

11

5528S

SPACER

- rockshaft bracket, 3/4 x 13/16 inch

3шт.

12

25510R1

BOLT,Hex, 5/8" - 11 x 3 3/4", Gr 8

- hex, 5/8 NC x 3-3/4 inch

3шт.

13

492-11062

BEARING WASHER,5/8"

WASHER, LOCK, 5/8"

7шт.

14

25528R1

NUT,5/8"-11, G8

- hex, 5/8 inch NC, Grade 8

3шт.

17

413-1032

BOLT,Hex, 5/8" - 11 x 2", Gr 5

- hex, 5/8 NC x 2 inch (Used on outside brackets)

4шт.

18

425-1010

NUT,5/8"-11, G5

4шт.

19

1256957C1

BAR

- cylinder support

1шт.

20

413-1244

BOLT,Hex, 3/4" - 10 x 2-3/4", Gr 5

- hex, 3/4 NC x 2-3/4 inch

3шт.

21

492-11075

LOCK WASHER,3/4"

3/4"

3шт.

22

425-1012

NUT,3/4"-10, G5

- hex, 3/4 inch NC

3шт.

25

1256983C1

BAR

- transport lock

2шт.

26

25419R1

PIN

- headed, 1 x 2-3/4 inch

1шт.

27

471194R1

AXLE PIN

PIN - cotter, quick attach

1шт.

28

413-1664

BOLT,Hex, 1" - 8 x 4", Gr 5

- hex, 1 NC x 4 inch

1шт.

29

26566R1

LOCK NUT

- hex, lock, 1 inch

1шт.

Выбрано товаров: 24