Запчасти Case IH 6500 (B-05) - WHEEL AXLE

Схема запчастей Case IH 6500 - (B-05) - WHEEL AXLE
FIT
1:1
100%

Артикул

Название

Примечание

Количество

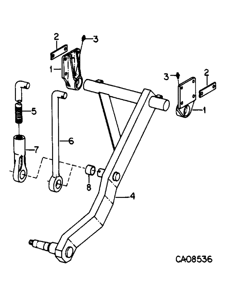
1

608315R1

SUPPORT

axle long

4шт.

413-1032

BOLT,Hex, 5/8" - 11 x 2", Gr 5

5/8 x 2 type 5

8шт.

271729

BOLT,Hex, 5/8" - 11 x 3 1/2", Gr 5

5/8 x 3-1/2 type 5

8шт.

280374

NUT,Hex, 5/8" - 11, Gr 5

5/8 type 5

16шт.

492-11062

BEARING WASHER,5/8"

WASHER, LOCK, 5/8"

16шт.

2

810180C1

BAR

support spacer

4шт.

3

109461

LUBE NIPPLE,1/8"-27 x .66 lg

NIPPLE, LUBE, , PTF 1/8"-27 x .66 lg

4шт.

4

812429C92

SHAFT

AXLE ASSY, wheel, includes 1-619373R1 washer, 1-70120D nut, 1-103388 pin

1шт.

5

608324R1

BAR

ROD, lift adjustable

1шт.

6

608325R2

ROD

rigid lift

1шт.

608700R1

WASHER

1.281 x 2.000 x .054

6шт.

432-1640

COTTER PIN,1/4" x 2 1/2"

Pin, Split (Cotter), 1/4" x 2 1/2"

4шт.

7

608322R2

EYE

lift link

1шт.

8

112886C1

BUSHING

lift rod

2шт.

432-1640

COTTER PIN,1/4" x 2 1/2"

Pin, Split (Cotter), 1/4" x 2 1/2"

2шт.

20644R1

WASHER

1.656 x 2.250 x .054

2шт.

Выбрано товаров: 16