Запчасти Case IH 6650 (8-2) - HYDRAULIC SYSTEM (08) - HYDRAULICS

Схема запчастей Case IH 6650 - (8-2) - HYDRAULIC SYSTEM (08) - HYDRAULICS
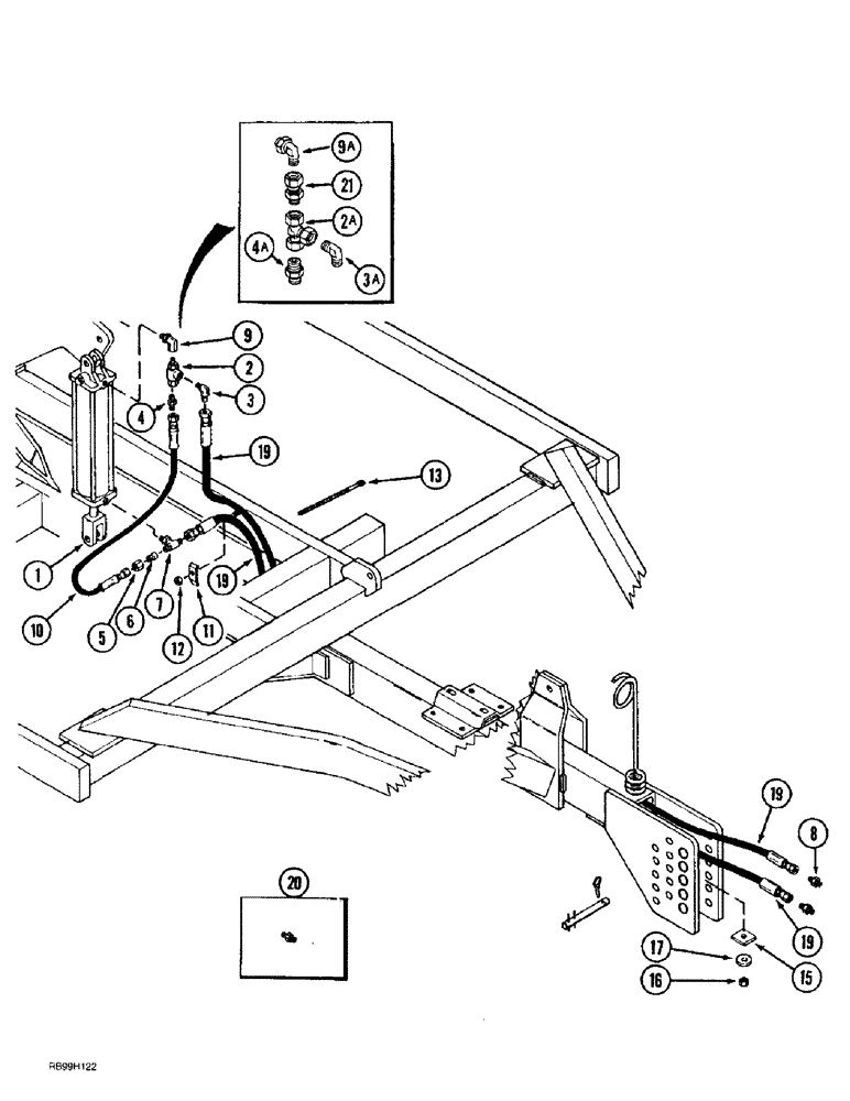
8
1
9
19
11
10
20
9a
6
15
19
2a
5
4a
19
16
13
19
21
3
17
12
3a
2
7
4
FIT
1:1
100%

Артикул

Название

Примечание

Количество

1

1546928C1

CYLINDER

ASSEMBLY - hydraulic, lift, 102 (4) ID x 406 mm (16 inch) stroke, parts list page 8-9

1шт.

20

222-716

UNION

CONNECTOR - straight, 1/2 inch tube OD

2шт.

2

1546924C1

VALVE

- check, Brand Hydraulics, no longer available, order 106979A1 valve below

1шт.

2

106979A1

VALVE

- check, Prince Manufacturing, replaces 1546924C1 check valve

1шт.

3

218-493

ELBOW,90 Degree Elbow, 3/4" - 16 Male JIC x 1/2" - 14 Male NPTF

- 90 degree, 3/4-16 flare x 1/2 inch PT, used with 1546924C1 check valve

1шт.

3a

218-5106

90 ELBOW,90 Degree Elbow, 3/4" - 16 Male JIC x 3/4" - 16 Male ORB

- 90 degree, 3/4-16 inch flare x adj O-ring boss, used with 106979C1 check valve

1шт.

4

218-443

HYD CONNECTOR,9/16" - 18 Male JIC x 1/4" - 18 Male NPTF

ADAPTER - straight, 9/16-18 flare x 1/4 inch PT, used with 1546924C1 check valve

1шт.

4a

218-5352

HYD CONNECTOR,9/16"-18, 37 Degree x 7/16"-20, O-Ring

ADAPTER - straight, 9/16-18 flare x 7/16-20 inch O-ring boss, used with 106979A1 check valve

1шт.

5

218-344

TUBE NUT,37 Degree, 3/4"-16, Type B

NUT - hex, 1/2 inch NF, Style B

1шт.

6

218-792

REDUCER,37 Degree, 1/2" x 3/8" Tube

ADAPTER - reducing, 1/2 tube OD x 9/16-18 inch flare

1шт.

7

218-5242

TEE,3/4" - 16 Male JIC x 3/4" - 16 Male JIC x 3/4" - 16 Male ORB

- 3/4-16 inch flare branch x flare x adj O-ring boss

1шт.

8

218-5059

HYD CONNECTOR,3/4"-16, 37 Degree x 3/4"-16, O-Ring

ADAPTER - straight, 3/4-16 inch flare x O-ring boss

2шт.

9

1546925C1

ELBOW

- 90 degree, 90 degree, used with 1546924c1 check valve

1шт.

9a

218-5106

90 ELBOW,90 Degree Elbow, 3/4" - 16 Male JIC x 3/4" - 16 Male ORB

- 90 degree, 3/4-16 inch flare x adj O-ring boss, used with 106979A1 check valve

1шт.

10

1284323C1

HYDRAULIC HOSE

HOSE - 381 mm (15 inch) long

1шт.

11

515-23159

CLAMP,5/8", Insul, 3/8" Bolt

P-type 5/8", Insul, 3/8" Bolt

2шт.

12

230-4214

LOCK NUT,1/4"-20, GA

NUT - hex, self-locking, 1/4 inch NC

1шт.

13

386170C1

CABLE TIE,.30" x 27 1/2"

STRAP - tie

3шт.

15

1995936C1

BAR

PLATE - hose retaining

1шт.

16

230-4218

LOCK NUT,1/2"-13, GA

NUT - hex, self-locking, 1/2 inch NC

1шт.

17

495-21056

WASHER,1/2"

- flat, 9/16 x 1-3/8 x 7/64 inch

1шт.

19

1337361C1

HOSE ASSY.

HOSE - 4064 mm (160 inch) long

2шт.

21

192251A1

MULTIPOLE CONNECTOR

CONNECTOR - straight swivel

1шт.

Выбрано товаров: 0