Запчасти Case IH 6650 (9-04) - MAIN FRAME, 13 FOOT 9 INCH WITH 11 SHANKS, 16 FOOT 3 INCH WITH 13 SHANKS (09) - CHASSIS/ATTACHMENTS

Схема запчастей Case IH 6650 - (9-04) - MAIN FRAME, 13 FOOT 9 INCH WITH 11 SHANKS, 16 FOOT 3 INCH WITH 13 SHANKS (09) - CHASSIS/ATTACHMENTS
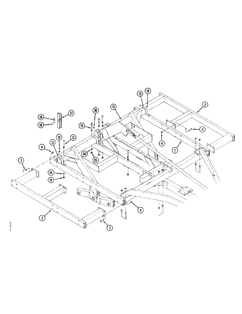
2
12
16
14
19
17
13
15
16
4
1
2
13
4
18
3
18
3
14
12
3
4
15
11
FIT
1:1
100%

Артикул

Название

Примечание

Количество

1

1995933C1

FRAME

ASSEMBLY - main, includes red relectors, see page 9-39, 13 foot 9 inch, 11 shanks

1шт.

1

1995934C1

FRAME

ASSEMBLY - main, includes red reflectors, see page 9-39, 16 foot 3 inch, 13 shanks

1шт.

2

1995935C1

FRAME

EXTENSION - frame, includes red reflector, see page 9-39

2шт.

3

413-1256

BOLT,Hex, 3/4" - 10 x 3-1/2", Gr 5

24шт.

4

230-42112

LOCK NUT,3/4"-10, GA

NUT - hex, self-locking, 3/4 inch NC

24шт.

11

1995956C1

ROCKSHAFT

- axle, 13 foot 9 inch frame

1шт.

11

1995957C1

ROCKSHAFT

- axle, 16 foot 3 inch frame

1шт.

12

1995958C1

STRAP

- rockshaft, 13 foot 9 inch frame

4шт.

12

1995958C1

STRAP

- rockshaft, 16 foot 3 inch frame

6шт.

13

413-12120

BOLT,Hex, 3/4" - 10 x 7-1/2", Gr 5

- hex, 3/4 NC x 7-1/2 inch, 13 foot 9 inch frame, rockshaft

6шт.

13

413-12120

BOLT,Hex, 3/4" - 10 x 7-1/2", Gr 5

- hex, 3/4 NC x 7-1/2 inch, 16 foot 3 inch frame, rockshaft

10шт.

14

495-11081

WASHER,3/4", SAE

13 foot 9 inch frame, Rockshaft 3/4", SAE

6шт.

14

495-11081

WASHER,3/4", SAE

16 foot 3 inch frame, Rockshaft 3/4", SAE

10шт.

15

230-42112

LOCK NUT,3/4"-10, GA

NUT - hex, self-locking, 3/4 inch NC, 13 foot 9 inch frame, rockshaft

6шт.

15

230-42112

LOCK NUT,3/4"-10, GA

NUT - hex, self-locking, 3/4 inch NC, 16 foot 3 inch frame, rockshaft

10шт.

16

219-8

LUBE NIPPLE,1/4" - 28 NPTF

NIPPLE, LUBE, , straight, taper, 13 foot 9 inch frame, Rockshaft 1/4"-28 NPT x .54" lg

4шт.

16

219-8

LUBE NIPPLE,1/4" - 28 NPTF

NIPPLE, LUBE, , straight, taper, 16 foot 3 inch frame, Rockshaft 1/4"-28 NPT x .54" lg

6шт.

17

1995959C1

BRACKET

- storage, 499 mm (19-5/8 inch) long, rockshaft

1шт.

18

22896R1

HEADED PIN,5/8" x 3"

PIN, HEADED, , Rockshaft 5/8" x 3"

1шт.

19

1980543C1

HAIR PIN COTTER

PIN - cotter, hair, 5/32 inch diameter, rockshaft

1шт.

Выбрано товаров: 20