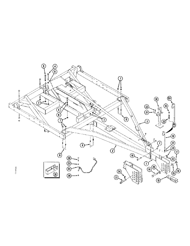
Запчасти Case IH 6650 (9-06) - HITCH (09) - CHASSIS/ATTACHMENTS

Схема запчастей Case IH 6650 - (9-06) - HITCH (09) - CHASSIS/ATTACHMENTS
25
16
19a
31
4
34
26
36
8
7
1
15
20
10
6
7
21
18
19
17
9
7
4
5
30
7
28
9
7
14
2
15
35
22
6
3
32
20
27
33
FIT
1:1
100%

Артикул

Название

Примечание

Количество

1

1995937C1

TRAILER HITCH

HITCH ASSEMBLY - main, includes decals, see page 9-39

1шт.

2

1995938C1

BRACE

- pole, right-hand

1шт.

3

1995939C1

BRACE

- pole, left-hand

1шт.

4

413-12120

BOLT,Hex, 3/4" - 10 x 7-1/2", Gr 5

- hex, 3/4 NC x 7-1/2 inch

6шт.

5

413-12128

BOLT,Hex, 3/4" - 10 x 8", Gr 5

- hex, 3/4 NC x 8 inch

2шт.

6

495-11081

WASHER,3/4", SAE

10шт.

7

230-42112

LOCK NUT,3/4"-10, GA

NUT - hex, self-locking, 3/4 inch NC

22шт.

8

1995940C1

U-BOLT,3/4" - 10 x 8 1/2", Carbon Steel

- 3/4 NC x 8-1/2 inch

1шт.

9

1995941C1

U-BOLT,3/4" - 10 x 7 1/2", Carbon Steel

- 3/4 NC x 7-1/2 inch

4шт.

10

1995942C1

CLEVIS

- hitch, swivel (7 and 9 shank models)

1шт.

10

1995943C1

CLEVIS

- hitch, swivel (11 and 13 shank models)

1шт.

14

1995944C1

BOLT,7-5/8"

- hitch, special, 1-1/2 inch NC

1шт.

15

1284383C1

WASHER

- arbor bolt

2шт.

16

425-1224

SLOTTED NUT,1 1/2"-6, G5

NUT - hex, slotted, 1-1/2 inch NC

1шт.

17

38-12440

LOCK PIN,3/8" x 2 1/2", Slotted

PIN, LOCK, 3/8" x 2 1/2", Slotted

1шт.

18

413-12104

BOLT,Hex, 3/4" - 10 x 6-1/2", Gr 5

- hex, 3/4 NC x 6-1/2 inch

4шт.

19

1995945C1

CARRIER

- hose, if used

1шт.

19a

377948A1

CARRIER

- hose, if used

1шт.

20

495-21056

WASHER,1/2"

- flat, 9/16 x 1-3/8 x 7/64 inch

2шт.

21

329-108

NUT,1/2"-13, G8

1шт.

22

230-4218

LOCK NUT,1/2"-13, GA

NUT - hex, self-locking, 1/2 inch NC

1шт.

25

63506C3

CHAIN (AG)

CHAIN - hitch, 3/8 link x 59-7/64 inch

1шт.

26

326-1648

BOLT,Hex, 1" - 8 x 3", Gr 8

Replaces 25777R1 bolt Hex, 1"-8 x 3", G8

1шт.

27

396-41106

WASHER,1.06" ID x 2.5" OD x 0.22" Thk

- flat, 1-1/16 x 2-1/2 x 7/32 inch, hardened

2шт.

28

231-14416

LOCK NUT,1"-8, GB

NUT - hex, self-locking, 1 inch NC

1шт.

30

1995946C1

JACK

ASSEMBLY - hitch

1шт.

31

439-51644

HEADED PIN,1" x 2 3/4", G5

PIN - headed, 1 x 2-3/4 inch

1шт.

32

1978739C1

PIN

- hair

1шт.

33

358724A1

PIN

- special

1шт.

34

D33805

PIN

- locking, replaces 358725A1 pin

1шт.

35

413-864

BOLT,Hex, 1/2" - 13 x 4", Gr 5

- hex, 1/2 NC x 4 inch, adjusting, used with 377948A1 hose carrier

1шт.

36

1279163C1

CLEVIS COUPLING

CLEVIS - chain

1шт.

Выбрано товаров: 0