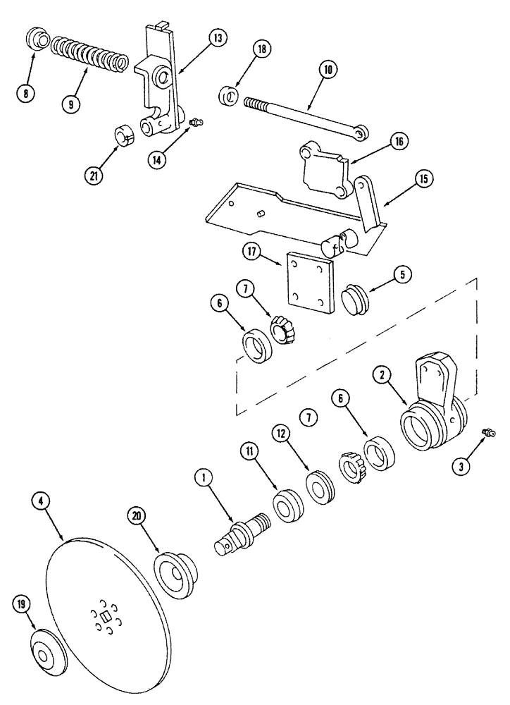
Запчасти Case IH 700 (9-16) - ROLLING COLTER, CUSHION SPRING TYPE - WITH BENT STANDARD (09) - CHASSIS/ATTACHMENTS

Схема запчастей Case IH 700 - (9-16) - ROLLING COLTER, CUSHION SPRING TYPE - WITH BENT STANDARD (09) - CHASSIS/ATTACHMENTS
16
15
1
10
6
12
13
7
11
6
7
20
5
9
2
18
17
8
3
21
4
14
19
FIT
1:1
100%

Артикул

Название

Примечание

Количество

1

61452C1

SPINDLE

1шт.

519250R1

SLOTTED NUT

- slotted hex, 1-1/4 inch NF

1шт.

429-1314

NUT,7/8"-14, G8

NUT - slotted hex, 7/8 inch NF, Grade 8

1шт.

80754

COTTER PIN,3/16" OD x 1-1/2" OAL

PIN, SPLIT (COTTER), 3/16" x 1 1/2"

1шт.

87673

COTTER PIN,1/8" x 1 3/4"

PIN, SPLIT (COTTER), 1/8" x 1 3/4"

1шт.

2

541482R1

BEARING HOUSING,2.3275" ID x 3" OD x 2.44"

HOUSING - bearing, right

1шт.

413-836

BOLT,Hex, 1/2" - 13 x 2-1/4", Gr 5

- hex, 1/2 NC x 2-1/4 inch

2шт.

80679

LOCK WASHER,1/20.507 CST ZND

WASHER, LOCK, 1/2"

2шт.

425-108

NUT,1/2" - 13, Gr 5

NUT, , Hex 1/2"-13, G5

2шт.

3

87569

LUBE NIPPLE,45 Degree, 1/4" NPT x 4/5" L, Drive

FITTING - grease, 45 degree, 1/4 inch (In bearing housing)

1шт.

4

31200R1

DISC

DISK - 510 x 4.5 mm (Replaces 27398C1 and 30922R1)

1шт.

5

518842R1

CAP

- hub

1шт.

6

651817R1

BEARING CUP

CUP - bearing, housing

2шт.

7

651818R91

ROLLER BEARING,31.77 mm ID x 16.08 mm

CONE - bearing, housing

2шт.

8

487697R1

CENTERING RING

SPACER - spring plug

1шт.

9

487698R1

SPRING

- cushion, 13-1/2 coils

1шт.

10

480344R1

EYEBOLT,Spring, 5/8" - 11 x 299.70mm

BOLT - spring eye

1шт.

21806R1

HEADED PIN,1/2" x 1 3/4"

PIN - clevis, 1/2 x 1-3/4 inch

1шт.

432-1220

COTTER PIN,3/16" x 1 1/4"

3/16" x 1 1/4"

1шт.

231-14110

LOCK NUT,5/8"-11, GB

NUT - hex lock, 5/8 inch NC

1шт.

11

472222R1

SLEEVE

- oil seal

1шт.

12

472221R91

SEAL,39.57mm ID x 58.6mm OD x 7.37mm Thk

- oil

1шт.

13

61446C1

SUPPORT ASSY.

STANDARD ASSEMBLY - bent

1шт.

14

219-87

LUBE NIPPLE,1/4" - 28 NPTF

NIPPLE, LUBE, (In pivot tube) 1/4"-28 x .56" lg, Self-Tap

1шт.

15

61447C1

ARM

ASSEMBLY - colter

1шт.

162677C1

WASHER

- flat, 1-9/32 x 1-3/4 x 1-16 inch

1шт.

19716R1

PIN,4.75mm OD x 44.45mm L, Coiled

1шт.

38-32028

PIN,7.92mm OD x 44.45mm L

1шт.

16

61453C1

BLOCK

- adjusting

1шт.

17

61450C1

PLATE

- clamp

2шт.

413-1076

BOLT,Hex, 5/8" - 11 x 4-3/4", Gr 5

- hex, 5/8 NC x 4-3/4 inch

4шт.

425-1010

NUT,5/8"-11, G5

4шт.

18

484624R1

SPACER

- rod

1шт.

19

519086R2

SUPPORT

- disk

1шт.

20

61451C1

WASHER

BEARING - spindle

1шт.

21

61570C1

FERRULE

COLLAR - colter arm

1шт.

Выбрано товаров: 36