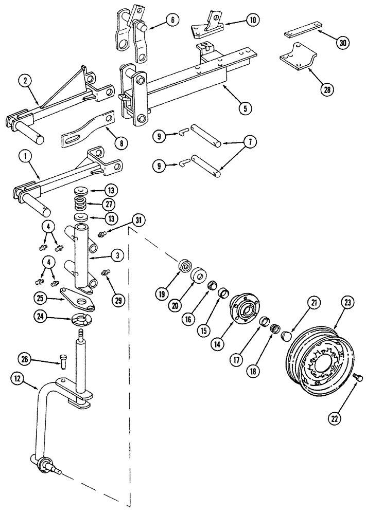
Запчасти Case IH 700 (9-20) - REAR FURROW WHEEL UNIT (09) - CHASSIS/ATTACHMENTS

Схема запчастей Case IH 700 - (9-20) - REAR FURROW WHEEL UNIT (09) - CHASSIS/ATTACHMENTS
18
31
4
12
28
14
22
9
7
26
19
10
2
15
4
29
9
16
30
24
20
25
23
13
13
8
5
1
6
21
17
3
FIT
1:1
100%

Артикул

Название

Примечание

Количество

1

491542R4

ARM ASSY.

ARM ASSEMBLY - lower

1шт.

2

491544R3

ARM

ASSEMBLY - upper

1шт.

3

61021C1

HOUSING

- rear caster wheel

1шт.

495-81093

WASHER,45.24mm ID x 63.5mm OD x 3.4mm Thk

- flat, 1-25/32 x 2-1/2 x 3/32 inch

2шт.

432-2436

COTTER PIN,3/8" x 2 1/4"

Pin, Split (Cotter), 3/8" x 2 1/4"

2шт.

4

219-87

LUBE NIPPLE,1/4" - 28 NPTF

NIPPLE, LUBE, (In caster wheel housing) 1/4"-28 x .56" lg, Self-Tap

4шт.

5

131703C1

BRACKET

ASSEMBLY - rear wheel

1шт.

Replaces 100869C1 by also ordering 547217R2 and 484993R1 and hardware.

1шт.

485708R1

BOLT,Hex, 3/4" - 10 x 3", Full Thd

SCREW - special hex, 3/4 x 3 inch

1шт.

425-1412

JAM NUT,Jam, 3/4"-10, G5

- hex, jam, 3/4 inch NC

1шт.

6

482800R91

ROCKSHAFT

ASSEMBLY

1шт.

7

482805R1

PIN

BAR - top

2шт.

495-81203

WASHER,1 9/32" x 2" x .120"

- flat, 1-9/32 x 2 x 7/64 inch

1шт.

8

491557R1

SUPPORT

STRAP - rear transport

1шт.

462997R2

WASHER

- wear

1шт.

520174R11

LINCH PIN,7.92mm OD x 88.91mm L

PIN ASSEMBLY - quick attachable cotter

1шт.

9

813175C2

LOCK PIN,9.5mm OD

PIN - pivot lock

2шт.

432-2436

COTTER PIN,3/8" x 2 1/4"

Pin, Split (Cotter), 3/8" x 2 1/4"

2шт.

495-81205

WASHER,32.54mm ID x 50.8mm OD x 1.7mm Thk

- flat, 1-9/32 x 2 x 3/64 inch

2шт.

10

547217R2

BRACKET

ASSEMBLY - cylinder anchor

1шт.

426-12192

BOLT,Hex, 3/4" - 10 x 12", Gr 8

- hex, 3/4 NC x 12 inch

4шт.

413-12128

BOLT,Hex, 3/4" - 10 x 8", Gr 5

- hex, 3/4 NC x 8 inch

1шт.

231-42112

NUT,3/4"-10, GB

NUT - hex lock, 3/4 inch NC

5шт.

12

61024C1

AXLE

ASSEMBLY - caster wheel (Early production)

1шт.

12

1337963C1

CENTER AXLE

AXLE ASSEMBLY - caster wheel, Inc. Collar (Later production)

1шт.

490909R1

COLLAR

- sand

1шт.

495-81060

WASHER,23.01mm ID x 44.45mm OD x 3.4mm Thk

- flat, 29/32 x 1-3/4 x 7/64 inch

1шт.

70120D

SLOTTED NUT,7/8"-14

NUT - hex, slotted 7/8 inch NC

1шт.

432-820

COTTER PIN,1/8" x 1 1/4"

PIN, SPLIT (COTTER), 1/8" x 1-1/4"

1шт.

13

491554R1

WASHER

- retainer

2шт.

495-81062

WASHER,0.91" ID x 2" OD x 0.12" Thk

- flat, 29/32 x 2 x 7/64 inch

1шт.

425-1414

JAM NUT,Jam, 7/8"-9, G5

2шт.

14

465496R1

HUB

- wheel, 6 bolt (Early production), Also Order REF 15 and 17

1шт.

14

606468R21

HUB

ASSEMBLY - wheel, 6 bolt (Later production)

1шт.

219-87

LUBE NIPPLE,1/4" - 28 NPTF

NIPPLE, LUBE, 1/4"-28 x .56" lg, Self-Tap

1шт.

15

663558R1

BEARING CUP

CUP - bearing, inner

1шт.

16

663557R91

BEARING ASSY,1.625" ID x 2.892" OD x 0.77"

CONE - bearing, inner

1шт.

17

651817R1

BEARING CUP

CUP - bearing, outer

1шт.

18

651818R91

ROLLER BEARING,31.77 mm ID x 16.08 mm

CONE - bearing, outer

1шт.

19

654674R91

OIL SEAL

- oil, wheel hub (Early production)

1шт.

20

654675R1

RING

SLEEVE - oil seal wear (Early production)

1шт.

19

594702R91

SEAL

- oil, wheel hub (Later production)

1шт.

20

594703R1

SLEEVE

- oil seal wear (Later production)

1шт.

21

224066C1

HUB CAP

CAP - wheel hub

1шт.

22

549962R1

BOLT,1 1/2" - 20 x 1 1/2", Class 3

- hex conical, 1/2 NF x 1-5/32 inch

6шт.

23

481344R91

WHEEL

- steel (For 9.5-14 tire)

1шт.

810768C1

VALVE

- tubeless tire steel

1шт.

24

491555R1

CAM

- caster wheel, bottom

1шт.

25

491556R1

CAM

- caster wheel, top

1шт.

26

486762R1

PIN

- lockout

1шт.

1978738C1

HAIR PIN COTTER

1шт.

27

U13661

VALVE SPRING

SPRING - axle compression

1шт.

28

484993R1

BAR

- tie strap

1шт.

413-1028

BOLT,Hex, 5/8" - 11 x 1-3/4", Gr 5

- hex, 5/8 NC x 1-3/4 inch

2шт.

231-42110

LOCK NUT,Hex, 5/8"-11, GB

NUT - hex lock, 5/8 inch NC

2шт.

29

219-93

LUBE NIPPLE,90 Degree Elbow, 1/4" - 28 NPTF

(In lower pivot tube) 90º, 1/4"-28 NPT x .75" lg, Drive

1шт.

30

484993R1

BAR

- tie strap

1шт.

413-1028

BOLT,Hex, 5/8" - 11 x 1-3/4", Gr 5

- hex, 5/8 NC x 1-3/4 inch

1шт.

231-42110

LOCK NUT,Hex, 5/8"-11, GB

NUT - hex lock, 5/8 inch NC

1шт.

31

219-87

LUBE NIPPLE,1/4" - 28 NPTF

NIPPLE, LUBE, (In upper pivot tube) 1/4"-28 x .56" lg, Self-Tap

1шт.

123096A2

WHEEL BEARING KIT

KIT, WHEEL BEARING (Later production), Inc. REF 16 - 20

1шт.

Выбрано товаров: 61