Запчасти Case IH 700 (AK-27) - REAR FURROW WHEEL UNIT

Схема запчастей Case IH 700 - (AK-27) - REAR FURROW WHEEL UNIT
5
14
13
4
7
28
16
20
6
3
12
11
4
13
21
2
18
15
4
23
27
19
7
22
9
4
24
8
25
4
4
10
9
4
26
17
FIT
1:1
100%

Артикул

Название

Примечание

Количество

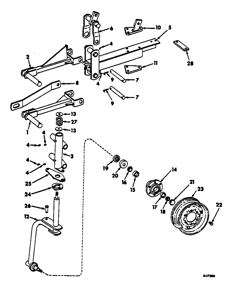
1

491542R4

ARM ASSY.

ARM ASSY, lower

1шт.

2

491544R3

ARM

ASSY, upper

1шт.

3

491546R1

HOUSING, rear caster wheel

1шт.

609376R1

WASHER

25/32 x 2-1/2 x 11 ga C-Z

2шт.

21653R1

COTTER PIN,3/8" x 2 1/4"

Pin, Split (Cotter), 3/8" x 2 1/4"

2шт.

4

86636814

LUBE NIPPLE,1/4"-28 x .52" lg

FITTING, 1/4-28 PFT str lub

6шт.

4

16964R91

FITTING

1/4-28NS 90 deg lub

1шт.

5

482793R94

BRACKET ASSY, rear wheel

1шт.

485708R1

BOLT,Hex, 3/4" - 10 x 3", Full Thd

SCREW, 3/4-10 x 3 hex-hd special

1шт.

426897

JAM NUT,Jam, 3/4"-10, G5

3/4-10 C-Z hex. jam

1шт.

6

482800R91

ROCKSHAFT

ASSY

1шт.

7

482805R1

PIN

BAR, top

2шт.

21226R1

WASHER

1-9/32 x 2 x 11 ga C-Z

1шт.

8

491557R1

SUPPORT

STRAP, rear transport

1шт.

462997R1

WASHER

wear

1шт.

520174R11

LINCH PIN,7.92mm OD x 88.91mm L

PIN ASSY, quick attachable cot.

1шт.

18492R1

PIN, 5/16 x 2-5/8 slt spring

1шт.

9

471323R1

LINCH PIN

PIN, pivot lock

2шт.

21655R1

COTTER PIN,3/8" x 1 7/8"

Pin, Split (Cotter), 3/8" x 1 7/8"

2шт.

608700R1

WASHER

1-9/32 x 2 x 16 ga C-Z

2шт.

10

482807R91

BRACKET

ASSY, cyl anchor, Serial Range: 1968-1971

1шт.

10

547217R2

BRACKET

ANCHOR ASSY, cyl, 1971 and since

1шт.

11

482809R1

BAR

rear cyl, Serial Range: 1968-1971

1шт.

11

547219R1

BAR

cyl reinforcement, 1971 and since

1шт.

20921R1

BOLT,Hex, 3/4" - 10 x 12", Gr 5

SCREW, 3/4-10 x 12 C-Z hex-hd cap

3шт.

103046

WASHER, 3/4-10 C-Z hex.

3шт.

517668R1

SPACER,3/4" Pipe x 5 1/8"

3/4 x 5-1/8 std pipe

1шт.

22847R1

BOLT,Hex, 3/4" - 10 x 12", Gr 8

SCREW, 3/4-10 x 12 type 8 hex-hd cap

4шт.

473244R1

LOCK NUT,3/4"-10, GB

NUT, 3/4-10 C-Z 2 way hex-hd lock

4шт.

12

491547R1

AXLE ASSY, caster wheel

1шт.

13

491554R1

WASHER

retainer

2шт.

21212R1

WASHER

29/32 x 2 x 11 ga C-Z

1шт.

426898

NUT,Jam, 7/8"-9, G5

7/8-9 C-Z hex. jam

2шт.

14

465496R11

HUB

ASSY, 6 bolt wheel

1шт.

15

663558R1

BEARING CUP

BEARING, wheel hub inner cup

1шт.

16

663557R91

BEARING ASSY,1.625" ID x 2.892" OD x 0.77"

BEARING ASSY, wheel hub inner cone

1шт.

17

651817R1

BEARING CUP

BEARING, wheel hub outer cup

1шт.

18

651818R91

ROLLER BEARING,31.77 mm ID x 16.08 mm

BEARING ASSY, wheel hub outer cone

1шт.

19

654674R91

OIL SEAL

wheel hub oil

1шт.

20

654675R1

RING

oil seal wear

1шт.

469873R1

WASHER,23.01mm ID x 44.45mm OD x 3.05mm Thk

29/32 x 1-3/4 x 11 ga

1шт.

70120D

SLOTTED NUT,7/8"-14

NUT, 7/8-14 hex.

1шт.

87395

COTTER PIN,1/8" OD x 1-1/4" OAL

PIN, SPLIT (COTTER), 1/8" x 1-1/4"

1шт.

21

663906R1

CAP

hub

1шт.

22

549962R1

BOLT,1 1/2" - 20 x 1 1/2", Class 3

1/2-20 wheel, will work for 351079R1

1шт.

23

481344R91

WHEEL

14 in.

1шт.

TIRE, 9.50 x 14 in. 6 ply ribbed

1шт.

TUBE, 9.50 x 14 in.

1шт.

24

491555R1

CAM

caster wheel bottom

1шт.

25

491556R1

CAM

caster wheel top

1шт.

26

486762R1

PIN

lockout

1шт.

517843R1

COTTER PIN

PIN, quick attachable cot.

1шт.

27

U13661

VALVE SPRING

SPRING, axle compression

1шт.

28

484993R1

BAR

tie strap, Serial Range: up-1968

1шт.

28

540033R1

BAR

tie strap, 1969 up

1шт.

271548

BOLT (SPREADER),Hex, 5/8" - 11 x 1 3/4", Gr 5

SCREW, 5/8-11 x 1-3/4 znd hex-hd cap

1шт.

492-11062

BEARING WASHER,5/8"

WASHER, LOCK, 5/8"

1шт.

280374

NUT,Hex, 5/8" - 11, Gr 5

5/8-11 C-Z hex.

1шт.

Выбрано товаров: 58