Запчасти Case IH 710 (AP-05) - MAIN FRAME, 4 TO 5, 5 TO 6 & 6 FURROW NON-EXTENDABLE IN THE FURROW PLOWS W/REAR FURROW & GAUGE WHEEL

Схема запчастей Case IH 710 - (AP-05) - MAIN FRAME, 4 TO 5, 5 TO 6 & 6 FURROW NON-EXTENDABLE IN THE FURROW PLOWS W/REAR FURROW & GAUGE WHEEL
FIT
1:1
100%

Артикул

Название

Примечание

Количество

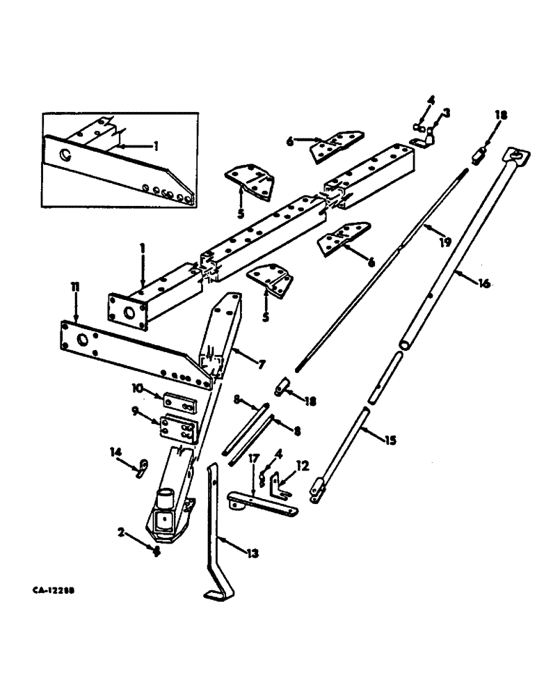
1

541176R1

FRAME ASSY, 5-1/2 in. main, for 4 furrow 16 in.

1шт.

1

541182R1

FRAME ASSY, 5-1/2 in. main, for 4 furrow 18 in.

1шт.

1

543213R91

FRAME ASSY, 5-1/2 in. main, for 5 furrow 16 in.

1шт.

1

543215R91

FRAME ASSY, 5-1/2 in. main, for 5 furrow 18 in.

1шт.

1

543217R92

FRAME ASSY, 5-1/2 in. main, for 6 furrow 16 in.

1шт.

1

543219R92

FRAME ASSY, 5-1/2 in. main, for 6 furrow 18 in.

1шт.

1

62368C91

FRAME

ASSY, 6 in. main, for 4 furrow 16 in.

1шт.

1

62369C91

FRAME

ASSY, 6 in. main, for 4 furrow 18 in.

1шт.

1

62364C91

FRAME

ASSY, 6 in. main, for 5 furrow 16 in.

1шт.

1

62365C91

FRAME ASSY, 6 in. main, for 5 furrow 18 in.

1шт.

1

62366C91

FRAME ASSY, 6 in. main, for 6 furrow 16 in.

1шт.

1

62367C91

FRAME ASSY, 6 in. main, for 6 furrow 18 in.

1шт.

2

86636814

LUBE NIPPLE,1/4"-28 x .52" lg

FITTING, 1/4-28NF2 str lub

2шт.

3

486694R1

SUPPORT

CLIP, rear hose

1шт.

4

513030R1

CLAMP, hose

3шт.

18685R1

CARRIAGE BOLT,Short Sq Nk, 3/8" - 16 x 1 1/2", Gr 2

BOLT, 3/8 x 1-1/2 znd sq-nk crg

3шт.

120377

NUT,3/8" - 16, Gr 5

3шт.

18755R1

BOLT,Hex, 5/8"-11 x 7 1/2", G5

3 for 4 furrow w/automatic trip, 4 for 5 furrow w/automatic trip, 5 for 6 furrow w/automatic trip, 15 for 4 furrow w/spring trip, 19 for 5 furrow w/spring trip, 23 for 6 furrow w/spring trip Hex, 5/8"-11 x 7 1/2", G5

1шт.

18779

1шт.

614452R1

WASHER

.406 x 1.250 x .090

2шт.

120382

LOCK WASHER,Helical Spring, 3/8"

WASHER, LOCK, 3/8"

1шт.

120377

NUT,3/8" - 16, Gr 5

1шт.

18551R1

BOLT,Hex, 5/8" - 11 x 8", Gr 5

SCREW, 5/8-11 x 8 hex-hd cap, 1 for spring trip, 9 for 4 furrow w/automatic trip, 11 for 5 furrow w/automatic trip, 13 for 6 furrow w/automatic trip

1шт.

473211R1

LOCK NUT,5/8"-11, GB

NUT, 5/8-11 cdp 2-way hex. lock, 1 per screw

1шт.

5

56589C1

CONNECTOR, ELEC

CONNECTOR, pull beam top, for 4.5 and 6 furrow 16 in., replaces 541095R1 by also ordering connector, 56590R1

1шт.

5

CONNECTOR, pull beam bottom, for 4.5 and 6 furrow 16 in., replaces 541096R1 by also ordering connector, 56589C1

1шт.

6

56592C1

CONNECTOR, ELEC

CONNECTOR, pull beam top, for 4.5 and 6 furrow 18 in., replaces 541109R1 by also ordering connector, 56593C1

1шт.

6

56593C1

CONNECTOR, ELEC

CONNECTOR, pull beam bottom, for 4, 5 and 6 furrow 18 in., replaces 541110R1 by also ordering connector, 56592C1

1шт.

17287R1

BOLT,Hex, 3/4" - 10 x 7 1/2", Gr 5

SCREW, 3/4-10 x 7-1/2 hex-hd cap

6шт.

473244R1

LOCK NUT,3/4"-10, GB

NUT, 3/4-10 cdp hex. lock

6шт.

7

61924C2

FRAME

1шт.

FRAME ASSY, 6 in. pull, order 122701C1, replaces 543203R1 by also ordering the following, (1) mounting 56594C2, (2) screws 22465R1, (2) washers 131047, (2) nuts 220087, (1) bar 482809R1, (3) screws 17242R1, items listed above are used for attaching 6 in. pull frame to 5-1/2 in. main frame

1шт.

7

122701C1

FRAME

ASSY, 6 in. pull

1шт.

8

543245R1

BAR

tie rod extension, for 6 furrow 16 in.

1шт.

8

543246R1

BAR

tie rod extension, for 6 furrow 18 in.

1шт.

21950R1

HEADED PIN,3/4" x 2 1/2"

PIN, 3/4 x 2-1/2 C-Z std-hd

3шт.

217973

COTTER PIN,1/4" x 1 1/4"

Pin, Split (Cotter), 1/4" x 1-1/4"

3шт.

9

56594C2

FRAME

MOUNTING, pull frame, replaces 541103R2

1шт.

10

541104R2

SPACER

frame mtg

1шт.

87337

BOLT,Hex, 3/4" - 10 x 3", Gr 5

2шт.

87340

LOCK WASHER,Helical Spring, 0.759" ID, CST, ZND

WASHER, LOCK, 3/4"

2шт.

280954

NUT,3/4"-10, G5

2шт.

22832R1

BOLT,Hex, 7/8" - 9 x 8 1/2", Gr 5

SCREW, 7/8-9 x 8-1/2 znd hex-hd cap

2шт.

131047

WASHER,7/8"

7/8"

2шт.

425-1014

NUT,7/8"-9, G5

NUT, 7/8"-9, G5

2шт.

11

543266R2

BAR

SPREADER, frame, for plows w/out welded spreader

1шт.

413-1240

BOLT,Hex, 3/4" - 10 x 2-1/2", Gr 5

Hex, 3/4"-10 x 2-1/2", G5

1шт.

473244R1

LOCK NUT,3/4"-10, GB

NUT, 3/4-10 cdp hex. lock

4шт.

12

471301R2

ANGLE

MOUNTING, hose clamp

2шт.

13

541111R1

BAR

stand

1шт.

14

541112R1

HANDLE

stand

1шт.

15369R1

CARRIAGE BOLT,Sq Nk, 3/4" - 10 x 7 1/2", Gr 2

BOLT, 3/4-10 x 7-1/2 sq-nk crg

1шт.

15

541113R1

ROD ASSY, inside frt steering

1шт.

22804R1

HEADED PIN,1/2" x 2 1/2"

PIN, 1/2 x 2-1/2 C-Z std-hd

1шт.

18481R1

COTTER PIN,3/16" x 1"

PIN, SPLIT (COTTER), 3/16" x 1"

1шт.

16

56506C1

TUBE

ASSY, outside frt steering, for 4 furrow 16 and 18 in.

1шт.

16

491329R1

TUBE ASSY, outside frt steering, for 5 and 6 furrow 16 in.

1шт.

16

543267R1

TUBE ASSY, outside frt steering, for 5 and 6 furrow 18 in.

1шт.

21823R1

PIN,3/4" x 2 3/4"

3/4 x 2-3/4 std-hd

1шт.

21645R1

PIN, 1/4 x 1-3/8 C-Z cot.

1шт.

413-1256

BOLT,Hex, 3/4" - 10 x 3-1/2", Gr 5

SCREW, 3/4-10 x 3-1/2 hex-hd

2шт.

522473R1

WASHER

.766 x 1.75 x .125 ht

2шт.

21621R1

LOCK NUT,3/4"-10

NUT, 3/4-10 nylon insert

2шт.

17

543269R1

ARM

ASSY, front steering

1шт.

22218R1

SCREW

5/8-11 x 1-1/4 C-Z sq-hd cup-pt set

1шт.

124847

COLLAR

5/8-11 znd hex. jam

1шт.

18

541165R1

TURNBUCKLE

ASSY, tie rod RH

1шт.

18

541166R1

TURNBUCKLE

ASSY, tie rod LH

1шт.

19

541171R1

ROD

tie, for 5 and 6 furrow 16 in.

1шт.

19

541170R1

ROD

tie, for 5 and 6 furrow 18 in.

1шт.

Выбрано товаров: 70