Запчасти Case IH 720 (9-52) - REAR FURROW WHEEL, CONTINUED (09) - CHASSIS/ATTACHMENTS

Схема запчастей Case IH 720 - (9-52) - REAR FURROW WHEEL, CONTINUED (09) - CHASSIS/ATTACHMENTS
FIT
1:1
100%

Артикул

Название

Примечание

Количество

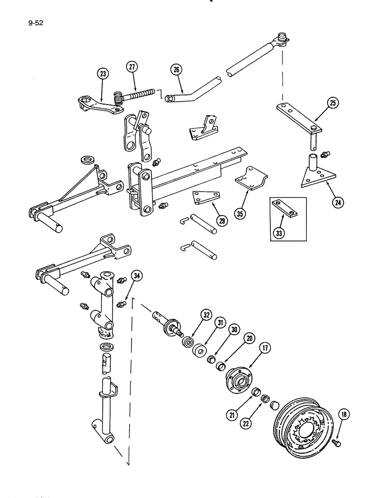
17

465493R2

HUB

- wheel, 6 bolt

1шт.

18

549962R1

BOLT,1 1/2" - 20 x 1 1/2", Class 3

- hex conical, 1/2 NF x 1-5/32 inch

6шт.

20

G57451

BEARING, CUP

CUP - bearing, inner

1шт.

21

371883R1

BEARING CUP

Outer

1шт.

22

371882R91

ROLLER BEARING,20.64mm ID x 49.23mm OD x 19.84mm W

Outer

1шт.

23

482815R92

ARM

ASSEMBLY - rear steering

1шт.

413-1256

BOLT,Hex, 3/4" - 10 x 3-1/2", Gr 5

1шт.

21621R1

LOCK NUT,3/4"-10

NUT - lock, 3/4 inch

1шт.

24

489852R2

BAR

ASSEMBLY - steering (18 inch bottoms)

1шт.

24

482817R92

SUPPORT

BAR ASSEMBLY - steering (16 inch bottoms)

1шт.

24

61238C1

PIVOT

ASSEMBLY - steering (5 and 6 furrow 20 inch)

1шт.

424-12120

BOLT,Hex, 3/4" - 10 x 7-1/2", Gr 2

- hex, 3/4 NC x 7-1/2 inch, Grade 2

2шт.

413-12128

BOLT,Hex, 3/4" - 10 x 8", Gr 5

- hex, 3/4 NC x 8 inch (4 and 5 furrow on the land plows)

2шт.

131-1131

LOCK NUT,3/4"-10, GA

NUT - hex lock, 3/4 inch NC

2шт.

25

482820R91

ARM

BAR ASSEMBLY - center steering arm

1шт.

495-81205

WASHER,32.54mm ID x 50.8mm OD x 1.7mm Thk

- flat, 1-9/32 x 2 x 3/64 inch

1шт.

432-1628

COTTER PIN,1/4" x 1 3/4"

Pin, Split (Cotter), 1/4" x 1 3/4"

1шт.

26

489856R1

TUBE

ASSEMBLY - rear steering (4, 5 and 6 furrow 16 and 18 inch)

1шт.

26

61244C1

TUBE,2656 mm Length

ASSEMBLY - rear steering (5 and 6 furrow 20 inch)

1шт.

413-1256

BOLT,Hex, 3/4" - 10 x 3-1/2", Gr 5

1шт.

522473R1

WASHER

- flat, 49/64 x 1-3/4 x 1/8 inch

1шт.

21621R1

LOCK NUT,3/4"-10

NUT - lock, 3/4 inch

1шт.

27

489858R2

LINK ASSY.

LINK ASSEMBLY - front adjustable

1шт.

516773R1

NUT

- hex, 1 inch

1шт.

413-1264

BOLT,Hex, 3/4" - 10 x 4", Gr 5

- hex, 3/4 NC x 4 inch

1шт.

522473R1

WASHER

- flat, 49/64 x 1-3/4 x 1/8 inch

2шт.

21621R1

LOCK NUT,3/4"-10

NUT - lock, 3/4 inch

2шт.

29

547219R1

BAR

- cylinder reinforcement (Replaced by 482807R92)

1шт.

426-12192

BOLT,Hex, 3/4" - 10 x 12", Gr 8

- hex, 3/4 x 12 inch

3шт.

131-1131

LOCK NUT,3/4"-10, GA

NUT - hex lock, 3/4 inch NC

3шт.

30

G57452

ROLLER BEARING

CONE - bearing, inner

1шт.

31

667564R1

RING

- oil seal wear

1шт.

32

667599R92

SEAL

- oil

1шт.

33

484993R1

BAR

- tie strap (4, 5 and 6 furrow 20 inch and 7 furrow)

1шт.

413-1028

BOLT,Hex, 5/8" - 11 x 1-3/4", Gr 5

- hex, 5/8 NC x 1-3/4 inch

1шт.

473211R1

LOCK NUT,5/8"-11, GB

NUT - hex lock, 5/8 inch NC

1шт.

34

219-93

LUBE NIPPLE,90 Degree Elbow, 1/4" - 28 NPTF

1шт.

35

61038C1

ANCHOR

- tie rod rear (5 and 6 furrow 16 and 18 inch)

1шт.

413-1028

BOLT,Hex, 5/8" - 11 x 1-3/4", Gr 5

- hex, 5/8 NC x 1-3/4 inch

2шт.

473211R1

LOCK NUT,5/8"-11, GB

NUT - hex lock, 5/8 inch NC

2шт.

Выбрано товаров: 40