Запчасти Case IH 730 (9-02) - MAIN FRAME, BUILT AFTER 1980

Схема запчастей Case IH 730 - (9-02) - MAIN FRAME, BUILT AFTER 1980
FIT
1:1
100%

Артикул

Название

Примечание

Количество

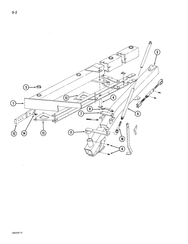
1

97618C91

FRAME

- main, with caution decals (4 furrow) (Replaces 122918C91)

1шт.

1

97619C91

FRAME

- main, with caution decals (5 furrow) (Replaces 131582C91)

1шт.

3

122657C1

SPACER

- pivot bracket (4 furrow)

3шт.

3

122657C1

SPACER

- pivot bracket (5 furrow)

4шт.

413-860

BOLT,Hex, 1/2" - 13 x 3-3/4", Gr 5

(4 furrow) Hex, 1/2"-13 x 3 3/4", G5

3шт.

413-860

BOLT,Hex, 1/2" - 13 x 3-3/4", Gr 5

(5 furrow) Hex, 1/2"-13 x 3 3/4", G5

4шт.

474848R1

LOCK NUT,1/2"-13, GB

NUT - hex lock, 1/2 inch NC (4 furrow)

3шт.

474848R1

LOCK NUT,1/2"-13, GB

NUT - hex lock, 1/2 inch NC (5 furrow)

4шт.

495-81233

WASHER,2 17/32" x 3 1/2" x .060"

- flat, 2-17/32 x 3-1/2 x 3/64 inch (4 furrow)

3шт.

495-81233

WASHER,2 17/32" x 3 1/2" x .060"

- flat, 2-17/32 x 3-1/2 x 3/64 inch (5 furrow)

4шт.

4

224131C1

PIN

- pull frame

1шт.

495-81206

WASHER,32.54mm ID x 63.5mm OD x 3.4mm Thk

- flat, 1-9/32 x 2-1/2 x 7/64 inch

2шт.

19499R1

LOCK NUT,1 1/4"-12, G5

NUT - hex lock, 1-1/4 inch NF

1шт.

5

122934C1

FRAME

- pull

1шт.

6

86636814

LUBE NIPPLE,1/4"-28 x .52" lg

FITTING - grease, straight, 1/4 inch NF

2шт.

7

122941C1

BAR

- spreader clip

1шт.

8

131595C1

CLAMP

- hose

1шт.

413-1084

BOLT,Hex, 5/8" - 11 x 5-1/4", Gr 5

- hex, 5/8 x 5-1/4 inch

1шт.

413-1096

BOLT,Hex, 5/8" - 11 x 6", Gr 5

- hex, 5/8 NC x 6 inch

1шт.

413-1080

BOLT,Hex, 5/8" - 11 x 5", Gr 5

1шт.

492-11062

BEARING WASHER,5/8"

WASHER, LOCK, 5/8"

1шт.

425-1010

NUT,5/8"-11, G5

1шт.

9

122952C1

ROD

- front steering (4 furrow)

1шт.

9

131593C2

ROD

front steering, 5 furrow, 4742 mm

1шт.

516773R1

NUT

- hex, 1 inch NC

1шт.

10

489858R2

LINK ASSY.

LINK - steering

1шт.

413-1256

BOLT,Hex, 3/4" - 10 x 3-1/2", Gr 5

1шт.

22244R1

LOCK NUT

- hex lock, 3/4 inch NC

1шт.

522473R1

WASHER

- flat, 49/64 x 1-3/4 x 1/8 inch

1шт.

11

543269R1

ARM

- front steering

1шт.

485-16220

SET SCREW,Sq Hd, 5/8"-11 x 1 1/4"

SCREW - set, square head cup point, 5/8 NC x 1-1/4 inch

1шт.

425-1410

JAM NUT,Jam, 5/8"-11, G5

- hex, jam, 5/8 inch NC

1шт.

12

122750C1

SUPPORT

BAR - colter (4 furrow)

4шт.

12

122750C1

SUPPORT

BAR - colter (5 furrow)

5шт.

426-1244

BOLT,Hex, 3/4" - 10 x 2-3/4", Gr 8

- hex, 3/4 NC x 2-3/4 inch, Grade 8 (4 furrow)

8шт.

426-1244

BOLT,Hex, 3/4" - 10 x 2-3/4", Gr 8

- hex, 3/4 NC x 2-3/4 inch, Grade 8 (5 furrow)

10шт.

131-1131

LOCK NUT,3/4"-10, GA

NUT - hex lock, 3/4 inch NC (4 furrow)

8шт.

131-1131

LOCK NUT,3/4"-10, GA

NUT - hex lock, 3/4 inch NC (5 furrow)

10шт.

13

131867C1

PLATE

- parallel (4 furrow)

3шт.

13

131867C1

PLATE

- parallel (5 furrow)

4шт.

14

131607C1

SUPPORT

- pointer angle

1шт.

413-1232

BOLT,Hex, 3/4" - 10 x 2", Gr 5

- hex, 3/4 NC x 2 inch (4 furrow)

6шт.

413-1232

BOLT,Hex, 3/4" - 10 x 2", Gr 5

- hex, 3/4 NC x 2 inch (5 furrow)

8шт.

131-1131

LOCK NUT,3/4"-10, GA

NUT - hex lock, 3/4 inch NC (4 furrow)

6шт.

131-1131

LOCK NUT,3/4"-10, GA

NUT - hex lock, 3/4 inch NC (5 furrow)

8шт.

FOOTNOTE

1шт.

Ref #9A - 131593C2 (should be 4742 MM) 06/28/96

1шт.

Выбрано товаров: 47