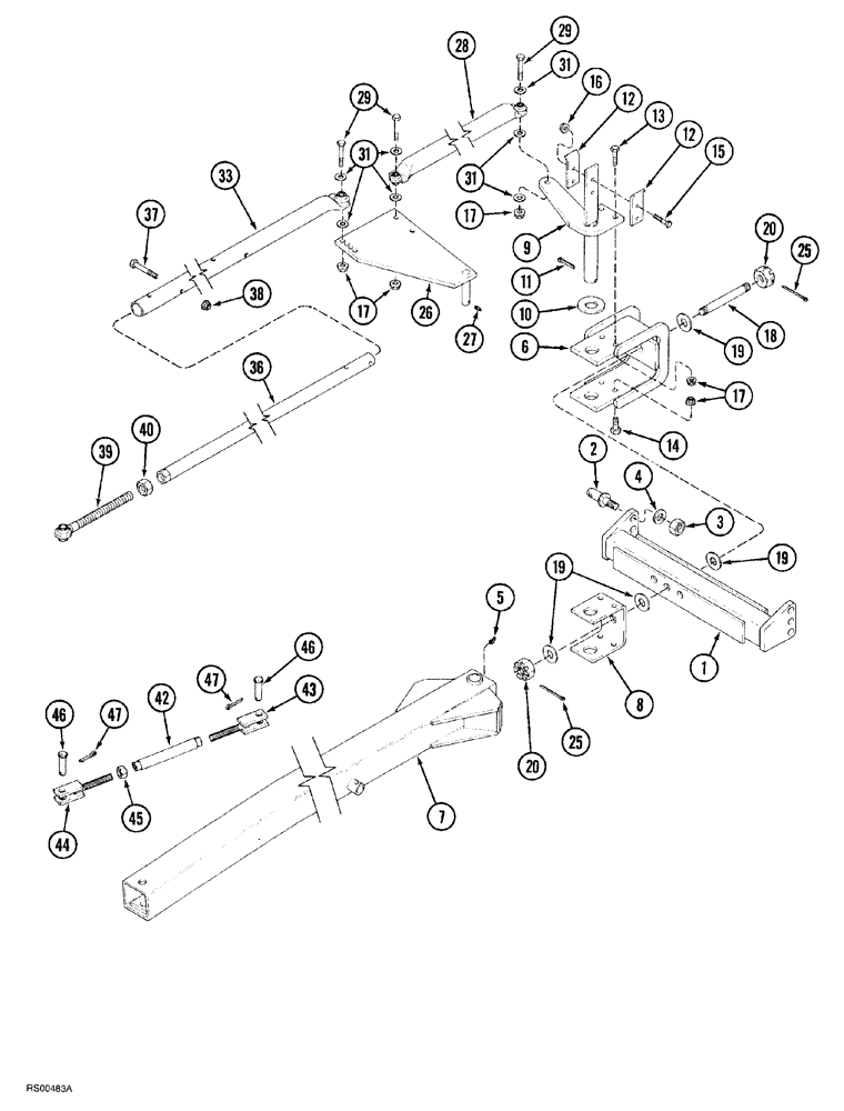
Запчасти Case IH 7500 (09-07) - HITCH AND STEERING LINKAGE, ON THE LAND PLOWS (09) - CHASSIS/ATTACHMENTS

Схема запчастей Case IH 7500 - (09-07) - HITCH AND STEERING LINKAGE, ON THE LAND PLOWS (09) - CHASSIS/ATTACHMENTS
31
5
1
17
19
8
47
29
40
47
37
43
25
31
26
20
46
11
4
42
33
7
12
27
13
17
18
17
25
46
29
14
2
38
44
16
6
15
19
36
45
31
28
20
3
19
12
39
9
10
FIT
1:1
100%

Артикул

Название

Примечание

Количество

1

1978671C1

BAR ASSY.

category II

1шт.

1

1978673C1

CROSSBAR

category III (Shown)

1шт.

2

472790R2

STUD

hitch (Category II)

2шт.

2

483659R2

STUD

(Category III) (Shown)

2шт.

3

425-1118

NUT,1 1/8"-12, G5

hex, 1-1/8 inch NF

2шт.

4

496-11119

WASHER,1 3/16" x 2 1/4" x .134" HDN

flat, 1-3/16 x 2-1/4 x 9/64 inch, hardened

2шт.

5

219-90

LUBE NIPPLE,45 Degree Elbow, 1/4" -28 NPTF

grease, 45 degree, 1/4-28 special taper x 13/16 inch

1шт.

6

1986286C1

YOKE

UNIVERSAL JOINT YOKE crossbar

1шт.

7

1969344C1

FRAME

Pull (See Fig. 09-02)

1шт.

8

1986291C1

BAR

yoke

1шт.

9

1986282C1

ARM

hitch

1шт.

10

488175R1

WASHER

flat

1шт.

11

432-2448

COTTER PIN,3/8" x 3"

3/8" x 3"

1шт.

12

58644C1

HOLDER

hydraulic hose

2шт.

13

413-1260

BOLT,Hex, 3/4" - 10 x 3-3/4", Gr 5

2шт.

14

413-1228

BOLT,Hex, 3/4" - 10 x 1-3/4", Gr 5

2шт.

15

413-848

BOLT,Hex, 1/2" - 13 x 3", Gr 5

hex, 1/2 NC x 3 inch

2шт.

16

231-4118

LOCK NUT,1/2"-13, GB

hex, self locking, 1/2 inch NC

2шт.

17

231-42112

NUT,3/4"-10, GB

hex, self locking, 3/4 inch NC

8шт.

18

1986293C1

PIN

pivot

1шт.

19

495-81207

WASHER,1.28" ID x 2.5" OD x 0.06" Thk

flat, 1-9/32 x 2-1/2 x 1/16 inch

4шт.

20

519250R1

SLOTTED NUT

hex, slotted, 1-1/4 inch NF

2шт.

25

432-832

COTTER PIN,1/8" x 2"

1/8" x 2"

2шт.

26

1986173C1

PLATE

center steering

1шт.

27

219-87

LUBE NIPPLE,1/4" - 28 NPTF

1шт.

28

1976226C1

TUBE

front steering

1шт.

29

413-1252

BOLT,Hex, 3/4" - 10 x 3-1/4", Gr 5

hex, 3/4 NC x 3-1/4 inch

4шт.

31

522473R1

WASHER

flat, 49/64 x 1-3/4 x 1/8 inch

8шт.

33

1986171C1

TUBE

center steering, outside (5 furrow)

1шт.

33

1256894C1

TUBE,2296 mm Length

center steering, outside (6 and 7 furrow)

1шт.

36

1256871C1

TUBE,1100 mm Length

steering, inside rear

1шт.

37

426-840

BOLT,Hex, 1/2" - 13 x 2-1/2", Gr 8

2шт.

38

231-4118

LOCK NUT,1/2"-13, GB

hex, self locking, 1/2 inch NC

2шт.

39

489858R2

LINK ASSY.

adjusting

1шт.

40

425-1016

NUT,1"-8, G5

Hex

1шт.

42

480249R1

TRUSS ROD

landing yoke

1шт.

43

1344919C1

CLEVIS

turnbuckle, left hand thread

1шт.

44

1344920C1

CLEVIS

turnbuckle, right hand thread

1шт.

45

425-1016

NUT,1"-8, G5

Hex

1шт.

46

439-51644

HEADED PIN,1" x 2 3/4", G5

headed, 1 x 2-3/4 inch

2шт.

47

432-1624

COTTER PIN,1/4" x 1 1/2"

2шт.

Выбрано товаров: 41