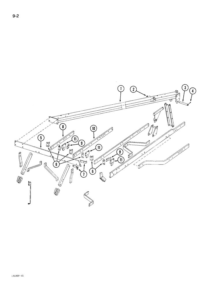
Запчасти Case IH 770 (9-02) - MAIN FRAME

Схема запчастей Case IH 770 - (9-02) - MAIN FRAME
11
6
9
9
10
6
11
5
2
4
11
7
8
1
3
FIT
1:1
100%

Артикул

Название

Примечание

Количество

1

112515C91

FRAME

ASSEMBLY - main, 5 furrow

1шт.

1

112516C91

FRAME

ASSEMBLY - main, 6 furrow

1шт.

2

219-8

LUBE NIPPLE,1/4" - 28 NPTF

NIPPLE, LUBE, , straight, taper 1/4"-28 NPT x .54" lg

1шт.

3

482806R2

BAR

- lower

1шт.

495-81205

WASHER,32.54mm ID x 50.8mm OD x 1.7mm Thk

- flat, 1-9/32 x 2 x 3/64 inch

1шт.

432-2430

COTTER PIN,3/8" x 1 7/8"

Pin, Split (Cotter), 3/8" x 1 7/8"

1шт.

4

471323R1

LINCH PIN

PIN - pivot lock

1шт.

495-81039

WASHER,25/32" x 1 1/4" x .120"

- flat, 25/32 x 1-1/4 x 7/64 inch

5шт.

22909R1

HEADED PIN,3/4" x 3"

PIN - clevis, 3/4 x 3 inch

1шт.

28676R1

SPACER

- 3/4 ID x 1 inch

1шт.

432-1622

COTTER PIN,1/4" x 1 3/8"

Pin, Split (Cotter), 1/4" x 1 3/8"

1шт.

413-10104

BOLT,Hex, 5/8" - 11 x 6-1/2", Gr 5

- hex, 5/8 NC x 6-1/2 inch

1шт.

413-1096

BOLT,Hex, 5/8" - 11 x 6", Gr 5

- hex, 5/8 NC x 6 inch

1шт.

112831C1

WASHER

WASHER - frame

1шт.

473211R1

LOCK NUT,5/8"-11, GB

NUT - hex lock, 5/8 inch NC

1шт.

5

547876R3

BAR

SPREADER - frame, 5 furrow

1шт.

5

547877R3

SLINGER

SPREADER - frame, 6 furrow

1шт.

113-604

BOLT,Hex, 5/8" - 11 x 2", Gr 5

1шт.

492-11062

BEARING WASHER,5/8"

WASHER, LOCK, 5/8"

1шт.

425-1010

NUT,5/8"-11, G5

1шт.

6

547878R1

ANGLE

- spreader (5 furrow)

4шт.

6

547878R1

ANGLE

- spreader (6 furrow)

6шт.

113-626

BOLT,Hex, 5/8" - 11 x 2-1/2", Gr 5

1шт.

492-11062

BEARING WASHER,5/8"

WASHER, LOCK, 5/8"

1шт.

425-1010

NUT,5/8"-11, G5

1шт.

7

547879R1

CLIP

- spreader

2шт.

113-620

BOLT,Hex, 5/8" - 11 x 2-1/4", Gr 5

- hex, 5/8 NC x 2-1/4 inch

4шт.

492-11062

BEARING WASHER,5/8"

WASHER, LOCK, 5/8"

4шт.

425-1010

NUT,5/8"-11, G5

4шт.

8

547880R1

RAIL

- second

1шт.

9

547881R1

STRAP

- hitch

2шт.

113-730

BOLT,Hex, 3/4" - 10 x 2-3/4", Gr 5

- hex, 3/4 NC x 2-3/4 inch

1шт.

413-1256

BOLT,Hex, 3/4" - 10 x 3-1/2", Gr 5

1шт.

326-1264

BOLT,Hex, 3/4" - 10 x 4", Gr 8

1шт.

192-27

LOCK WASHER,3/4"

WASHER, LOCK, 3/4"

3шт.

129-108

NUT,3/4"-10, G5

3шт.

113-626

BOLT,Hex, 5/8" - 11 x 2-1/2", Gr 5

1шт.

492-11062

BEARING WASHER,5/8"

WASHER, LOCK, 5/8"

1шт.

425-1010

NUT,5/8"-11, G5

1шт.

10

547882R1

RAIL

- third

1шт.

11

1284322C1

PLATE

- furrow axle

2шт.

113-730

BOLT,Hex, 3/4" - 10 x 2-3/4", Gr 5

- hex, 3/4 NC x 2-3/4 inch

1шт.

413-1256

BOLT,Hex, 3/4" - 10 x 3-1/2", Gr 5

1шт.

413-1236

BOLT,Hex, 3/4" - 10 x 2-1/4", Gr 5

- hex, 3/4 NC x 2-1/4 inch

1шт.

192-27

LOCK WASHER,3/4"

WASHER, LOCK, 3/4"

1шт.

129-108

NUT,3/4"-10, G5

1шт.

113-620

BOLT,Hex, 5/8" - 11 x 2-1/4", Gr 5

- hex, 5/8 NC x 2-1/4 inch

1шт.

492-11062

BEARING WASHER,5/8"

WASHER, LOCK, 5/8"

1шт.

425-1010

NUT,5/8"-11, G5

1шт.

Выбрано товаров: 49