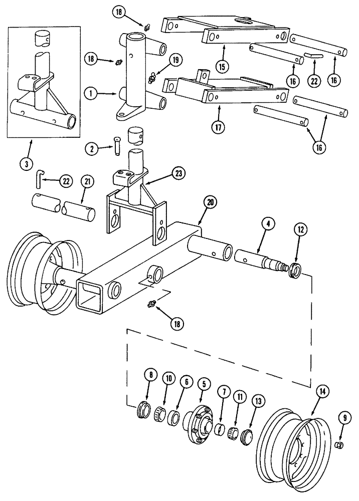
Запчасти Case IH 800 (9-07) - LAND WHEEL, FOR 14 AND 16 FURROW (09) - CHASSIS/ATTACHMENTS

Схема запчастей Case IH 800 - (9-07) - LAND WHEEL, FOR 14 AND 16 FURROW (09) - CHASSIS/ATTACHMENTS
10
9
6
15
17
19
18
14
4
16
22
23
1
7
3
16
22
12
5
16
18
11
8
13
21
2
20
18
FIT
1:1
100%

Артикул

Название

Примечание

Количество

1

61017C1

HOUSING

- dual wheel

1шт.

86632584

WASHER,1.53" ID x 2.25" OD x 0.12" Thk

- flat, 1-17/32 x 2-1/4 x 3/32 inch

2шт.

2

486762R1

PIN

- lockout

1шт.

1978738C1

HAIR PIN COTTER

1шт.

3

122570C1

POST

ASSEMBLY - wheel

1шт.

495-81232

WASHER,2.53" ID x 3.25" OD x 0.07" Thk

- flat, 2-17/32 x 3-1/4 x 3/64 inch

1шт.

432-3248

COTTER PIN,1/2" x 3"

Pin, Split (Cotter), 1/2" x 3"

3шт.

413-864

BOLT,Hex, 1/2" - 13 x 4", Gr 5

- hex, 1/2 NC x 4 inch

2шт.

231-4218

LOCK NUT,1/2"-13, GB

NUT - hex lock, 1/2 inch NC

2шт.

131780C91

KIT

PACKAGE - hub and spindle, Inc. 4 - 13

1шт.

No Longer Available, Order Components

1шт.

4

131779C1

SPINDLE

- wheel

1шт.

936727R1

WASHER,26.16mm ID x 56.9mm OD x 6.35mm Thk

- flat, 1-1/32 x 2-1/4 x 1/4 inch

1шт.

425-1316

NUT,1"-14, G5

NUT - hex slotted, 1 inch NF

1шт.

87673

COTTER PIN,1/8" x 1 3/4"

PIN, SPLIT (COTTER), 1/8" x 1 3/4"

1шт.

413-872

BOLT,Hex, 1/2" - 13 x 4-1/2", Gr 5

- hex, 1/2 NC x 4-1/2 inch

1шт.

231-4218

LOCK NUT,1/2"-13, GB

NUT - hex lock, 1/2 inch NC

1шт.

5

169293C11

HUB

ASSEMBLY - wheel

1шт.

6

625743C1

BEARING CUP,90mm OD x 18.5mm W

CUP - bearing, inner

1шт.

7

663558R1

BEARING CUP

CUP - bearing, outer

1шт.

8

169328C1

SLEEVE

RING - oil seal

1шт.

9

554480R1

WHEEL NUT

- wheel mounting, 5/8 inch NF

8шт.

366021R2

BOLT,Round, 5/8" - 18 x 2 1/4"

- wheel, 5/8 inch NF

8шт.

10

A61447

ROLLER BEARING,2.1651" ID x 0.9045" Thk

CONE - bearing, inner

1шт.

11

663557R91

BEARING ASSY,1.625" ID x 2.892" OD x 0.77"

CONE - bearing, outer

1шт.

12

169329C91

OIL SEAL,63.3mm ID x 95.81mm OD x 8mm Thk

- hub oil

1шт.

13

86900188

CAP

- hub

1шт.

14

534362R1

WHEEL

- 15 inch, 8 bolt

2шт.

810769C1

VALVE

- tubeless tire, steel

1шт.

15

131839C1

LINK

ASSEMBLY - upper

1шт.

16

131840C1

PIN

- link

4шт.

432-2436

COTTER PIN,3/8" x 2 1/4"

Pin, Split (Cotter), 3/8" x 2 1/4"

4шт.

17

131838C3

LINK ASSY.

LINK ASSEMBLY - lower

1шт.

18

219-87

LUBE NIPPLE,1/4" - 28 NPTF

NIPPLE, LUBE, 1/4"-28 x .56" lg, Self-Tap

4шт.

19

219-93

LUBE NIPPLE,90 Degree Elbow, 1/4" - 28 NPTF

1шт.

20

224149C1

SUPPORT

MOUNTING ASSEMBLY - wheel, used with bogie wheels

1шт.

21

224044C1

PIN

- wheel pivot

1шт.

432-2444

COTTER PIN,3/8" x 2 3/4"

Pin, Split (Cotter), 3/8" x 2 3/4"

1шт.

22

491601R3

PIN

- pivot lock

4шт.

495-81097

WASHER,51.59mm ID x 69.85mm OD x 2.29mm Thk

- flat, 2-1/32 x 2-3/4 x 1/16 inch

3шт.

432-2436

COTTER PIN,3/8" x 2 1/4"

Pin, Split (Cotter), 3/8" x 2 1/4"

2шт.

23

224152C1

POST

ASSEMBLY - wheel

1шт.

495-81232

WASHER,2.53" ID x 3.25" OD x 0.07" Thk

- flat, 2-17/32 x 3-1/4 x 3/64 inch

1шт.

432-3248

COTTER PIN,1/2" x 3"

Pin, Split (Cotter), 1/2" x 3"

1шт.

413-864

BOLT,Hex, 1/2" - 13 x 4", Gr 5

- hex, 1/2 NC x 4 inch

2шт.

231-4218

LOCK NUT,1/2"-13, GB

NUT - hex lock, 1/2 inch NC

2шт.

Выбрано товаров: 46