Запчасти Case IH 9000 SERIES (35.100.01) - HYDRAULIC SYSTEM (35) - HYDRAULIC SYSTEMS

Схема запчастей Case IH 9000 SERIES - (35.100.01) - HYDRAULIC SYSTEM (35) - HYDRAULIC SYSTEMS
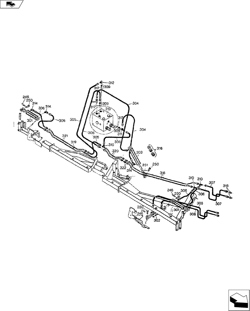
313
308
320
301
316
318
321
309
310
305
305
314
309
322
315
307
306
314
250
311
251
305
302
319
309
246
303
250
308
317
310
317
306
314
301
250
312
307
246
306
250
304
246
310
317
304
305
306
FIT
1:1
100%

Артикул

Название

Примечание

Количество

301

25030081

HYDRAULIC CYLINDER

3" x 8" Assy.

2шт.

302

25035080

HYDRAULIC CYLINDER

3-1/2" x 8" Stroke

1шт.

303

25035161

3-1/3" x 16"

1шт.

304

25600849

1/2" - 1/2 NPTM 7/8" - 14 JICF x 48" Lg.

2шт.

305

25600840

1/2" - 7/8" JICM x 7/8 JICF x 40" Lg.

4шт.

306

25600860

1/2" W/1/2" NPTM 7/8" - 14 JICM x 60" Lg.

4шт.

307

25600897

HOSE

1/2" Hyd. w/1/2" NPT 7/8" - JICF x 162" Lg.

2шт.

308

25600696

3/8" W/1/2" NPT 3/8 NPT x 186" Lg.

2шт.

309

25708809

Ref. 8 SAE St. Thread 7/8" - 14 JICM

4шт.

310

25708803

(2) 7/8" - 14 JICM & (1) 7/8" - 14 JICF

3шт.

311

25700810

(2) 7/8" - 14 JICM & (1) 7/8" - 14 JICF

1шт.

312

25708811

90 Elbow 7/8" - 14

1шт.

313

25403765

1шт.

314

15000501

1/2"

3шт.

315

25705031

2шт.

316

25800010

CYLINDER

Control Segment

1шт.

317

NSS

NOT SOLD SEPARAT

O-Ring

3шт.

318

25650805

Front

2шт.

319

22531001

5/8"

18шт.

320

25650804

1-Bottom Extension

2шт.

321

25650803

2-Bottom Extension Hyd. Line

2шт.

322

25708802

7/8 - 14 JICM x 7/8" - 14 JICM

2шт.

Выбрано товаров: 22