Запчасти Case IH JTA-SERIES (32) - FRONT AXLE AND WHEELS, ON LAND HITCH

Схема запчастей Case IH JTA-SERIES - (32) - FRONT AXLE AND WHEELS, ON LAND HITCH
FIT
1:1
100%

Артикул

Название

Примечание

Количество

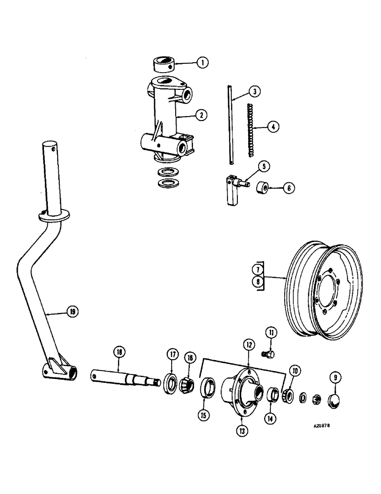
1

T36833

COLLAR - axle (YR. - 68-)

1шт.

13-856

BOLT,Hex, 1/2" - 13 x 3-1/2", Gr 5

1шт.

92-8

LOCK WASHER,1/2"

1шт.

25-108

NUT,1/2"-13, G5

- 1/2" N.C. hex.

1шт.

2

T2126

HOUSING - axle (YR. - 68-)

1шт.

219-1

LUBE NIPPLE,1/8" - 27 NPTF

FITTING - grease, 1/8"

4шт.

3

T37185

ROD - spring (YR. - 68-)

1шт.

4

T51439

SPRING (YR. - 68-)

1шт.

5

T37677

PIN

- lock (YR. - 68-)

1шт.

195-541

WASHER,5/8", SAE

- 1-5/16" x 21/32" x #10 ga.

1шт.

132-92

COTTER PIN,3/16" x 1 1/8"

Pin, Split (Cotter), 3/16" x 1 1/8"

1шт.

132-95

COTTER PIN,3/16" x 1 1/2"

Pin, Split (Cotter), 3/16" x 1 1/2"

1шт.

6

T37679

ROLLER (YR. - 68-70)

1шт.

6

T51099

ROLLER (YR. - 70-)

1шт.

7

V13989

GEAR

WHEEL - 15" (YR. - 68-)

1шт.

8

T25842

RIM

WHEEL - 14" (YR. - 68-)

1шт.

9

G47038

CAP

- hub (YR. - 68-69)

1шт.

9

T30029

HUB CAP

CAP - hub (YR. - 70-)

1шт.

10

A30611

ROLLER BEARING

CONE - outer (YR. - 68-69)

1шт.

10

A29976

ROLLER BEARING

CONE - outer (YR. - 70-)

1шт.

11

A30064

BOLT

- wheel (YR. - 68-)

6шт.

12

T28066

HUB

ASSEMBLY (YR. - 68-69)

1шт.

12

T30011

HUB

- w/cups (YR. - 70-)

1шт.

13

NSS

NOT SOLD SEPARAT

HUB (YR. - 68-69)

1шт.

13

NSS

NOT SOLD SEPARAT

HUB - wheel (YR. - 70-)

1шт.

14

A30318

BEARING, CUP

CUP - outer (YR. - 68-69)

1шт.

14

A29977

BEARING CUP

CUP - brg. outer (YR. - 70-)

1шт.

15

A29977

BEARING CUP

CUP - inner (YR. - 68-69)

1шт.

15

40421

BEARING CUP

CUP - brg. inner (YR. - 70-)

1шт.

16

T12256

TAPERED BEARING,1.375" ID x 2.717" OD x 1.0623"

CONE - inner (YR. - 68-69)

1шт.

16

T20079

ROLLER BEARING,1.625" ID x 3.1496" OD x 1.1802"

CONE - brg. inner (YR. - 70-)

1шт.

17

MTA2043S

OIL SEAL

SEAL (YR. - 68-69)

1шт.

17

T30028

SEAL

- grease (YR. - 70-)

1шт.

18

T36734

SPINDLE

(YR. - 68-69)

1шт.

195-45

WASHER,3/4"

1шт.

25-1312

SLOTTED NUT,3/4"-16, G5

NUT - 3/4" N.F.

1шт.

132-71

COTTER PIN,5/32" x 1 1/4"

PIN - cotter, 1/8" x 1-1/4"

1шт.

18

T39832

SPINDLE (YR. - 70-)

1шт.

195-49

WASHER

- 1-3/4" x 15/16" x 1/8"

1шт.

25-1314

SLOTTED NUT,7/8"-14, G5

NUT - 7/8" N.F.

1шт.

132-50

COTTER PIN,1/8" x 1 1/4"

Pin, Split (Cotter), 1/8" x 1 1/4"

1шт.

19

T36813

AXLE (YR. - 68-69)

1шт.

19

T50116

AXLE - frt. (YR. - 70-)

1шт.

195-2161

WASHER,2 5/16" x 3 1/2" x .134"

- 3-1/2" O.D. x 2-5/16" I.D. x #10 ga.

1шт.

13-848

BOLT,Hex, 1/2" - 13 x 3", Gr 5

- 1/2" x 3" N.C. hex.

1шт.

92-8

LOCK WASHER,1/2"

1шт.

25-108

NUT,1/2"-13, G5

- 1/2"

1шт.

Выбрано товаров: 47