Запчасти Case IH T-SERIES (08[1]) - PIVOT DRIVE CHAIN ASSEMBLY

Схема запчастей Case IH T-SERIES - (08[1]) - PIVOT DRIVE CHAIN ASSEMBLY
FIT
1:1
100%

Артикул

Название

Примечание

Количество

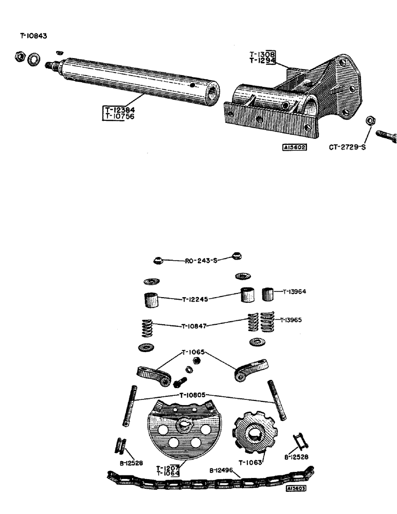
B12496

CHAIN - roller, pivot drive (6 links C2060-1-1/2" double pitch straight side bar chain) (Yr. 55-)

3шт.

B12528

LINK

- connecting, for C2060-1-1/2" double pitch roller chain (Yr. 55-)

1шт.

B12530

LINK

- roller, for C2060-1-1/2" double pitch roller chain (Yr. 55-)

1шт.

T1063

SPROCKET - pivot tube (10 tooth) (Yr. 55-)

1шт.

T1064

PLATE - chain drive (Used on T10819 jackshaft-1-1/4" -ship T80816M) (Yr. 55-56)

1шт.

T1065

ARM - anchor, chain (Yr. 55-)

2шт.

1/2" x 2-1/4" hex bolt w/lockwasher and nut

2шт.

T1207

PLATE - chain drive (Used on T12175 jackshaft - 1-3/8") (Yr. 56-)

1шт.

T10805

SCREW - adjusting, chain (11/16" rd. x 5") (Yr. 55-)

2шт.

1-3/4" x 11/16" x #10 wrot washer

2шт.

T10847

SPRING - chain relief (11/16" I.D. x 2" long, 5 coils, flat end, compression) (Pair w/T12245 spacer) (Yr. 55-57)

2шт.

T12245

SPACER - spring stop (1-1/2" rd. x 1-3/8") See T10847 (Yr. 55-57)

2шт.

T13964

SPACER - spring stop (1" rd. x 1-1/2") See T13965 (Yr. 57-)

2шт.

T13965

SPRING - chain relief (1-1/16" I.D. x 2-1/4" long, 4 coils, flat end, compression) pair w/T13964 spacer (Yr. 57-)

2шт.

T80816M

BUNDLE - conversion (Includes T12175 jackshaft and T1207 chain drive plate) (Yr. 56-)

1шт.

RO243S

LOCKNUT - adjusting screw (5/8" N.C. thin) (Yr. 55-)

2шт.

Выбрано товаров: 16