Запчасти Case IH 6814 (09-10) - GAUGE WHEEL (09) - CHASSIS/ATTACHMENTS

Схема запчастей Case IH 6814 - (09-10) - GAUGE WHEEL (09) - CHASSIS/ATTACHMENTS
11
4
6
17
23
10
18
14
21
20
16
12
22
1
5
15
13
7
3
9
1
19
8
22
FIT
1:1
100%

Артикул

Название

Примечание

Количество

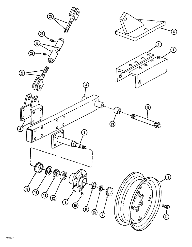
1

180702A1

ANGLE BAR

Gauge Wheel

2шт.

3

131739C1

ARM

Gauge Wheel

2шт.

4

131744C2

ANCHOR

Turnbuckle

4шт.

413-1088

BOLT,Hex, 5/8" - 11 x 5-1/2", Gr 5

Hex, 5/8 x 4-3/4

8шт.

231-42410

LOCK NUT,5/8"-11, GB

Hex, Self-locking, 5/8

8шт.

5

179624A1

SUPPORT

Turnbuckle

2шт.

426-12136

BOLT,Hex, 3/4" - 10 x 8-1/2", Gr 8

Hex, 3/4 x 8-1/2, GR8

8шт.

231-41412

NUT,3/4"-10, GB

Hex, 3/4

8шт.

6

115621A3

SPINDLE

Wheel

2шт.

469873R1

WASHER,23.01mm ID x 44.45mm OD x 3.05mm Thk

Flat, Special, 25/32 x 1/4 x 1/8

2шт.

70120D

SLOTTED NUT,7/8"-14

Hex, Special, 7/8

2шт.

432-832

COTTER PIN,1/8" x 2"

1/8" x 2"

2шт.

7

224066C1

HUB CAP

Replaces: 663906R1 Cap

2шт.

8

598999R1

RIM

WHEEL WHEEL, 10 x 15 in, use 11L-15 Tire

2шт.

810769C1

VALVE

Inflation

2шт.

9

606468R21

HUB

ASSY. Wheel

2шт.

10

219-87

LUBE NIPPLE,1/4" - 28 NPTF

2шт.

11

549962R1

BOLT,1 1/2" - 20 x 1 1/2", Class 3

Hex Conical, 1/2 NF x 1-5/32

12шт.

12

663558R1

BEARING CUP

Tapered Roller, 2-57/64 OD

2шт.

13

663557R91

BEARING ASSY,1.625" ID x 2.892" OD x 0.77"

Tapered Roller, 1-5/8 ID

2шт.

14

651817R1

BEARING CUP

Tapered Roller

2шт.

15

651818R91

ROLLER BEARING,31.77 mm ID x 16.08 mm

Tapered Roller

2шт.

16

594703R1

SLEEVE

Wear

2шт.

17

594702R91

SEAL

Oil

2шт.

18

122892C21

STUD

Arm, Gauge Wheel

2шт.

489528R1

LOCK NUT

Hex, Self-locking, 1

4шт.

19

480249R2

TURNBUCKLE

Landing Yoke

2шт.

20

1344919C3

YOKE

UNIVERSAL JOINT YOKE Turnbuckle, LH Thread

2шт.

21

1344920C3

YOKE

UNIVERSAL JOINT YOKE Turnbuckle, RH Thread

2шт.

439-51644

HEADED PIN,1" x 2 3/4", G5

Headed, 1 x 2-3/4

4шт.

432-1624

COTTER PIN,1/4" x 1 1/2"

4шт.

425-1416

JAM NUT,Jam, 1"-8, G5

Jam, Hex, 1

4шт.

22

219-17

LUBE NIPPLE,3/16" NPTF

4шт.

23

557056R1

SPACER,1" Pipe x 1"

1 in Long

2шт.

Выбрано товаров: 34