Запчасти Case IH 6814 (09-12) - TINE LEVELER ATTACHMENT (09) - CHASSIS/ATTACHMENTS

Схема запчастей Case IH 6814 - (09-12) - TINE LEVELER ATTACHMENT (09) - CHASSIS/ATTACHMENTS
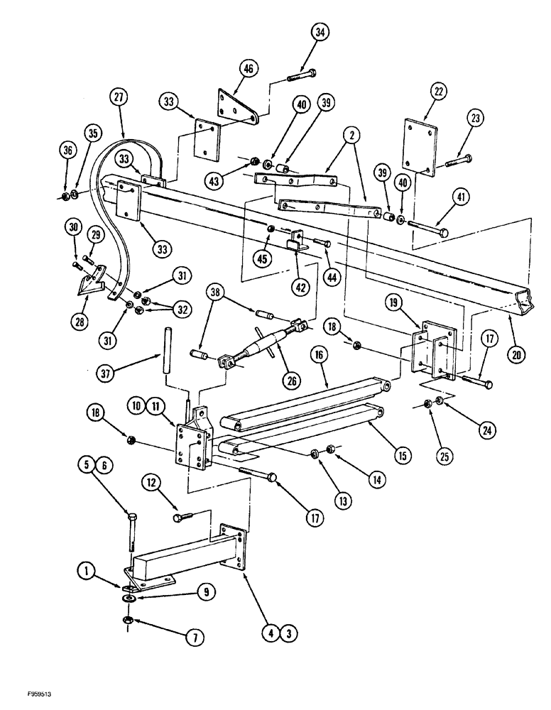
15
6
45
38
27
31
33
14
18
11
46
30
10
2
13
28
9
24
16
4
5
32
39
26
34
36
40
41
37
25
7
42
17
19
3
1
23
22
18
43
17
44
35
29
40
12
20
31
33
39
33
FIT
1:1
100%

Артикул

Название

Примечание

Количество

1

182819A1

SPACER

Mounting Block

4шт.

182821A1

BAR

Mounting, not shown

4шт.

2

184817A1

SUPPORT

ARM, Leveler Height

4шт.

3

182817A2

SUPPORT

Mounting, LH Tine and Leveler

1шт.

4

182818A2

SUPPORT

Mounting, RH Tine and Leveler

1шт.

5

86502676

BOLT,Hex, 3/4" - 10 x 8 1/2", Gr 5

4шт.

6

280441

BOLT,Hex, 3/4" - 10 x 9", Gr 5

4шт.

7

231-42412

NUT,3/4"-10, GB

8шт.

9

495-21081

WASHER,3/4"

16шт.

10

184975A1

SUPPORT

Mounting, LH Leveler Arm

1шт.

11

184976A1

SUPPORT

Mounting, RH Leveler Arm

1шт.

12

413-1032

BOLT,Hex, 5/8" - 11 x 2", Gr 5

8шт.

14

280374

NUT,Hex, 5/8" - 11, Gr 5

8шт.

13

86729275

LOCK WASHER,5/8 0.634 CST ZND

8шт.

15

182792A2

ARM

Leveler, Lower, 42 in Long, Replaces: 182785A1 Arm

2шт.

16

182792A2

ARM

Leveler, Lower, 42 in Long

2шт.

17

426-1088

BOLT,Hex, 5/8" - 11 x 5-1/2", Gr 8

6шт.

426-10104

BOLT,Hex, 5/8" - 11 x 6-1/2", Gr 8

2шт.

18

231-41410

NUT,5/8"-11, GB

6шт.

19

182788A2

SUPPORT

Mounting, Leveler Arm, Rear

2шт.

20

182795A2

BEAM

Tool Mounting, 12 foot ripper only

1шт.

20

199248A1

BEAM

Tool Mounting, 14 foot ripper only

1шт.

20

182796A2

BEAM

Tool Mounting, 16 foot ripper only

1шт.

20

199247A1

BEAM

Tool Mounting, 20 foot ripper only

1шт.

246106A1

REFLECTOR

ASS'Y L H for Tool Mounting Beam

1шт.

246105A1

REFLECTOR

ASS'Y R H for Tool Mounting Beam

1шт.

246108A1

U-BOLT

BOLT "U" 3/8

2шт.

246107A1

LATCH ASSY.

Channel, Jack Lock

1шт.

39-51652

HEADED PIN,1" x 3 1/4"

2шт.

432-1624

COTTER PIN,1/4" x 1 1/2"

2шт.

22

182789A1

LARGE PLATE

PLATE, LARGE Back

2шт.

23

426-1080

BOLT,Hex, 5/8" - 11 x 5", Gr 8

8шт.

24

86729275

LOCK WASHER,5/8 0.634 CST ZND

8шт.

25

280374

NUT,Hex, 5/8" - 11, Gr 5

8шт.

26

185263A1

TRUSS ROD

TURNBUCKLE, Height Adjusting

2шт.

27

182790A2

TOOTH

S-tine, 35 in

1шт.

28

1547097C2

SWEEP

7.5

1шт.

29

420-3724

CARRIAGE BOLT,#3, 7/16" - 14 x 1 1/2", Gr 8

1шт.

30

420-3720

BOLT,#3, 7/16" - 14 x 1 1/4", Gr 8

1шт.

31

495-21050

WASHER,7/16"

1шт.

32

280717

NUT,7/16"-14, G5

1шт.

33

182791A1

LARGE PLATE

PLATE, LARGE Mounting, Tine

1шт.

34

426-1096

BOLT,Hex, 5/8" - 11 x 6", Gr 8

1шт.

35

86729275

LOCK WASHER,5/8 0.634 CST ZND

1шт.

36

280374

NUT,Hex, 5/8" - 11, Gr 5

1шт.

37

184939A1

PROTECTOR

Handle

2шт.

38

439-51644

HEADED PIN,1" x 2 3/4", G5

Headed, Turnbuckle Mounting, 1 x 2-3/4

4шт.

39

184818A1

SPACER

BUSHING

4шт.

40

495-71041

WASHER,10.31mm ID x 31.75mm OD x 2.54mm Thk

4шт.

41

413-840

BOLT,Hex, 1/2" - 13 x 2-1/2", Gr 5

2шт.

42

184819A1

RETAINER

Leveler Height, Replaces: 189780A1

2шт.

43

231-4148

NUT,1/2"-13, GB

4шт.

44

88044

BOLT,Hex, 3/8" - 16 x 1-1/2", Gr 5

2шт.

45

231-4146

NUT,3/8"-16, GB

2шт.

46

221238A1

SUPPORT

SMV Emblem

1шт.

Выбрано товаров: 55