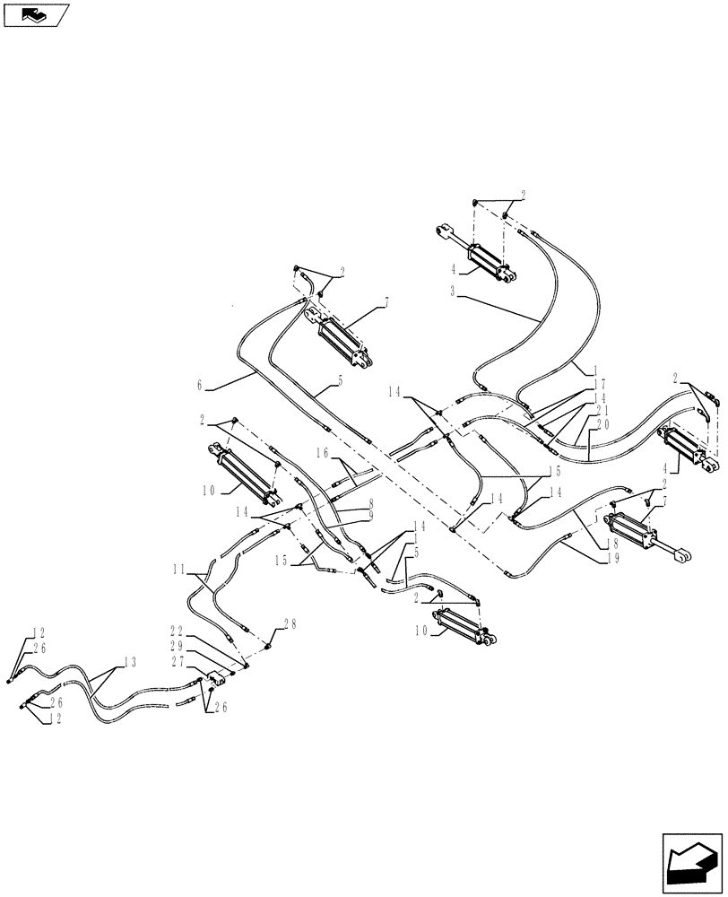
Запчасти Case IH 870 (35.100.10[02]) - 13 SHANK LEVELER WITH FINISHER WING FOLD HYDRAULICS 2011 (35) - HYDRAULIC SYSTEMS

Схема запчастей Case IH 870 - (35.100.10[02]) - 13 SHANK LEVELER WITH FINISHER WING FOLD HYDRAULICS 2011 (35) - HYDRAULIC SYSTEMS
21
7
13
home
11
2
16
14
8
10
6
17
1
26
15
18
29
20
14
19
2
4
2
14
26
26
3
2
14
7
10
15
1
5
5
9
4
28
14
2
12
2
27
12
14
22
FIT
1:1
100%

Артикул

Название

Примечание

Количество

2

76347

ELBOW,90 Degree, 9/16" - 18 JIC x 3/4" - 16 ORB

12шт.

3

810205C1

HYDRAULIC HOSE,6.35mm ID x 1820mm L, SAE 100R17

1/4 x 70

1шт.

4

84220783

HYDRAULIC CYLINDER,Double Acting, 38.1mm Rod, 406.4mm Stroke

2шт.

5

147878C1

HOSE

1/4 x 65

2шт.

6

97478C1

HOSE,6.35 mm ID x 1905.00 mm, SAE 100 R1

1шт.

7

25335120

HYDRAULIC CYLINDER,Double Acting, 38.1mm Rod, 304.8mm Stroke

3-1/2 x 12

2шт.

7

25335120R

REMAN-HYD CYLINDER

870 Ecolo-Tiger Disk Ripper

2шт.

25335120C

CORE-HYD CYLINDER

Return Number

1шт.

8

1284278C1

HYDRAULIC HOSE

1/4 x 41

1шт.

9

1969386C1

HOSE

1/4 x 23

1шт.

10

25335162

HYDRAULIC CYLINDER,Double Acting, 38.1mm Rod, 406.4mm Stroke

3-/1 2x 16, 13 Shank

2шт.

11

813006C2

HYDRAULIC HOSE

3/8 x 85

2шт.

12

25705041

COUPLING

3/4 Hydraulic

2шт.

13

1284252C1

HYDRAULIC HOSE

3/8 x 140

2шт.

14

76355

TEE,9/16" - 18 JIC x 9/16" - 18 JIC x 9/16" - 18 JIC

10шт.

15

147887C1

HYDRAULIC HOSE,9.53mm ID x 485mm L

1/4 x 19

4шт.

16

129671C2

HYDRAULIC HOSE

3/8 x 105

2шт.

17

87706C1

HYDRAULIC HOSE

3/8 x 29

2шт.

18

191936A1

HOSE

1/4 x 110

1шт.

19

1277718C1

HYDRAULIC HOSE,6.35 mm ID x 3050.00 mm

1шт.

20

129768C1

HYDRAULIC HOSE

1/4 x 115

1шт.

21

315711A1

HOSE,6.35mm ID x 3555mm L

1/4 x 140

1шт.

22

241074

ELBOW,90 Degree, 9/16"-18, 37 Degree x 9/16"-18, 37 Degree

2шт.

23

22510700

HOSE CLAMP,15.86mm

5/8, Not Shown

1шт.

23

22510710

HOSE CLAMP

3/4, Not Shown

1шт.

24

88682

CARRIAGE BOLT,Short Nk, 3/8"-16 x 1", Gr 5

Not Shown

1шт.

25

86992213

NUT

Not Shown

1шт.

26

128817

HYD CONNECTOR,3/4" - 16 ORB x 9/16" - 18 JIC

3/4 x 9/16

4шт.

26

128825

O-RING,0.087" Thk x 0.644" ID, -908, Cl 6, 90 Duro

4шт.

27

298624A1

VALVE

1шт.

28

76347

ELBOW,90 Degree, 9/16" - 18 JIC x 3/4" - 16 ORB

1шт.

29

1263477C3

HYD CONNECTOR

1шт.

Выбрано товаров: 32