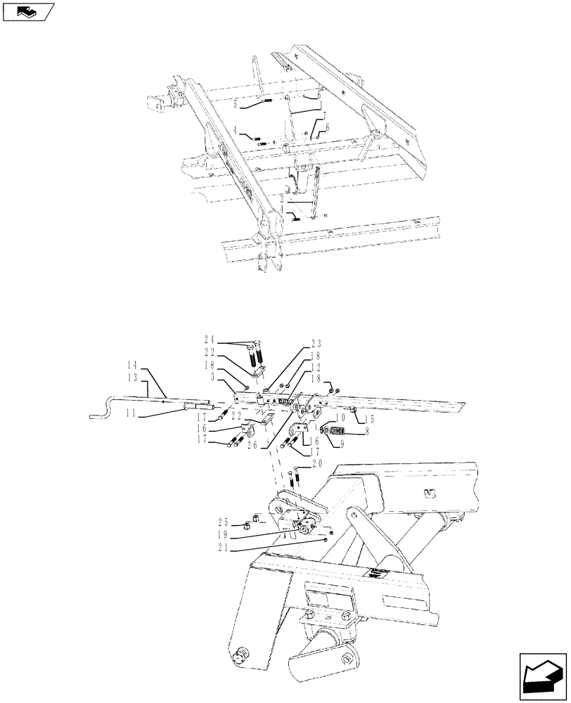
Запчасти Case IH 870 (39.100.10) - SINGLE POINT DEPTH CONTROL (39) - FRAMES AND BALLASTING

Схема запчастей Case IH 870 - (39.100.10) - SINGLE POINT DEPTH CONTROL (39) - FRAMES AND BALLASTING
4
9
4
17
8
18
25
5
22
17
16
22
10
6
13
2
11
17
6
7
23
12
3
18
24
19
16
1
26
20
15
home
18
21
14
FIT
1:1
100%

Артикул

Название

Примечание

Количество

1

87708490

PLATE

Rocker

1шт.

2

87754729

BAR

Link

1шт.

3

84175396

TUBE,2911 mm L

Tube, 7 And 9 Shank

1шт.

3

84175397

TUBE,2996 mm L

Tube, 11 And 13 Shank

1шт.

4

87630

BOLT,Hex, 5/8" - 11 x 2 1/2", Gr 5

3шт.

5

87338

BOLT,Hex, 5/8" - 11 x 3", Gr 5

1шт.

6

85700693

NUT,5/8" - 11, Gr C

4шт.

7

87365

WASHER,0.66" ID x 1.31" OD x 0.1" Thk

2шт.

8

396152A1

COMPRESSION SPRING

1шт.

9

87613198

WASHER,0.78" ID x 1.25" OD x 0.12" Thk

1шт.

10

87309726

RING

1шт.

11

396153A1

PIN

1шт.

12

84173988

DECAL

Depth Control

1шт.

13

84175405

HANDLE

Crank

1шт.

14

438-11624

ROLL PIN,6.35mm OD x 38.1mm L

1шт.

15

85700693

NUT,5/8" - 11, Gr C

1шт.

16

84175398

SUPPORT

Crank Handle

2шт.

17

87936

BOLT,Hex, 3/8" - 16 x 2 1/2", Gr 5

5шт.

18

88902

NUT,3/8"-16

5шт.

19

396150A1

VALVE, CONTROL

Depth Control

1шт.

20

280622

CARRIAGE BOLT,Sq Nk, 5/16" - 18 x 2 1/2", Gr 5

2шт.

21

280736

NUT,5/16"-18, GC

2шт.

22

87708499

BAR

2шт.

23

87708500

TUBE,16.66 mm ID x 25.4 mm OD x 42 mm L

2шт.

24

280119

BOLT,Hex, 5/8" - 11 x 3 1/2", Gr 5

2шт.

25

85700693

NUT,5/8" - 11, Gr C

2шт.

26

87708494

SLIDER

1шт.

Выбрано товаров: 0