Запчасти Case IH 9300 (39.100.01) - MAIN FRAME ASSEMBLY (09) - CHASSIS/ATTACHMENTS

Схема запчастей Case IH 9300 - (39.100.01) - MAIN FRAME ASSEMBLY (09) - CHASSIS/ATTACHMENTS
61
52
44
57
91
41
36
79
17
9
43
72
51
2
68
7
23
19
93
22
37
70
27
50
3
90
36
86
45
28
89
14
26
29
33
73
66
5
89
48
69
55
54
76
74
12
9
6
34
50
25
10
5
63
57
60
16
20
62
42
32
57
57
51
24
58
31
52
87
52
38
36
45
85
51
84
8
64
83
52
45
37
40
47
45
2
19
80
75
71
65
58
49
43
22
35
45
46
58
15
51
92
4
30
56
18
53
13
37
78
88
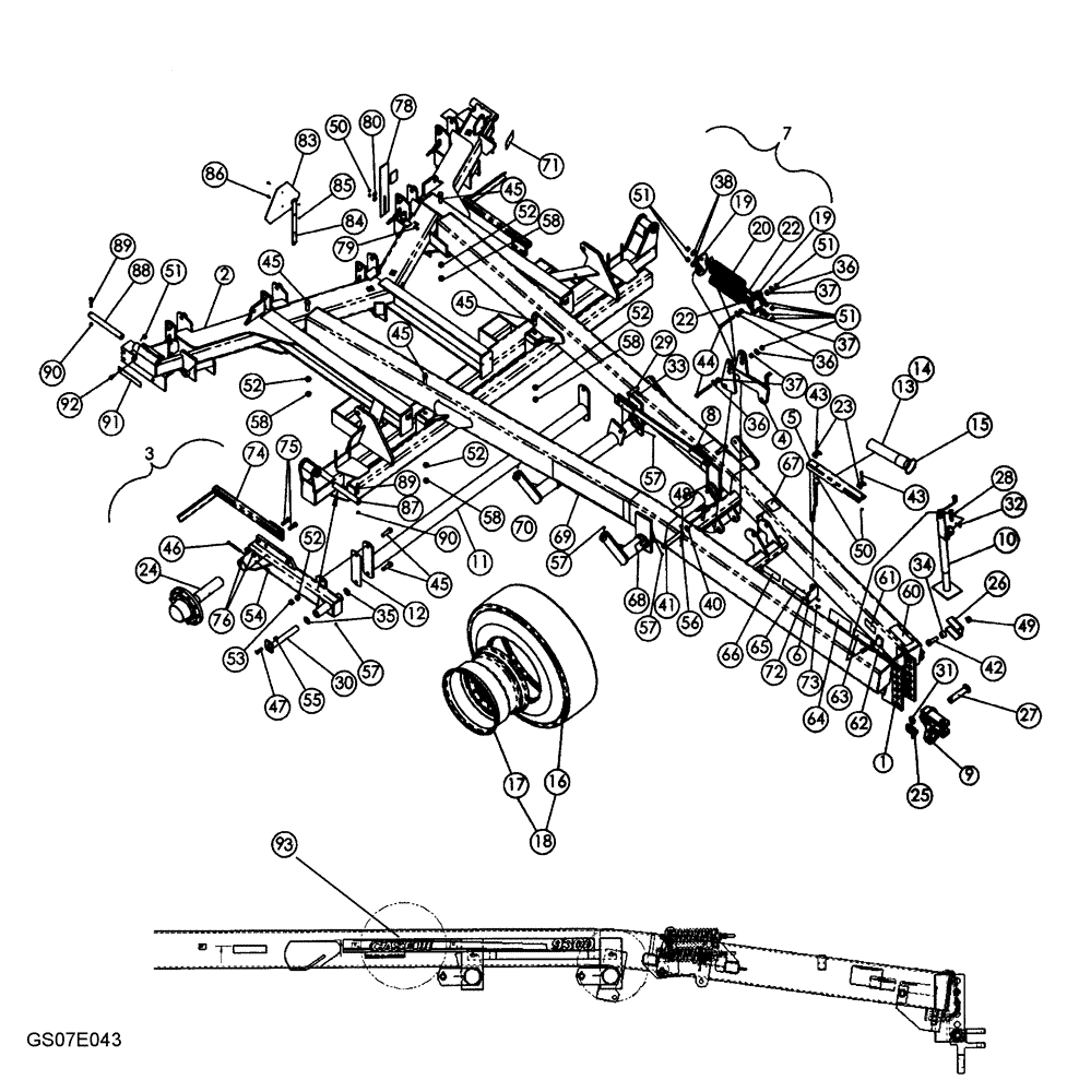
0
1
67
FIT
1:1
100%

Артикул

Название

Примечание

Количество

1

87409675

BAR ASSY.

Pull Frame

1шт.

2

87522029

FRAME

Main Frame, Parabolic, S/B

1шт.

2

87522025

FRAME

Main Frame, Parabolic, A/R

1шт.

2

87522029

FRAME

Main Frame, MRD, S/B

1шт.

2

87522025

FRAME

Main Frame, MRD, A/R

1шт.

3

09967550

ARM

Wheel Pedestal With Hub And Spindle, Q871, Rh

1шт.

3

09967570

ARM

Wheel Pedestal With Hub And Spindel, Q871, Lh

1шт.

4

09967530

FRAME ASSY

Pivot

1шт.

5

05302150

STAND

Swinging Hose

1шт.

6

09983458

BAR ASSY.

Mount

1шт.

7

09900085

SPRING BOX

Relief Assembly

1шт.

8

84401369

LINKAGE

Lift Link

1шт.

9

20092310

CLEVIS

Combo

1шт.

10

32230000

JACK

5000 lb

1шт.

11

09984470

TUBE,96.75" Length

Torque

1шт.

12

09967141

WEDGE

Shim

1шт.

13

30026030

TUBE

Canister

1шт.

15

214-1452

HOSE CLAMP,#52, 2.81" - 3.75", Type F Worm

1шт.

16

NSS

NOT SOLD SEPARAT

425/65R x 22.5, Recapped Tire, 11016221

2шт.

17

10113225

LAND WHEEL

22.5 x 13, Silver

2шт.

18

10016225

LAND WHEEL

22.5 x 13, Assembly, Silver

2шт.

19

20090133

HINGE

Double Casting

2шт.

20

24162506

SPRING

Compression

2шт.

21

24143816

SPRING

Compression

2шт.

22

16510820

THREADED ROD

5/8, Dia

2шт.

23

06200125

HOSE CLAMP

2шт.

24

28087102

HUB ASSY.

Q871, With Spindle

2шт.

25

09967531

BRACKET

Klik Pin

1шт.

26

04681210

BRACKET

1шт.

27

14820520

HITCH PIN

1-5/8 Dia. x 8.06

1шт.

28

14810251

HEADED PIN,15.88mm OD x 96.77mm L

5/8 Dia x 3-1/2

1шт.

29

14816201

SMALL PIN

1 Dia x 2.094

2шт.

30

09967139

PIN

Weldment

2шт.

31

D33805

PIN

7/16 x 2.0, Klik

1шт.

32

14720411

COTTER PIN

PIN, COTTER 1/8 x 2.0, Hair

1шт.

33

432-1624

COTTER PIN,1/4" x 1 1/2"

2шт.

34

04681211

BUSHING

1-3/4 OD x 1.030 ID x 1-1/8

1шт.

35

17627010

WASHER,41.67mm ID x 60.33mm OD x 2.08mm Thk

1-5/8 ID, Machinery, 14 ga

2шт.

36

80299

WASHER,0.69" ID x 1.75" OD x 0.13" Thk

4шт.

37

87613192

WASHER,0.66" ID x 1.75" OD x 0.24" Thk

4шт.

38

44006200

BUSHING,16.38mm ID x 28.58mm OD x 15.75mm L

1-1/8 OD x .645 ID x .620

4шт.

39

87389757

CHAIN

30,400 lb, ASAE Safety

1шт.

40

17620020

BUSHING,32.15mm ID x 47.63mm OD x 2.08mm L

1-1/4, Machinery, 14 ga

1шт.

41

14892066

PIN

1-1/4 x 8.60, With Hole

1шт.

42

413-1648

BOLT,Hex, 1" - 8 x 3", Gr 5

1шт.

43

413-648

BOLT,Hex, 3/8" - 16 x 3", Gr 5

2шт.

44

16901025

CAPSCREW,Hex, 5/8" - 11 x 7 1/2", Spcl, Gr 5

5/8 x 7-1/2, NC, Hex, gd 5

2шт.

45

413-1448

BOLT,Hex, 7/8" - 9 x 3", Gr 5

8шт.

46

413-880

BOLT,Hex, 1/2" - 13 x 5", Gr 5

1шт.

47

413-1032

BOLT,Hex, 5/8" - 11 x 2", Gr 5

1шт.

48

413-740

BOLT,Hex, 7/16" - 14 x 2-1/2", Gr 5

1шт.

49

86992219

LOCK NUT

1, NC, Stover, ZP

1шт.

50

86992213

NUT

3/8, NC, Stover, ZP

2шт.

51

85700693

NUT,5/8" - 11, Gr C

10шт.

52

425-1014

NUT,7/8"-9, G5

8шт.

53

87681198

NUT,Hex, 7/8"-9, 0.45 high

7/8

2шт.

54

86992215

LOCK NUT,1/2"-13, GC

Stover

1шт.

55

425-1010

NUT,5/8"-11, G5

1шт.

56

280375

NUT,3/4"-10, GC

1шт.

57

219-86

LUBE NIPPLE,1/8" NPTF

9шт.

58

425-1414

JAM NUT,Jam, 7/8"-9, G5

6шт.

60

18534140

WARNING DECAL

Warning

1шт.

61

18534107

DECAL

Patent

1шт.

62

18534134

DECAL

Warning, Towing

1шт.

63

18534228

DECAL

Caution

1шт.

64

18534262

DECAL

Level Frame

1шт.

65

18534333

DANGER DECAL

Danger

1шт.

66

18534277

DECAL

Warning

1шт.

67

18534241

DECAL

Instruction

1шт.

68

18534258

DECAL

Depth Indicator

1шт.

69

87457430

DECAL

9300 Case IH, Lh

1шт.

70

87457429

DECAL

9300 Case IH, Rh

1шт.

71

18534287

DECAL

Information, Wheel

1шт.

72

425-106

NUT,3/8"-16, Cl 5

2шт.

73

413-616

BOLT,Hex, 3/8" - 16 x 1", Gr 5

2шт.

74

09967270

BRACKET

Mud Scraper, Rh

1шт.

74

09967280

BRACKET

Mud Scraper, Lh

1шт.

75

413-1240

BOLT,Hex, 3/4" - 10 x 2-1/2", Gr 5

4шт.

76

425-1012

NUT,3/4"-10, G5

4шт.

77

18581002

PRODUCT GRAPHIC

SMV, 9300 With Leveler, Inc. 50 And 78 - 80

1шт.

78

09102450

INDICATOR

Leveler Depth

1шт.

79

413-616

BOLT,Hex, 3/8" - 16 x 1", Gr 5

2шт.

80

495-21044

WASHER,3/8"

2шт.

81

311864A1

REFLECTOR

Amber

1шт.

82

18581000

PRODUCT GRAPHIC

SMV, 9300 Without Leveler, Inc. 79 - 80 And 83 - 86

1шт.

83

311860A1

EMBLEM

SMV

1шт.

84

06000099

BRACE

SMV

1шт.

85

86992211

NUT

1/4, NC, Stover

2шт.

86

413-412

BOLT,Hex, 1/4" - 20 x 3/4", Gr 5

2шт.

87

14892685

SPECIAL PIN

1-5/8 x 10.88

2шт.

88

14892692

SPECIAL PIN

1-5/8 x 14.12

2шт.

89

413-852

BOLT,Hex, 1/2" - 13 x 3-1/4", Gr 5

4шт.

90

87333862

NUT

4шт.

91

09967155

SHIM,.120/.113" Thk

Wing

6шт.

92

413-1024

BOLT,Hex, 5/8" - 11 x 1-1/2", Gr 5

2шт.

93

87558404

DECAL

Case IH

2шт.

Выбрано товаров: 96