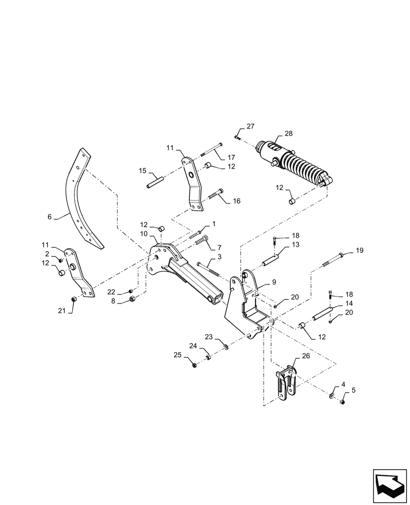
Запчасти Case IH ECOLO-TIGER 875 (75.200.AA[02]) - SHANK SPRING RESET (75) - SOIL PREPARATION
№
Артикул
Название
Примечание
Количество
2
85700693
NUT,5/8" - 11, Gr C
1шт.
3
280441
BOLT,Hex, 3/4" - 10 x 9", Gr 5
2шт.
4
17413011
WASHER
2шт.
6
84590351
SHANK
Parabolic
1шт.
7
47389434
BOLT
1 X 4"
1шт.
8
9626600
NUT,1"-8, GC
1шт.
9
87564600
MOUNT
Shank
1шт.
10
84587939
BEAM
1шт.
10
44006510
BUSHING
1шт.
11
47403831
PLATE
Spring Support
2шт.
12
87433288
GUIDE BUSHING,31.9mm ID x 38.28mm OD x 31.75mm L
Greaseless
6шт.
13
84208990
PIN
1.25"
1шт.
14
47404884
PIN
Pivot
1шт.
15
87620731
SPACER
1шт.
17
86622984
BOLT,Hex, 5/8" - 11 x 9", Gr 5
1шт.
18
87972
BOLT,Hex, 1/2" - 13 x 2 1/2", Gr 5
2шт.
19
87490804
BOLT
.875 X 8.00"
1шт.
21
87681198
NUT,Hex, 7/8"-9, 0.45 high
2шт.
22
85700693
NUT,5/8" - 11, Gr C
1шт.
23
87012439
WASHER,0.91" ID x 1.75" OD x 0.24" Thk
1шт.
24
9849647
NUT,7/8"-9, G5
1шт.
25
47609158
NUT
7/8"
1шт.
26
87441694
CLAMP
Mount Painted
1шт.
27
47600668
BOLT
1шт.
28
87640498
SPRING
Pack Assy
1шт.
Выбрано товаров: 29