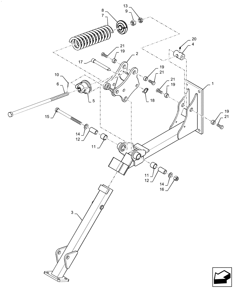
Запчасти Case IH ECOLO-TIGER 875 (75.200.AC[20]) - DISK LEVELER HYDRULIC BASKET ARM (75) - SOIL PREPARATION

Схема запчастей Case IH ECOLO-TIGER 875 - (75.200.AC[20]) - DISK LEVELER HYDRULIC BASKET ARM (75) - SOIL PREPARATION
13
14
12
19
15
19
12
11
21
21
17
6
18
5
1
10
2
4
19
7
14
11
8
3
19
21
20
9
21
16
FIT
1:1
100%

Артикул

Название

Примечание

Количество

1

47497052

FRAME

Basket Mount

1шт.

2

47430534

LINK

Basket Pivot

1шт.

3

47432040

ARM

Support

1шт.

4

47480687

PIVOT

Arm Mount

1шт.

5

47478812

TRUNNION

Basket

1шт.

6

16901495

SPECIAL BOLT

.875 X 23.5"

1шт.

7

47470094

SPRING

Compresion

1шт.

8

20090120

SPRING BOX

Casting

1шт.

9

9849647

NUT,7/8"-9, G5

1шт.

10

87485007

COILED PIN

.187 X 1.250"

1шт.

11

87433288

GUIDE BUSHING,31.9mm ID x 38.28mm OD x 31.75mm L

Greaseless

2шт.

12

87712239

SPACER,19.84mm ID x 31.6mm OD x 57mm L

2шт.

13

47609158

NUT

7/8-9

1шт.

14

87381

WASHER,0.81" ID x 1.47" OD x 0.13" Thk

2шт.

15

83980547

BOLT,Hex, 3/4" -10 x 9-1/2", Gr 5

1шт.

16

280375

NUT,3/4"-10, GC

1шт.

17

14810460

SPECIAL PIN

Plated

1шт.

18

270184

LINCH PIN,6.35mm OD

1шт.

19

47497597

BUSHING

Trunion Pivot

4шт.

20

87414

LUBE NIPPLE,1/4" - 28

1шт.

21

88062

BOLT,Hex, 5/8" - 11 x 1 1/2", Gr 8

4шт.

Выбрано товаров: 21