Запчасти Case IH SC5 (16) - GANG RIGHT HAND, 7 AND 9 BLADE

Схема запчастей Case IH SC5 - (16) - GANG RIGHT HAND, 7 AND 9 BLADE
FIT
1:1
100%

Артикул

Название

Примечание

Количество

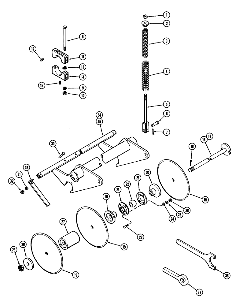
1

131-1132

LOCK NUT,7/8"-9, GA

NUT - lock 7/8" NC hex (One per rod)

1шт.

2

T56102

CAP

- spring (One per rod)

1шт.

3

T56101

SPRING

- inner (One per rod)

1шт.

4

T56103

SPRING

- outer (One per rod)

1шт.

5

T56104

ROD

- (5 shank)

2шт.

5

T56104

ROD

- (7 and 9 shank)

4шт.

5

T56104

ROD

- (11 and 13 shank)

6шт.

5

T56104

ROD

- (15 shank)

8шт.

6

T56105

PIN

- clevis (One per rod)

1шт.

7

132-311

COTTER PIN,5/32" x 1 1/4"

5/32" x 1 1/4"

1шт.

8

113-2612

BOLT,Hex, 5/8" - 11 x 12", Gr 5

- 5/8 x 12" NC hex (Grade 5) Two per cap assembly

1шт.

9

192-25

LOCK WASHER,5/8"

WASHER, LOCK, 5/8"

1шт.

10

129-107

NUT,5/8"-11, G5

1шт.

11

T56083

CLAMP

CAP ASSEMBLY - bearing upper (5 shank)

2шт.

11

T56083

CLAMP

CAP ASSEMBLY - bearing upper (7 and 9 shank)

4шт.

11

T56083

CLAMP

CAP ASSEMBLY - bearing upper (11 and 13 shank)

6шт.

11

T56083

CLAMP

CAP ASSEMBLY - bearing upper (15 shank)

8шт.

12

219-14

LUBE NIPPLE,1/4" NPTF

FITTING - grease 1/4" drive

1шт.

13

T54996

SHIM

- bearing cap

1шт.

14

T54995

CAP

ASSEMBLY - bearing lower (5 shank)

2шт.

14

T54995

CAP

ASSEMBLY - bearing lower (7 and 9 shank)

4шт.

14

T54995

CAP

ASSEMBLY - bearing lower (11 and 13) shank)

6шт.

14

T54995

CAP

ASSEMBLY - bearing lower (15 shank)

8шт.

15

219-14

LUBE NIPPLE,1/4" NPTF

FITTING - grease 1/4" drive

1шт.

16

T56072

BOLT

BOLT - gang (7 blade)

1шт.

17

T56073

BOLT

- gang (9 blade)

1шт.

18

132-314

COTTER PIN,3/8" x 2 1/2"

Pin, Split (Cotter), 3/8" x 2 1/2"

1шт.

19

T56078

BLADE

- 20" (508.0 MM) 7 blade

7шт.

19

T56078

BLADE

- 20" (508.0" MM) 9 blade

9шт.

20

T56080

SPOOL

- half

4шт.

21

T56081

FLANGE

- bearing

4шт.

22

T56082

BEARING, BALL,2.313" ID x 2.871" OD x 1.188"

BEARING

2шт.

23

111-509

BOLT,Short NK, 1/2"-13 x 1 3/4", G5

- 1/2 x 13/4" NC carriage (Grade 5)

8шт.

24

195-106

WASHER,1/2"

- 1-3/8 x 9/16" x 12 gauge

8шт.

25

192-23

LOCK WASHER,1/2"

WASHER, LOCK, 1/2"

8шт.

26

129-105

NUT,Hex, 1/2" - 13, Gr 5

8шт.

27

T56079

SPOOL

- gang (7 blade)

4шт.

27

T56079

SPOOL

- gang (9 blade)

6шт.

28

T56088

WASHER

- gang

1шт.

29

25-1224

SLOTTED NUT,1 1/2"-6, G5

NUT - 1-1/2" NC hex slotted

1шт.

30

80087972

BOLT,Hex, 1/2" - 13 x 2 1/2", Gr 5

- 1/2 x 2-1/2" NC hex (Grade 5) One per scraper

1шт.

31

192-23

LOCK WASHER,1/2"

WASHER, LOCK, 1/2"

1шт.

32

129-105

NUT,Hex, 1/2" - 13, Gr 5

1шт.

33

T56077

SCRAPER

- (7 blade)

4шт.

33

T56077

SCRAPER

- (9 blade)

6шт.

34

T56074

FRAME - gang (7 blade)

1шт.

35

T56075

FRAME - gang (9 blade)

1шт.

36

T57392

WRENCH - gang bolt

1шт.

37

T57393

WRENCH - gang nut

1шт.

Выбрано товаров: 49