Запчасти Case IH 370 TRUE-TANDEM (39.100.02) - PULL FRAME (39) - FRAMES AND BALLASTING

Схема запчастей Case IH 370 TRUE-TANDEM - (39.100.02) - PULL FRAME (39) - FRAMES AND BALLASTING
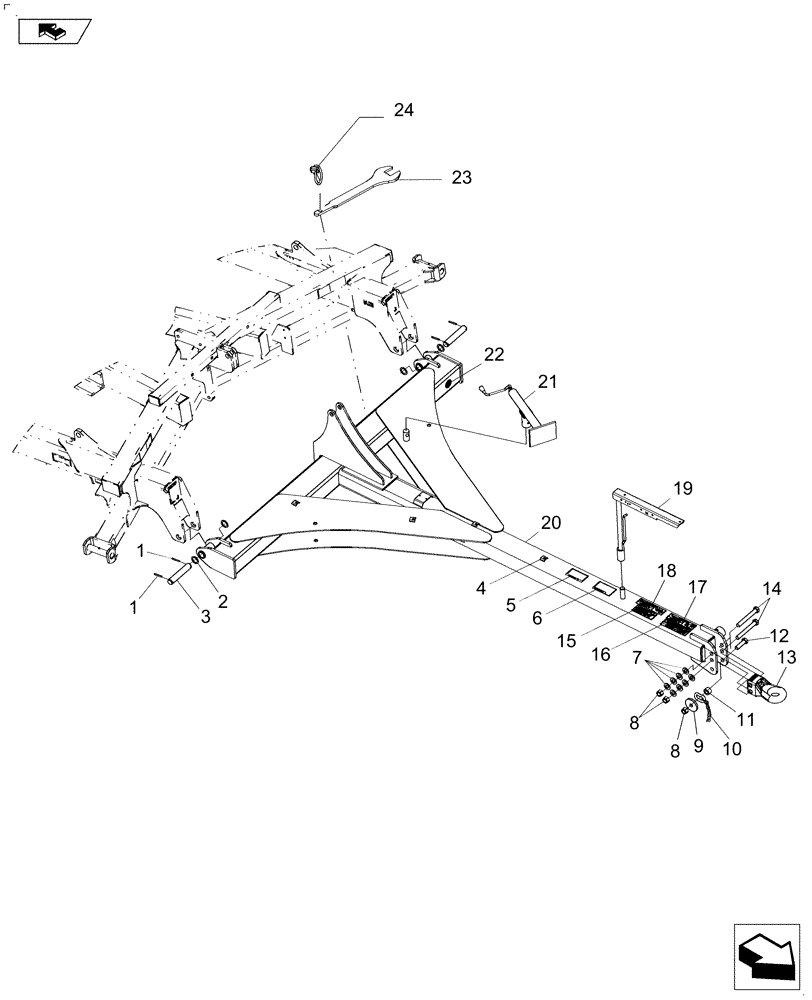
12
14
24
23
home
17
18
1
20
22
3
2
1
21
19
4
5
6
15
16
7
8
8
9
10
11
13
FIT
1:1
100%

Артикул

Название

Примечание

Количество

1

84158586

COILED PIN

4шт.

2

17627010

WASHER,41.67mm ID x 60.33mm OD x 2.08mm Thk

2шт.

3

84145812

PIN

4шт.

4

NSS

NOT SOLD SEPARAT

6400125

1шт.

5

18534228

DECAL

1шт.

6

18534282

WARNING DECAL

1шт.

7

87367

WASHER,1.06" ID x 2" OD x 0.13" Thk

8шт.

8

9626600

NUT,1"-8, GC

3шт.

9

06400065

WASHER

1шт.

10

87619912

CHAIN

Heavy, Saftey Chain

1шт.

11

04681211

BUSHING

Safety Chain

1шт.

12

88962

BOLT,Hex, 1" - 8 x 3 1/2", Gr 5

1шт.

13

251366A1

TOW BAR

CAT IV, 2 Hole

1шт.

13

84303598

HITCH

CAT V, 3 Hole Assy

1шт.

13

84418130

CASTING

CAT V, 3 Hole Casting

1шт.

13

84418127

ADJUSTING PLATE

CAT V, 3 Hole Plate

1шт.

13

84418128

SPRING

CAT V, 3 Hole Spring

1шт.

13

280461

CARRIAGE BOLT,Sq Nk, 5/8" - 11 x 4", Gr 5

CAT V, 3 Hole Bolt

1шт.

13

280375

NUT,3/4"-10, GC

CAT V, 3 Hole Nut

1шт.

13

84156177

WASHER,0.66" ID x 1.5" OD x 0.12" Thk

CAT V, 3 Hole Washer

1шт.

14

86534764

BOLT,Hex, 1" - 8 x 8", Gr 8

2шт.

15

87668160

DECAL

1шт.

16

87672316

DECAL

1шт.

17

87673548

DECAL

1шт.

18

87673549

DECAL

1шт.

19

87452523

MOUNTING PARTS

1шт.

20

84136539

FRAME

1шт.

20

84373082

FRAME

CAT, V

1шт.

21

32252000

JACK ASSY.

1шт.

22

147782C1

DECAL

1шт.

23

84242837

OPEN END WRENCH

Eye Bolt Adjust

1шт.

24

A33497

LINCH PIN,4.76mm OD Pin

Klil

1шт.

25

214-1452

HOSE CLAMP,#52, 2.81" - 3.75", Type F Worm

Not Shown

1шт.

26

30026030

TUBE

Not Shown

1шт.

Выбрано товаров: 34