Запчасти Case IH 3900 (4-4) - LAMPS, TURN SIGNAL LAMP / TAIL LAMP (04) - ELECTRICAL SYSTEMS

Схема запчастей Case IH 3900 - (4-4) - LAMPS, TURN SIGNAL LAMP / TAIL LAMP (04) - ELECTRICAL SYSTEMS
2
3
6
3
8
12
7
7
6
1
14
13
FIT
1:1
100%

Артикул

Название

Примечание

Количество

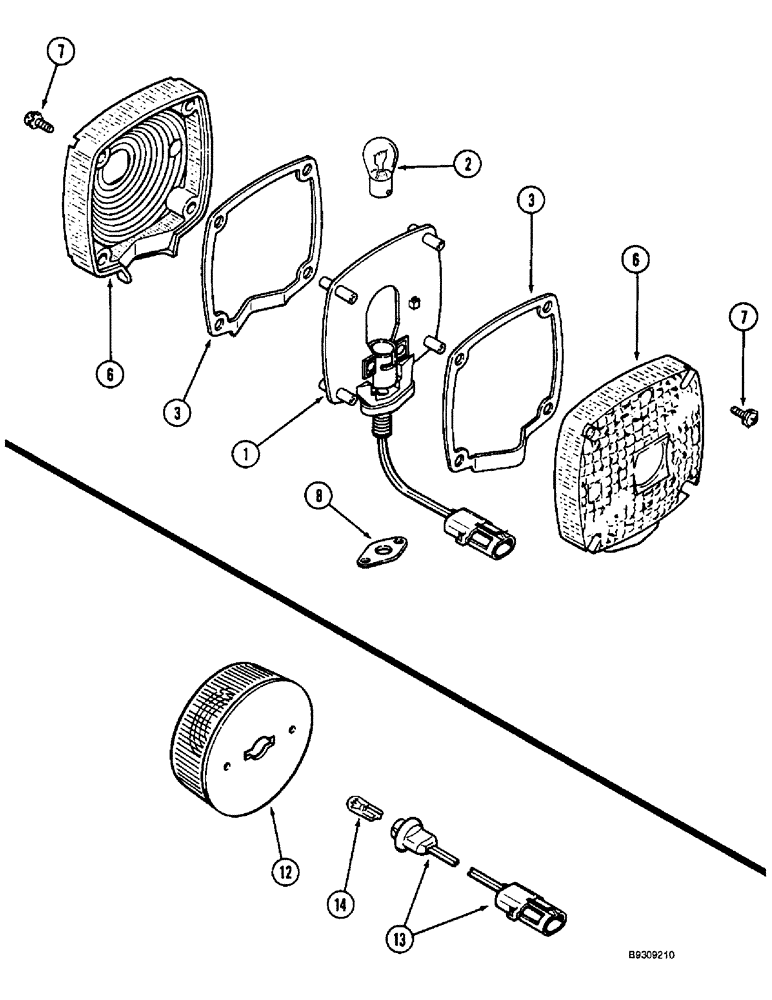
192052A1

REPAIR KIT

KIT - lamp, turn signal, Includes: Ref. 1

2шт.

1

NSS

NOT SOLD SEPARAT

BODY - lamp

1шт.

2

A41264

BULB,#1156, 12V

Lamp #1156, 12V

1шт.

3

A43731

GASKET

- sealing, lens

2шт.

A44202

KIT

- lens, Includes: Ref. 6 & 7

1шт.

6

NSS

NOT SOLD SEPARAT

LENS - lamp, amber

2шт.

7

187-1083

SELF-TAP SCREW,Cross Pan Hd, #8 x 5/8"

SCREW - self-tapping, round head Phillips, No. 8 NC x 5/8 inch

8шт.

8

F63435

GASKET

- lamp mounting

1шт.

91986C91

LIGHT

LAMP ASSEMBLY - tail, Includes: Ref. 12 - 14

1шт.

12

NSS

NOT SOLD SEPARAT

BASE - lamp, tail

1шт.

13

91934C1

SOCKET

ASSEMBLY - bulb, Includes: Ref. 14

1шт.

14

D71346

TAIL LAMP,12V

BULB - lamp, No. 168

1шт.

Выбрано товаров: 12