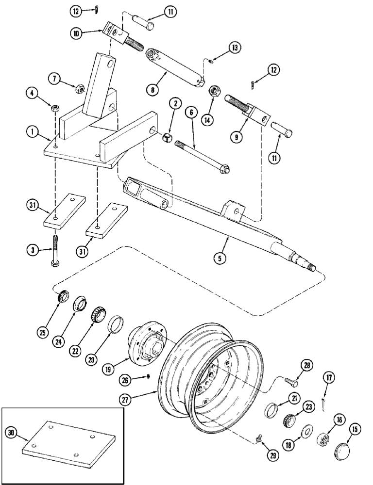
Запчасти Case IH 3950 (9-25) - WING GAUGE WHEEL ATTACHMENT (09) - CHASSIS/ATTACHMENTS

Схема запчастей Case IH 3950 - (9-25) - WING GAUGE WHEEL ATTACHMENT (09) - CHASSIS/ATTACHMENTS
10
22
27
24
28
2
12
26
23
13
25
31
8
7
9
6
20
15
17
1
31
30
29
4
21
11
14
5
18
16
3
12
19
11
FIT
1:1
100%

Артикул

Название

Примечание

Количество

227703A1

ATTACHMENT

- gauge wheel (Machinery item), Inc.1 - 31

1шт.

1

1978670C1

BRACKET

- mounting, right-hand (Shown)

1шт.

1

1978669C1

BRACKET

- mounting, left-hand

1шт.

2

64601C1

BUSHING

- tension

6шт.

3

413-1080

BOLT,Hex, 5/8" - 11 x 5", Gr 5

8шт.

4

231-42110

LOCK NUT,Hex, 5/8"-11, GB

NUT - hex, self-locking, 5/8 inch NC

8шт.

5

1978668C1

TUBE

- wheel mounting, right-hand (Shown)

1шт.

5

1978667C1

TUBE

- wheel mounting, left-hand

1шт.

6

122892C21

STUD

- gauge wheel arm

2шт.

7

489528R1

LOCK NUT

- hex, self-locking, 1 inch NC

2шт.

8

480249R2

TURNBUCKLE

- landing yoke

2шт.

9

1344919C3

YOKE

- turnbuckle, left-hand thread

2шт.

10

1344920C3

YOKE

- turnbuckle, right-hand thread

2шт.

11

810751C1

PIN

- headed, 1 x 3-1/2 inch

4шт.

12

432-1624

COTTER PIN,1/4" x 1 1/2"

Pin, Split (Cotter), 1/4" x 1-1/2"

4шт.

13

219-87

LUBE NIPPLE,1/4" - 28 NPTF

NIPPLE, LUBE, 1/4"-28 x .56" lg, Self-Tap

4шт.

14

425-1416

JAM NUT,Jam, 1"-8, G5

- hex, jam, 1 inch NC

2шт.

15

B13280

HUB CAP

CAP - wheel hub

2шт.

16

425-1312

SLOTTED NUT,3/4"-16, G5

NUT - hex, slotted, 3/4 inch NF

2шт.

17

432-824

COTTER PIN,1/8" x 1 1/2"

PIN, SPLIT (COTTER), 1/8" x 1-1/2"

2шт.

18

369857R1

WASHER,20.7mm ID x 31.75mm OD x 3mm Thk

- flat, special, 25/32 x 1/4 x 1/8 inch

2шт.

19

810087C2

HUB

- wheel, six bolt mount

2шт.

20

651817R1

BEARING CUP

CUP - tapered roller bearing

2шт.

21

651814R1

BEARING CUP

CUP - tapered roller bearing

2шт.

22

651818R91

ROLLER BEARING,31.77 mm ID x 16.08 mm

CONE - tapered roller bearing

2шт.

23

651815R91

BEARING ASSY,7.508" ID x 17.82" OD x 6"

CONE - tapered roller bearing

2шт.

23

651815R91GV

BEARING CONE

Value, Cone Bearing

2шт.

24

472222R1

SLEEVE

- oil seal

2шт.

25

472221R91

SEAL,39.57mm ID x 58.6mm OD x 7.37mm Thk

- oil

2шт.

26

219-87

LUBE NIPPLE,1/4" - 28 NPTF

NIPPLE, LUBE, 1/4"-28 x .56" lg, Self-Tap

2шт.

27

T53527

WHEEL

- 381 (15) x 127 mm (5 inch), six bolt mount

2шт.

28

277538A1

BOLT,1/2" - 20 x 1.42"

- wheel, 1/2 NF x 2 inch

12шт.

29

810769C1

VALVE

- inflation, steel

2шт.

30

1978665C1

LARGE PLATE

PLATE - retaining, if used

2шт.

31

380139A1

BAR

retaining, if used

4шт.

Выбрано товаров: 35