Запчасти Case IH TRUE-TANDEM 335 BARRACUDA (39.110.AM[01]) - TURNBUCKLE, LEVELING, MECHANICAL (39) - FRAMES AND BALLASTING

Схема запчастей Case IH TRUE-TANDEM 335 BARRACUDA - (39.110.AM[01]) - TURNBUCKLE, LEVELING, MECHANICAL (39) - FRAMES AND BALLASTING
6
9
4
12
11
1
10
13
5
3
2
7
8
FIT
1:1
100%

Артикул

Название

Примечание

Количество

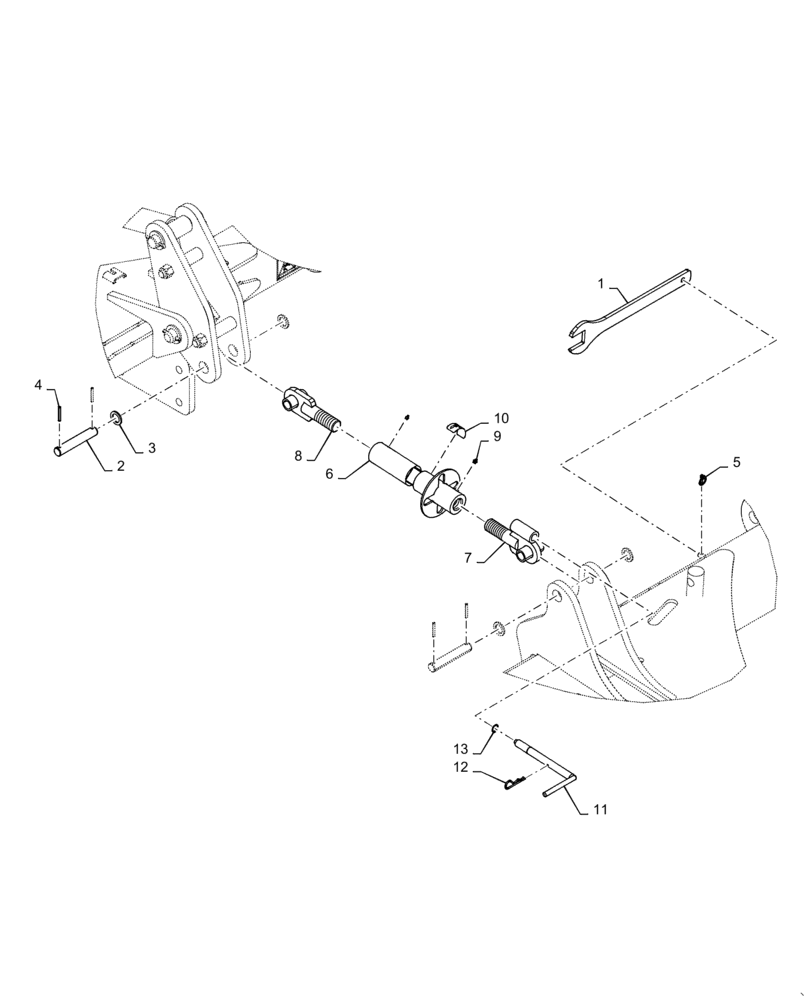
1

395084A1

TOOL

Wrench Turnbuckle

1шт.

2

86993942

PIN,31.75mm OD x 184mm L

1.25 "

2шт.

3

87613302

WASHER,1.31" ID x 1.98" OD x 0.18" Thk

1.312 X 1.984 X .180"

4шт.

4

87019504

COTTER PIN,7.94mm OD x 60.33mm L, Slotted

Spring

4шт.

5

A33497

LINCH PIN,4.76mm OD Pin

Klik

1шт.

6

87413124

BODY

Turnbuckle

1шт.

7

84535265

CLEVIS

Turnbuckle Left

1шт.

8

84535257

CLEVIS

Turnbuckle Right

1шт.

9

87019498

FITTING

Lube

2шт.

10

87395867

DECAL

Amber

1шт.

11

87413119

LOCK PIN

Turnbuckle

1шт.

12

1978738C1

HAIR PIN COTTER

.177 x 3.8

1шт.

13

87348940

SNAP RING

.925" Dia

1шт.

Выбрано товаров: 13