Запчасти Case IH TRUE-TANDEM 335 BARRACUDA (75.200.AG[04]) - RIGHT REAR MAIN-CUSHION GANG WITH 7.5 IN. SPACING (75) - SOIL PREPARATION

Схема запчастей Case IH TRUE-TANDEM 335 BARRACUDA - (75.200.AG[04]) - RIGHT REAR MAIN-CUSHION GANG WITH 7.5 IN. SPACING (75) - SOIL PREPARATION
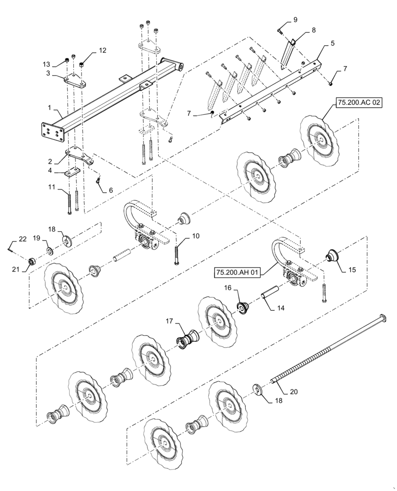
10
15
3
9
13
2
8
20
7
75.200.ah 01
4
22
11
75.200.ac 02
5
18
18
21
12
17
14
16
7
1
19
6
FIT
1:1
100%

Артикул

Название

Примечание

Количество

1

47481058

TUBE

Main Gang, Small

1шт.

2

47601530

PLATE

Mounting Gang Scraper

2шт.

3

47401630

PLATE

Gang Mount 3X5

2шт.

4

47481252

PLATE

Strap

2шт.

5

47594324

SCRAPER

Angle

1шт.

6

86505999

BOLT,Hex, 5/8" - 11 x 2", Gr 5

2шт.

7

85700693

NUT,5/8" - 11, Gr C

7шт.

8

47569499

SCRAPER

Formed

5шт.

9

9627896

BOLT,Hex, 5/8" - 11 x 1 3/4", Gr 5

5шт.

10

87490802

BOLT

.875X7.00 Grade 5

2шт.

11

88945

BOLT,Hex, 3/4" - 10 x 8", Gr 5

4шт.

12

87681198

NUT,Hex, 7/8"-9, 0.45 high

2шт.

13

280375

NUT,3/4"-10, GC

4шт.

14

112769C1

BUSHING,38.91mm ID x 44.45mm OD x 183mm L

Arbor Bolt

2шт.

15

101190C1

SPOOL

Bearing, Short

2шт.

16

1263636C1

SPOOL

Bearing, Short

2шт.

17

1263631C1

SPOOL

7.5" Spacing

5шт.

18

139773C1

WASHER

End

2шт.

19

87412142

WASHER,40mm ID x 75mm OD x 6.5mm Thk

Arbor Bolt

1шт.

20

1263612C5

SQUARE BOLT,Arbor, 1-1/2" - 6 x 1438mm, Drilled

1шт.

21

84151572

SLOTTED NUT

1.5-6 Grade 5

1шт.

22

87019504

COTTER PIN,7.94mm OD x 60.33mm L, Slotted

.312X2.250"

1шт.

Выбрано товаров: 22