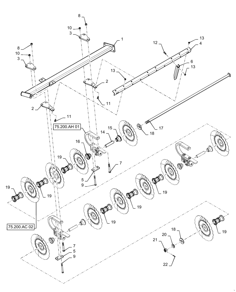
Запчасти Case IH TRUE-TANDEM 335 BARRACUDA (75.200.AG[14]) - LEFT FRONT MAIN-CUSHION GANG WITH 7.5 IN. SPACING (75) - SOIL PREPARATION

Схема запчастей Case IH TRUE-TANDEM 335 BARRACUDA - (75.200.AG[14]) - LEFT FRONT MAIN-CUSHION GANG WITH 7.5 IN. SPACING (75) - SOIL PREPARATION
7
13
20
3
3
11
9
10
5
19
75.200.ac 02
19
13
16
12
18
14
1
19
6
2
19
4
2
17
19
9
21
19
13
18
5
22
11
10
8
7
19
75.200.ah 01
15
8
FIT
1:1
100%

Артикул

Название

Примечание

Количество

1

47481035

TUBE

Main Gang, Med.

1шт.

2

47601530

PLATE

Mounting, Gang Scraper

3шт.

3

47401630

PLATE

Gang Mount, 3X5

3шт.

4

47594305

SCRAPER

Angle

1шт.

5

47481252

PLATE

Strap

3шт.

6

47569499

SCRAPER

Formed Channel

7шт.

7

87490802

BOLT

.875X7.00 Grade 5

3шт.

8

87681198

NUT,Hex, 7/8"-9, 0.45 high

3шт.

9

88945

BOLT,Hex, 3/4" - 10 x 8", Gr 5

6шт.

10

280375

NUT,3/4"-10, GC

6шт.

11

86505999

BOLT,Hex, 5/8" - 11 x 2", Gr 5

3шт.

12

9627896

BOLT,Hex, 5/8" - 11 x 1 3/4", Gr 5

7шт.

13

85700693

NUT,5/8" - 11, Gr C

10шт.

14

112769C1

BUSHING,38.91mm ID x 44.45mm OD x 183mm L

Mount, Cushion Gang

3шт.

15

101190C1

SPOOL

Arbor Bolt

3шт.

16

1263636C1

SPOOL

Bearing, Short

3шт.

17

1263614C5

BOLT,Arbor, 1-1/2" - 6 x 2019mm, Drilled

1шт.

18

139773C1

WASHER

End

2шт.

19

1263631C1

SPOOL

7.5" Spacing

7шт.

20

87412142

WASHER,40mm ID x 75mm OD x 6.5mm Thk

Arbor Bolt

1шт.

21

84151572

SLOTTED NUT

1.5-6 UNC Grade 5

1шт.

22

87019504

COTTER PIN,7.94mm OD x 60.33mm L, Slotted

.312X2.250"

1шт.

Выбрано товаров: 0