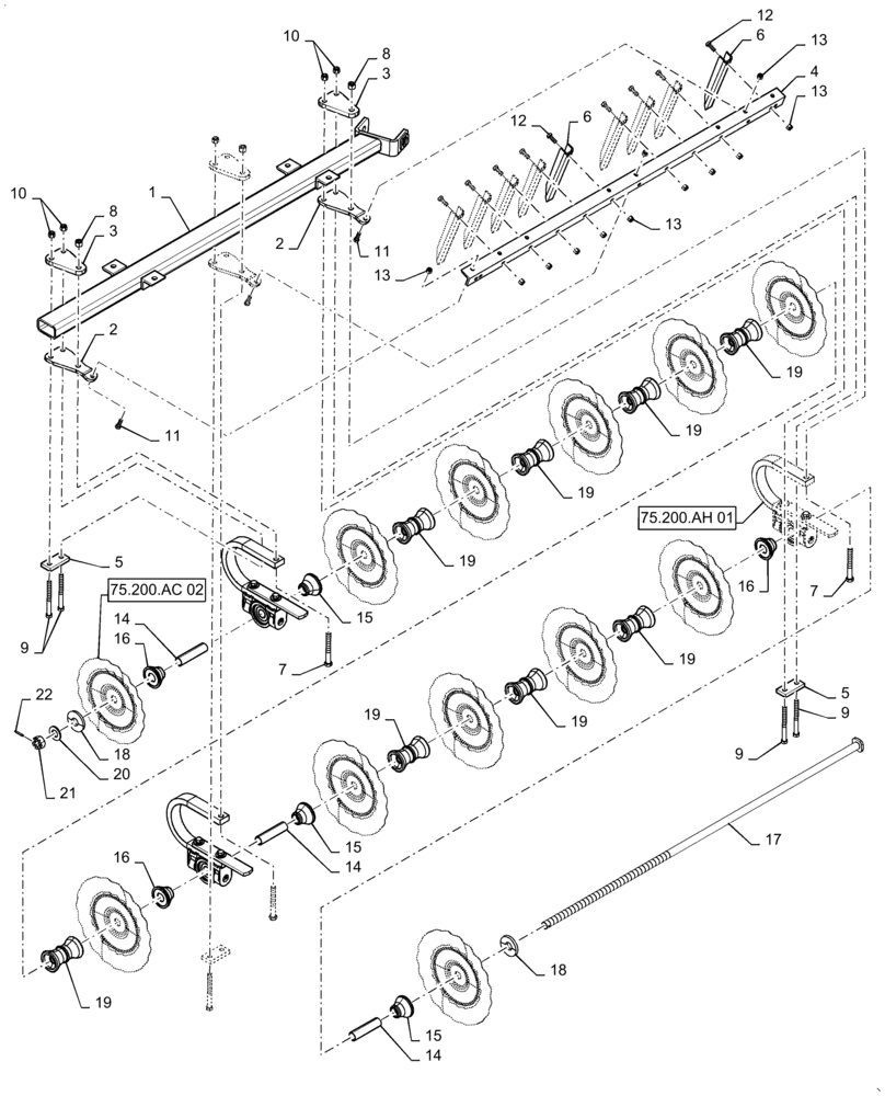
Запчасти Case IH TRUE-TANDEM 335 BARRACUDA (75.200.AG[16]) - LEFT FRONT WING-CUSHION GANG WITH 7.5 IN. SPACING (75) - SOIL PREPARATION

Схема запчастей Case IH TRUE-TANDEM 335 BARRACUDA - (75.200.AG[16]) - LEFT FRONT WING-CUSHION GANG WITH 7.5 IN. SPACING (75) - SOIL PREPARATION
5
18
75.200.ac 02
19
3
16
19
7
19
8
10
19
1
2
14
13
19
6
15
9
4
16
6
5
12
75.200.ah 01
9
8
7
13
19
2
21
3
19
15
11
17
9
19
18
12
15
20
13
11
14
10
13
22
14
16
FIT
1:1
100%

Артикул

Название

Примечание

Количество

1

47480674

TUBE

Wing Gang, Medium

1шт.

2

47601530

PLATE

Mounting, Gang Scraper

3шт.

3

47401630

PLATE

Gang Mount, 3X5

3шт.

4

47709758

ANGLE

Angle

1шт.

5

47481252

PLATE

Strap

3шт.

6

47569499

SCRAPER

Formed Channel

9шт.

7

87490802

BOLT

.875X7.00" Grade 5

3шт.

8

87681198

NUT,Hex, 7/8"-9, 0.45 high

3шт.

9

88945

BOLT,Hex, 3/4" - 10 x 8", Gr 5

6шт.

10

280375

NUT,3/4"-10, GC

6шт.

11

86505999

BOLT,Hex, 5/8" - 11 x 2", Gr 5

3шт.

12

9627896

BOLT,Hex, 5/8" - 11 x 1 3/4", Gr 5

9шт.

13

85700693

NUT,5/8" - 11, Gr C

12шт.

14

112769C1

BUSHING,38.91mm ID x 44.45mm OD x 183mm L

Arbor Bolt

3шт.

15

101190C1

SPOOL

Bearing, Short

3шт.

16

1263636C1

SPOOL

Bearing, Short

3шт.

17

1986269C5

SPECIAL BOLT,Square, 1 1/2" - 6 x 87.17", Carbon Steel

1шт.

18

139773C1

WASHER

End

2шт.

19

1263631C1

SPOOL

7.5" Spacing

8шт.

20

87412142

WASHER,40mm ID x 75mm OD x 6.5mm Thk

Arbor Bolt

1шт.

21

84151572

SLOTTED NUT

1.5-6 UNC Grade 5

1шт.

22

87019504

COTTER PIN,7.94mm OD x 60.33mm L, Slotted

.312X2.250"

1шт.

Выбрано товаров: 0