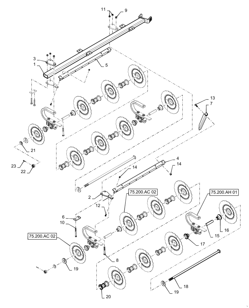
Запчасти Case IH TRUE-TANDEM 335 BARRACUDA (75.200.AG[22]) - LEFT FRONT WING-CUSHION GANG WITH 7.5 IN. SPACING (75) - SOIL PREPARATION

Схема запчастей Case IH TRUE-TANDEM 335 BARRACUDA - (75.200.AG[22]) - LEFT FRONT WING-CUSHION GANG WITH 7.5 IN. SPACING (75) - SOIL PREPARATION
14
17
15
20
2
22
9
8
75.200.ah 01
16
11
19
14
23
10
21
13
3
6
1
12
5
75.200.ac 02
19
7
4
18
75.200.ac 02
FIT
1:1
100%

Артикул

Название

Примечание

Количество

1

47480672

TUBE

Wing Gang, Med

1шт.

2

47601530

PLATE

Mounting, Gang Scraper

4шт.

3

47401630

PLATE

Gang Mount 3X5

4шт.

4

47594324

SCRAPER

Angle

1шт.

5

47594307

ANGLE

Angle

1шт.

6

47481252

PLATE

Strap

4шт.

7

47569499

SCRAPER

Formed Channel

11шт.

8

87490802

BOLT

.875X7.00 Grade 5

4шт.

9

87681198

NUT,Hex, 7/8"-9, 0.45 high

4шт.

10

88945

BOLT,Hex, 3/4" - 10 x 8", Gr 5

8шт.

11

280375

NUT,3/4"-10, GC

8шт.

12

86505999

BOLT,Hex, 5/8" - 11 x 2", Gr 5

4шт.

13

9627896

BOLT,Hex, 5/8" - 11 x 1 3/4", Gr 5

11шт.

14

85700693

NUT,5/8" - 11, Gr C

15шт.

15

112769C1

BUSHING,38.91mm ID x 44.45mm OD x 183mm L

Arbor Bolt

2шт.

16

101190C1

SPOOL

Bearing, Short

2шт.

17

1263636C1

SPOOL

Bearing, Short

2шт.

18

1263612C5

SQUARE BOLT,Arbor, 1-1/2" - 6 x 1438mm, Drilled

1шт.

19

139773C1

WASHER

End

2шт.

20

1263631C1

SPOOL

7.5" Spacing

5шт.

21

87412142

WASHER,40mm ID x 75mm OD x 6.5mm Thk

Arbor Bolt

1шт.

22

84151572

SLOTTED NUT

1.5-6 UNC, Grade 5

1шт.

23

87019504

COTTER PIN,7.94mm OD x 60.33mm L, Slotted

.312X2.250"

1шт.

Выбрано товаров: 0