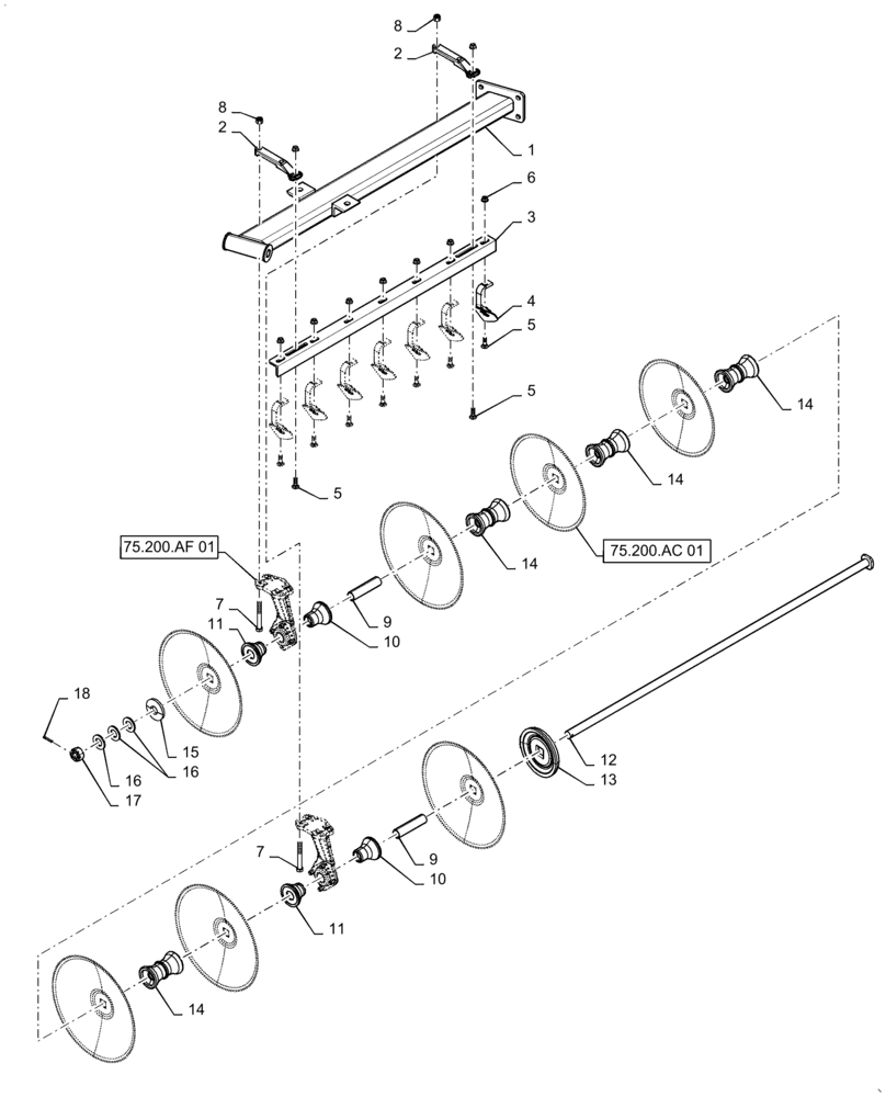
Запчасти Case IH TRUE-TANDEM 345 (75.200.AE[17]) - LEFT FRONT MAIN-RIGID GANG WITH 9 IN. SPACING (75) - SOIL PREPARATION

Схема запчастей Case IH TRUE-TANDEM 345 - (75.200.AE[17]) - LEFT FRONT MAIN-RIGID GANG WITH 9 IN. SPACING (75) - SOIL PREPARATION
2
5
7
11
16
9
18
5
9
2
17
75.200.ac 01
7
1
12
13
4
8
10
10
14
11
75.200.af 01
5
14
14
6
8
3
15
14
16
FIT
1:1
100%

Артикул

Название

Примечание

Количество

1

47481058

TUBE

Main Gang

1шт.

2

231649A2

SUPPORT

Scraper Angle

2шт.

3

47559697

SCRAPER

7 Blade 9"

1шт.

4

47440974

SCRAPER

Left

7шт.

5

280742

CARRIAGE BOLT,Sq Nk, 5/8" - 11 x 2", Gr 5

9шт.

6

84180923

FLANGE NUT

5/8"-11

9шт.

7

280120

BOLT,Hex, 3/4" - 10 x 6", Gr 5

4шт.

8

280375

NUT,3/4"-10, GC

4шт.

9

112410C1

TUBE

Bushing 220 mm

2шт.

10

101191C1

SPOOL

7 1/2"-9" Bearing

2шт.

11

101190C1

SPOOL

Bearing Short

2шт.

12

1263537C6

SQUARE BOLT,Arbor, 1-1/2" - 6 x 1472mm, Drilled

1шт.

13

1344908C1

WASHER

Bumper

1шт.

14

139918C1

SPACER

Spool

4шт.

15

139773C1

WASHER

Arbor Bolt

1шт.

16

87412142

WASHER,40mm ID x 75mm OD x 6.5mm Thk

1шт.

17

84151572

SLOTTED NUT

1 1/2"-6

1шт.

18

87019504

COTTER PIN,7.94mm OD x 60.33mm L, Slotted

1шт.

Выбрано товаров: 0