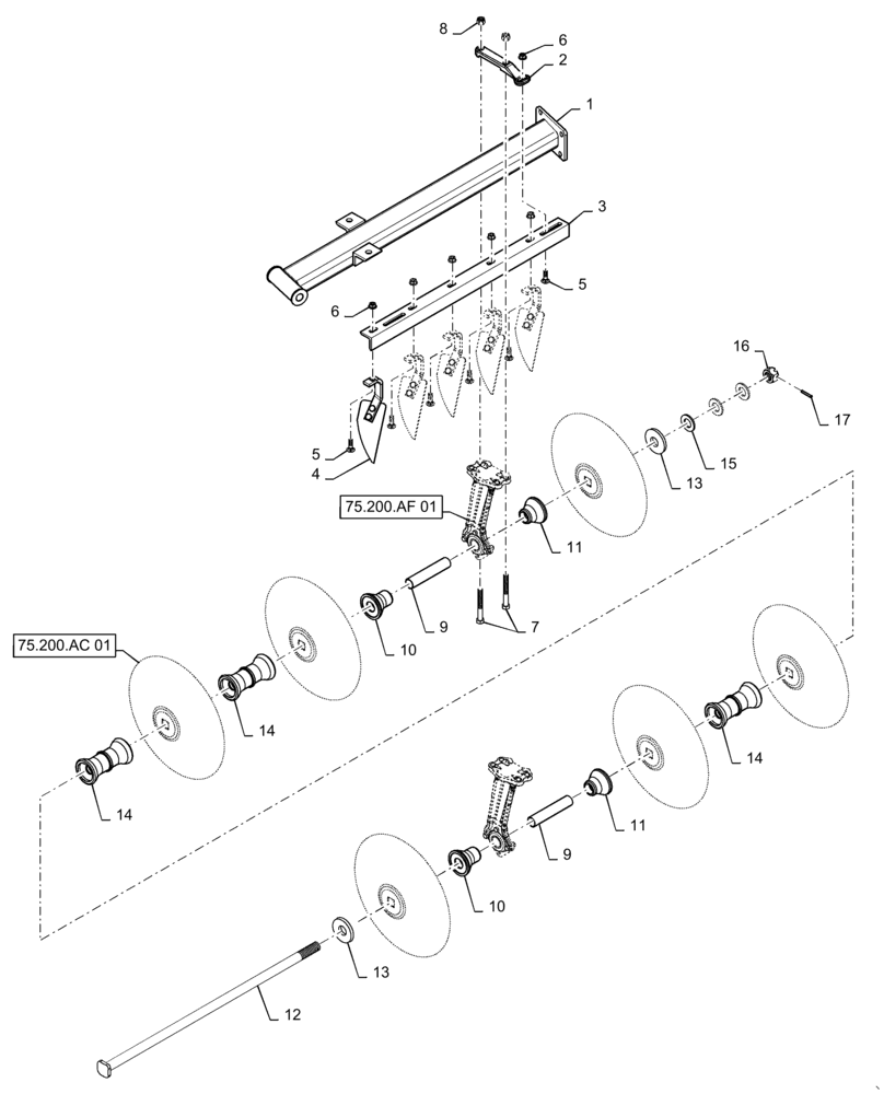
Запчасти Case IH TRUE-TANDEM 345 (75.200.AE[21]) - LEFT REAR MAIN-RIGID GANG WITH 9 IN. SPACING (75) - SOIL PREPARATION

Схема запчастей Case IH TRUE-TANDEM 345 - (75.200.AE[21]) - LEFT REAR MAIN-RIGID GANG WITH 9 IN. SPACING (75) - SOIL PREPARATION
11
10
14
75.200.ac 01
7
13
5
2
8
15
12
17
10
75.200.af 01
16
6
11
6
9
14
9
3
1
13
14
5
4
FIT
1:1
100%

Артикул

Название

Примечание

Количество

1

47481059

TUBE

Main Gang FR RL PT

1шт.

2

231649A2

SUPPORT

Scraper

2шт.

3

47481871

SCRAPER

9" Spacing

1шт.

4

47401585

SCRAPER

Right

5шт.

5

280742

CARRIAGE BOLT,Sq Nk, 5/8" - 11 x 2", Gr 5

7шт.

6

84180923

FLANGE NUT

.625"

7шт.

7

280120

BOLT,Hex, 3/4" - 10 x 6", Gr 5

4шт.

8

280375

NUT,3/4"-10, GC

4шт.

9

112410C1

TUBE

Bushing Arbor

2шт.

10

101191C1

SPOOL

7-1/2" /9"

2шт.

11

101190C1

SPOOL

Bearing Short

2шт.

12

1263536C6

BOLT,Arbor, 1-1/2" - 6 x 1244mm, Drilled

1шт.

13

139773C1

WASHER

End

2шт.

14

139918C1

SPACER

Spacing

3шт.

15

87412142

WASHER,40mm ID x 75mm OD x 6.5mm Thk

Arbor Bolt 16

1шт.

16

84151572

SLOTTED NUT

1-1/2"-6

1шт.

17

87019504

COTTER PIN,7.94mm OD x 60.33mm L, Slotted

1шт.

Выбрано товаров: 17