Запчасти Case IH TRUE-TANDEM 375 (39.110.AB[13]) - MAINFRAME ROCKSHAFT SMALL 375 (39) - FRAMES AND BALLASTING

Схема запчастей Case IH TRUE-TANDEM 375 - (39.110.AB[13]) - MAINFRAME ROCKSHAFT SMALL 375 (39) - FRAMES AND BALLASTING
4
20
23
44.530.aa 02
10
30
7
8
28
17
9
11
6
12
14
16
25
13
5
15
3
18
1
21
27
29
24
2
19
26
22
FIT
1:1
100%

Артикул

Название

Примечание

Количество

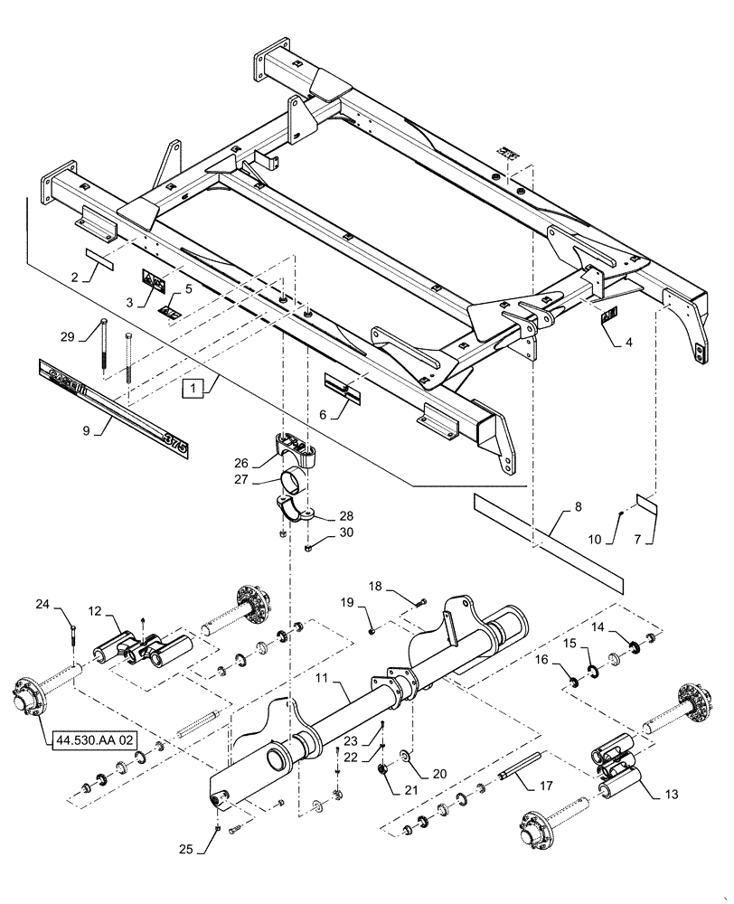
1

47737187

FRAME

Main with Safety Decals Small Incl 2 - 6

1шт.

2

311864A1

REFLECTOR

Amber 2 x 9

2шт.

3

84599919

DECAL

Crushing Hazard

2шт.

4

84599877

DECAL

Stored Energy

1шт.

5

84599911

CAUTION DECAL

Cylinder Lock

2шт.

6

47623656

DECAL

Agronomic Design

2шт.

7

NS

NOT SERVICED

ID Plate requires Special Order

1шт.

8

47584758

DECAL

375 True Tandem Left

1шт.

9

47584757

DECAL

375 True Tandem Right

1шт.

10

97571C1

RIVET

Serial Plate

4шт.

11

47468113

SHAFT

Rockshaft Harrow Small

1шт.

12

47691891

CASTER

Tandem 2.75" Right

1шт.

13

47691892

CASTER

Tandem 2.75" Left

1шт.

14

84229861

BEARING

Cone

4шт.

15

21932510

SEAL

3.154 mm x .160 mm

4шт.

16

84422537

SPACER

Bearing

4шт.

17

47691977

PIN

Pivot

2шт.

18

9706701

BOLT,Hex, 3/4" - 10 x 2 1/2", Gr 5

2шт.

19

280375

NUT,3/4"-10, GC

2шт.

20

84156982

WASHER,1.53" ID x 3" OD x 0.26" Thk

1.531 x 3.000 x .259"

2шт.

21

14032409

NUT

1.5"

2шт.

22

87016560

JAM NUT,Jam, 3/8"-16, G5

2шт.

23

16806045

SET SCREW,Sq Hd, 3/8" - 16 UNC x 1"

2шт.

24

88729

BOLT,Hex, 5/8" - 11 x 5", Gr 5

4шт.

25

85700693

NUT,5/8" - 11, Gr C

4шт.

26

84294608

CASTING

Rockshaft

2шт.

27

87703164

BUSHING,143mm ID x 155.7mm OD x 76.2mm L

2шт.

28

87715831

BEARING CAP

Painted CNH Black

2шт.

29

84345502

BOLT

7/8-9 x 13.5 2.25"

4шт.

30

87681198

NUT,Hex, 7/8"-9, 0.45 high

4шт.

Выбрано товаров: 0