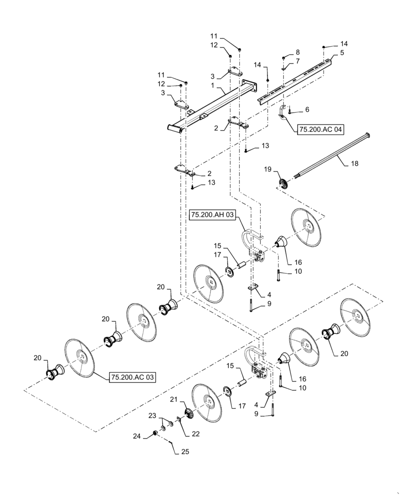
Запчасти Case IH TRUE-TANDEM 375 (75.200.AI[09]) - LEFT FRONT MAIN - 375 CUSHION GANG WITH 9 IN. SPACING (75) - SOIL PREPARATION

Схема запчастей Case IH TRUE-TANDEM 375 - (75.200.AI[09]) - LEFT FRONT MAIN - 375 CUSHION GANG WITH 9 IN. SPACING (75) - SOIL PREPARATION
2
11
20
13
3
19
14
75.200.ac 04
13
8
14
18
7
4
15
16
5
9
22
1
10
12
2
12
75.200.ac 03
21
20
11
17
9
24
4
20
20
3
17
10
16
23
15
25
75.200.ah 03
6
FIT
1:1
100%

Артикул

Название

Примечание

Количество

1

47481058

TUBE

1шт.

2

47401689

PLATE

2шт.

3

47401630

PLATE

2шт.

4

47481252

PLATE

2шт.

5

47720510

ANGLE

1шт.

6

84180924

CARRIAGE BOLT

7шт.

7

87623346

WASHER,16.66mm ID x 38.1mm OD x 13.72mm Thk

7шт.

8

85700693

NUT,5/8" - 11, Gr C

7шт.

9

88945

BOLT,Hex, 3/4" - 10 x 8", Gr 5

4шт.

10

87490802

BOLT

2шт.

11

87681198

NUT,Hex, 7/8"-9, 0.45 high

2шт.

12

280375

NUT,3/4"-10, GC

4шт.

13

280742

CARRIAGE BOLT,Sq Nk, 5/8" - 11 x 2", Gr 5

2шт.

14

84180923

FLANGE NUT

2шт.

15

86983480

BUSHING,49.28mm ID x 55.17mm OD x 122mm L

2шт.

16

86983463

SPOOL

2шт.

17

86983464

SPOOL

2шт.

18

447939A1

PLOW BOLT

1шт.

19

60615C1

WASHER

1шт.

20

437773A1

SPOOL

4шт.

21

549973R2

SQ HOLE WASHER

1шт.

22

87428606

NUT

1шт.

23

87412142

WASHER,40mm ID x 75mm OD x 6.5mm Thk

1шт.

24

84151572

SLOTTED NUT

1шт.

25

87019504

COTTER PIN,7.94mm OD x 60.33mm L, Slotted

1шт.

Выбрано товаров: 25