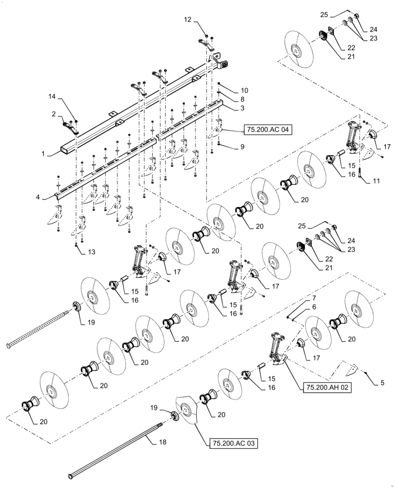
Запчасти Case IH TRUE-TANDEM 375 (75.200.AI[47]) - LEFT REAR WING-375 RIGID GANG WITH 9 IN. SPACING (75) - SOIL PREPARATION

Схема запчастей Case IH TRUE-TANDEM 375 - (75.200.AI[47]) - LEFT REAR WING-375 RIGID GANG WITH 9 IN. SPACING (75) - SOIL PREPARATION
25
15
23
5
20
18
22
20
8
11
16
20
9
22
10
17
24
20
23
2
24
6
75.200.ah 02
17
14
4
21
13
20
1
12
15
15
75.200.ac 03
17
25
7
16
19
3
20
19
20
16
20
75.200.ac 04
21
20
16
17
15
FIT
1:1
100%

Артикул

Название

Примечание

Количество

1

47480943

TUBE

1шт.

2

86988730

MOUNTING PARTS

4шт.

3

47720503

ANGLE

1шт.

4

47720494

ANGLE

1шт.

5

87670

BOLT,1/2" - 13 x 1-1/4", Full Thd, Gr 5

8шт.

6

80700

WASHER,0.56" ID x 1.38" OD x 0.11" Thk

8шт.

7

86992215

LOCK NUT,1/2"-13, GC

8шт.

8

87623346

WASHER,16.66mm ID x 38.1mm OD x 13.72mm Thk

11шт.

9

84180924

CARRIAGE BOLT

11шт.

10

85700693

NUT,5/8" - 11, Gr C

11шт.

11

47686201

BOLT

8шт.

12

87681198

NUT,Hex, 7/8"-9, 0.45 high

8шт.

13

280742

CARRIAGE BOLT,Sq Nk, 5/8" - 11 x 2", Gr 5

4шт.

14

84180923

FLANGE NUT

4шт.

15

86983480

BUSHING,49.28mm ID x 55.17mm OD x 122mm L

2шт.

16

437774A1

SPOOL

2шт.

17

437775A1

SPOOL

2шт.

18

447941A1

PLOW BOLT

1шт.

19

60615C1

WASHER

1шт.

20

437773A1

SPOOL

6шт.

21

549973R2

SQ HOLE WASHER

1шт.

22

87428606

NUT

1шт.

23

87412142

WASHER,40mm ID x 75mm OD x 6.5mm Thk

1шт.

24

84151572

SLOTTED NUT

1шт.

25

87019504

COTTER PIN,7.94mm OD x 60.33mm L, Slotted

1шт.

Выбрано товаров: 25