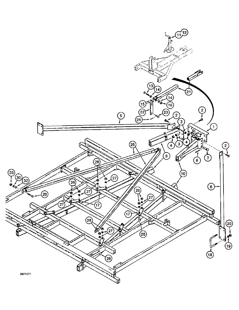
Запчасти Case IH 4900 (9-28) - LEVEL LIFT TRACTOR HITCH, BRACES AND BEAMS (09) - CHASSIS/ATTACHMENTS

Схема запчастей Case IH 4900 - (9-28) - LEVEL LIFT TRACTOR HITCH, BRACES AND BEAMS (09) - CHASSIS/ATTACHMENTS
FIT
1:1
100%

Артикул

Название

Примечание

Количество

1

1284134C2

ANGLE

BRACKET hitch connecting

1шт.

2

413-1032

BOLT,Hex, 5/8" - 11 x 2", Gr 5

12шт.

3

492-11062

BEARING WASHER,5/8"

12шт.

4

425-1010

NUT,5/8"-11, G5

12шт.

5

1960703C1

HITCH ASSY, TRAILER

BRACE, outer, left hand

1шт.

6

1960704C1

HITCH ASSY, TRAILER

BRACE, outer, right hand

1шт.

7

427-20325

CLEVIS PIN,1 1/4" x 3 1/4"

1-1/4 x 3-1/4 inch, hardened

2шт.

8

432-1632

COTTER PIN,1/4" x 2"

1/4" x 2"

2шт.

9

1284129C1

HITCH ASSY, TRAILER

BEAM hitch, left hand

1шт.

10

1284130C1

HITCH ASSY, TRAILER

BEAM hitch, right hand

1шт.

11

135061C91

JACK

JACK side crank Atwood manufactured, if used

1шт.

12

119354C1

JACK

side crank, Hammerblow manufactured, if used

1шт.

13

413-1696

BOLT,Hex, 1" - 8 x 6", Gr 5

BOLT hex, 1 NC x 6 inch

1шт.

14

495-21106

WASHER,1"

flat, 1-1/16 x 2-1/2 x 5/32 inch

2шт.

15

571823R1

SPACER,1 1/4" Tube x 1"

SPACER front connecting tube

2шт.

16

231-41116

NUT,1"-8, GB

hex, self locking, 1 inch NC

1шт.

17

812865C1

BAR

clamp

10шт.

18

812659C1

BOLT,5/8" - 11 x 4.4"

U, brace

4шт.

19

492-11062

BEARING WASHER,5/8"

8шт.

20

425-1010

NUT,5/8"-11, G5

8шт.

21

1284492C1

TUBE ASSY.

front connecting

1шт.

22

1284496C1

BAR

intermediate pivot

1шт.

23

439-51644

HEADED PIN,1" x 2 3/4", G5

headed, 1 x 2-3/4 inch

1шт.

24

32-1632

COTTER PIN,1/4" x 2"

1шт.

25

1284490C1

TUBE,3180 mm Length

BRACE rear connecting

2шт.

26

812864C1

U-BOLT,5/8" - 11 x 11.6"

BOLT "U" 5/8 NC x 11-5/8 inch

10шт.

27

492-11062

BEARING WASHER,5/8"

20шт.

28

425-1010

NUT,5/8"-11, G5

20шт.

29

413-1244

BOLT,Hex, 3/4" - 10 x 2-3/4", Gr 5

hex, 3/4 NC x 2-3/4 inch

2шт.

30

495-81045

WASHER,25/32" x 1 3/4" x .179"

flat, 25/32 x 1-3/4 x 11/64 inch

2шт.

32

1333812C1

BUSHING,19.3mm ID x 25.4mm OD x 15mm L

rear connecting tube

2шт.

33

232-41112

NUT,3/4"-10, GC

2шт.

Выбрано товаров: 32