Запчасти Case IH 4900 (9-48) - VIBRA CHISEL SHANK (09) - CHASSIS/ATTACHMENTS

Схема запчастей Case IH 4900 - (9-48) - VIBRA CHISEL SHANK (09) - CHASSIS/ATTACHMENTS
FIT
1:1
100%

Артикул

Название

Примечание

Количество

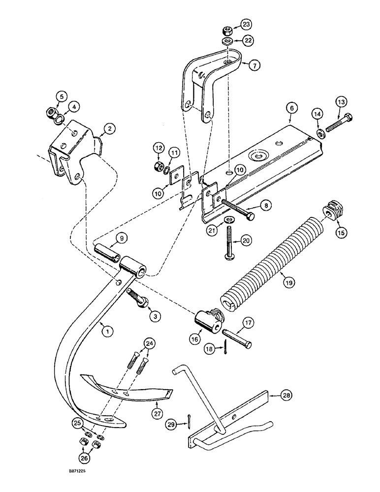
1

813160C2

SHANK

ground working tool

1шт.

2

811334C1

CLAMP

shank

1шт.

3

413-1028

BOLT,Hex, 5/8" - 11 x 1-3/4", Gr 5

hex, 5/8 Nc x 1-3/4 inch

1шт.

4

492-11062

BEARING WASHER,5/8"

1шт.

5

425-1010

NUT,5/8"-11, G5

1шт.

6

813162C1

SUPPORT

BRACKET shank

1шт.

7

813161C1

CLAMP

shank

1шт.

8

413-1272

BOLT,Hex, 3/4" - 10 x 4-1/2", Gr 5

hex, 3/4 NC x 4-1/2 inch

1шт.

9

812760C1

BUSHING,19.3mm ID x 26.92mm OD x 76.2mm L

shank

1шт.

10

1284063C1

LARGE PLATE

PLATE, LARGE shank

1шт.

11

493-41078

LOCK WASHER,Ext Tooth, 3/4"

external tooth lock, 3/4 inch

1шт.

12

425-1012

NUT,3/4"-10, G5

1шт.

13

812199C1

BOLT,Hex, 5/8" - 11 x 4"

hex head, 5/8 NC x 4 inch

1шт.

14

496-21066

WASHER,16.6mm ID x 33.5mm OD x 3.8mm Thk

Hardened

1шт.

15

811338C1

PLUG

spring

1шт.

16

811337C1

PLUG

spring

1шт.

17

811390C2

PIN,16.31mm OD x 103.99mm L

special

1шт.

18

432-1216

COTTER PIN,3/16" x 1"

1шт.

19

811342C1

SPRING

shank return

1шт.

20

811340C3

BOLT,1/2" - 13 x 5 1/2"

shank mounting

1шт.

21

495-81028

WASHER,21/32" x 1 1/2" x .240"

flat, 21/32 x 1-3/4 x 15/64 inch

1шт.

22

495-81025

WASHER,13.49mm ID x 31.75mm OD x 4.93mm Thk

flat, 17/32 x 1-1/4 x 5/32 inch

1шт.

23

231-4118

LOCK NUT,1/2"-13, GB

hex, self locking, 1/2 inch NC

1шт.

24

419-2832

PLOW BOLT,#3, 1/2" - 13 x 2", Gr 5

1/2 NC x 2 inch, used with 2 inch and 3 inch tools

1шт.

24

419-2828

PLOW BOLT,#3, 1/2" - 13 x 1 3/4", Cl 5

1/2 NC x 1-3/4 inch, used with tools over 3 inches

1шт.

25

80679

LOCK WASHER,1/20.507 CST ZND

1шт.

26

425-108

NUT,1/2" - 13, Gr 5

1шт.

27

REF

INSTRUCTION

POINT, 2 inch (51 mm) reversible chisel, see figure 9-50 for ground working tools

1шт.

28

813127C1

TOOL ASSY.

Vibre Chisel mount

1шт.

29

432-1216

COTTER PIN,3/16" x 1"

2шт.

Выбрано товаров: 30