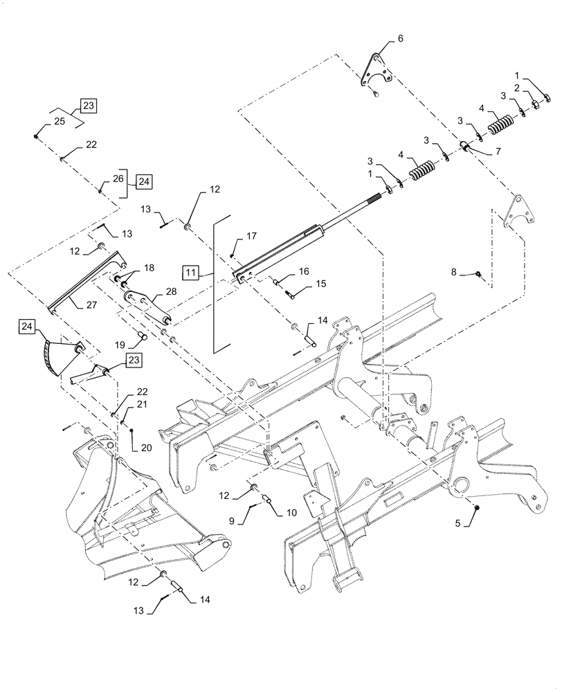
Запчасти Case IH TRUE-TANDEM 335VT (75.200.AA[01]) - SPRING LEVELING PARTS (75) - SOIL PREPARATION

Схема запчастей Case IH TRUE-TANDEM 335VT - (75.200.AA[01]) - SPRING LEVELING PARTS (75) - SOIL PREPARATION
3
8
7
27
12
12
11
13
10
3
26
12
9
24
16
28
3
5
13
23
14
21
23
12
3
6
19
22
13
17
24
18
4
20
25
2
1
1
4
22
15
14
FIT
1:1
100%

Артикул

Название

Примечание

Количество

1

87010729

JAM NUT,Jam, 1 1/2"-6, G5

1шт.

2

3541

NUT,1 1/2"-6, G5

1шт.

3

84156982

WASHER,1.53" ID x 3" OD x 0.26" Thk

3шт.

4

446677A1

SPRING

Comperssion

2шт.

5

280375

NUT,3/4"-10, GC

8шт.

6

84140524

PLATE

Rockshaft Level

1шт.

7

87455476

TRUNNION

Spring Leveling

1шт.

8

87403

BOLT,Hex, 3/4" - 10 x 2 1/4", Gr 5

8шт.

9

87019504

COTTER PIN,7.94mm OD x 60.33mm L, Slotted

2шт.

10

84266175

PIN

1.25 x 4.5"

2шт.

11

84140781

ARM

Inc. 1 - 4, 7, & 15 - 17

1шт.

12

87613302

WASHER,1.31" ID x 1.98" OD x 0.18" Thk

2шт.

13

88182

COTTER PIN,1/4" OD x 2" L

3шт.

14

84182871

PIN

1.25 x 6.7"

2шт.

15

88729

BOLT,Hex, 5/8" - 11 x 5", Gr 5

1шт.

16

84140537

SPACER

Level Lift Spring

1шт.

17

85700693

NUT,5/8" - 11, Gr C

2шт.

18

17620020

BUSHING,32.15mm ID x 47.63mm OD x 2.08mm L

4шт.

19

84156994

CLEVIS PIN

1 - 1/4 x 3-3/4"

2шт.

20

88871

NUT,1/2"-13, GC

2шт.

21

87364

WASHER,0.53" ID x 1.06" OD x 0.1" Thk

2шт.

22

87381

WASHER,0.81" ID x 1.47" OD x 0.13" Thk

2шт.

23

84158963

ARM

Inc 25

2шт.

24

84176407

LEVEL GAUGE

Inc 26

1шт.

25

87689

BOLT,1/2"-13 x 1.813" OAL, Gr 5

1шт.

26

87449661

SPACER

Amber Bushing

1шт.

27

84211777

ARM

Leveling

1шт.

28

84140528

PLATE

Rockshaft Level

1шт.

Выбрано товаров: 28