Запчасти Case IH D-179 (A-14) - CYLINDER HEAD AND RELATED PARTS

Схема запчастей Case IH D-179 - (A-14) - CYLINDER HEAD AND RELATED PARTS
18
16
10
19
28
4
8
22
40
12
17
20
25
39
29
23
30
14
1
24
9
5
7
32
31
21
26
42
41
35
34
6
11
3
5
7
37
13
8
33
11
2
36
27
38
29
15
12
23
FIT
1:1
100%

Артикул

Название

Примечание

Количество

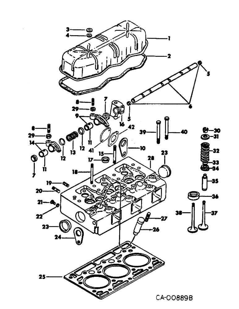
1

3136364R1

COVER

valve housing

1шт.

2

3138641R1

GASKET

valve housing cover

1шт.

3

3138637R1

CUP WASHER

WASHER, valve housing cover

2шт.

4

3138638R1

RING,7.5mm ID x 15mm OD x 4mm Thk

valve housing cover

2шт.

5

933565R1

PLUG,M14, Conical

expansion

2шт.

6

3055069R21

SHAFT

ASSY, rocker arm

1шт.

7

3055068R1

BUSHING,22mm ID x 30mm OD x 6.8mm L

distance

5шт.

8

3132137R1

ADJUSTMENT SCREW

Rocker arm

6шт.

9

3132292R91

ROCKER

PACKAGE, rocker arm intake

3шт.

10

3055369R1

PLATE

SHACKLE, engine mounting RH

1шт.

13-1218

BOLT,Hex, 3/4" - 10 x 1-1/8", Gr 5

SCREW, 3/4-10 x 1-1/8 hex-hd cap

1шт.

11

3132019R1

BUSHING,21.15mm ID x 26.09mm OD x 25.4mm L

6шт.

12

3055669R1

THRUST WASHER

thrust rocker arm

6шт.

13

3055075R2

SPRING

rocker arm

3шт.

14

3132293R91

ARM ASSY.

PACKAGE, rocker arm exhaust

3шт.

15

3055220R1

STUD,1/2" - 20 x 3.18"

rocker shaft bracket

4шт.

16

3055077R6

SUPPORT

BRACKET, rocker arm shaft

4шт.

25-118

NUT,1/2"-20, G5

1/2-20 hex.

4шт.

179822

BOLT,Hex, 5/16" - 18 x 1 1/2", Gr 5

4шт.

103320

LOCK WASHER,5/16"

WASHER, LOCK, 5/16"

4шт.

425-115

NUT,5/16"-24, G5

5/16-24 hex.

2шт.

17

933750R1

PLUG,M32, Conical

expansion

3шт.

18

3055223R1

STUD

cylinder head cover

2шт.

425-115

NUT,5/16"-24, G5

5/16-24 hex.

2шт.

19

3055221R1

STUD

water collecting pipe

6шт.

20

3055663R1

STUD

exhaust manfiold

6шт.

21

934259R1

PLUG,Hex, M10 x 1

Replaces 933127R1 Hex, M10 x 1

1шт.

22

718743R1

SEALING RING,M10 x 16 x 1

Ring, Packing M10 x 16 x 1

1шт.

23

934003R1

PLUG,M52, Conical

expansion 2.05, engine serial nos. 010292 and 050011 and above

2шт.

23

933574R1

PLUG,M50, Conical

expansion 1.97, engine serial nos. 010291 and 050010 and below

2шт.

24

3055370R1

STIRRUP

SHACKLE, engine mounting front

1шт.

13-1218

BOLT,Hex, 3/4" - 10 x 1-1/8", Gr 5

SCREW, 3/4-10 x 1-1/8 hex-hd cap

1шт.

25

3144181R2

GASKET

cylinder head, Replaces 3132282R4

1шт.

26

3055344R1

SLEEVE

INSERT, nozzle holder

3шт.

27

3055412R1

STUD

nozzle holder

6шт.

28

3055366R95

CYLINDER HEAD

HEAD ASSY, cylinder, Consists of

1шт.

HEAD (NSS)

1шт.

933750R1

PLUG,M32, Conical

3шт.

934003R1

PLUG,M52, Conical

2шт.

3055022R1

GUIDE

6шт.

3055220R1

STUD,1/2" - 20 x 3.18"

4шт.

3055663R1

STUD

6шт.

3055221R1

STUD

6шт.

SEAT (NSS)

3шт.

3055223R1

STUD

2шт.

3055344R1

SLEEVE

INSERT

3шт.

29

3132138R1

NUT

rocker arm adjusting

6шт.

30

3055057R91

ROCKER ARM COTTER

CONE, spring lock valve

6шт.

31

3055058R2

SPRING CUP

CAP, valve spring retainer

6шт.

32

3055060R1

SPRING

valve

6шт.

33

SEAL, valve stem, Not serviced separately, Order package 3218399R91

6шт.

34

3218069R1

SPACER

valve, Replaces rotocap, 3055059R91

6шт.

35

3055022R2

VALVE GUIDE

GUIDE, valve stem

6шт.

36

3132362R1

VALVE SEAT

INSERT, exhaust valve seat .004 O/S

3шт.

36

3132361R1

INSERT

exhaust valve seat .016 O/S

3шт.

37

3055055R2

OVERSIZE INLET VALVE

VALVE, intake

3шт.

38

3055056R2

STD EXHAUST VALVE

VALVE, exhaust, Replaces 3059459R2

3шт.

39

3138747R1

BOLT,Cyl Hd, 9/16" - 12 x 123mm

9/16-12 x 5 hex-hd

6шт.

40

3138748R1

BOLT,Flng, 9/16" - 12 x 5-3/4"

BOLT, 9/16-12 x 5-3/4 hex-hd

8шт.

41

3132721R1

COVER

closing, Used with water collecting pipe 3218034R1 only

1шт.

42

3055306R1

GASKET

closing cover

1шт.

Выбрано товаров: 61