Запчасти Case IH D-179 (A-27) - FUEL INJECTION PUMP

Схема запчастей Case IH D-179 - (A-27) - FUEL INJECTION PUMP
82
71
69
46
31
59
65
39
17
48
27
48
45
41
63
10
37
78
67
14
12
75
62
49
66
18
4
57
60
83
65
6
23
25
28
47
50
64
9
26
51
34
3
55
52
80
16
29
53
8
44
13
20
21
76
56
40
54
15
1
36
58
30
74
77
79
73
32
72
38
11
35
26
81
33
2
42
19
68
22
7
43
71
24
47
5
46
76
24
61
FIT
1:1
100%

Артикул

Название

Примечание

Количество

3144402R91

PUMP

ASSY, fuel injection, Note A

1шт.

9635082

NUT,5/16" - 18, Gr 5

5/16 x 18 hex.

2шт.

103320

LOCK WASHER,5/16"

WASHER, LOCK, 5/16"

2шт.

3055574R1

WASHER,8.5mm ID x 19mm OD x 2.5mm Thk

.355 x .748 x .098 Bosch no. EP/VA3/100H 1100CR62, 454 tractors with synchromesh transmission, Consists of all parts plus those marked unit A

2шт.

3144403R91

PUMP

ASSY, fuel injection, Note A

1шт.

9635082

NUT,5/16" - 18, Gr 5

5/16 x 18 hex.

2шт.

103320

LOCK WASHER,5/16"

WASHER, LOCK, 5/16"

2шт.

3055574R1

WASHER,8.5mm ID x 19mm OD x 2.5mm Thk

.355 x .748 x .098, Bosch no. EP/VA3/100H, 454 tractors with hydrostatic transmission, 464 tractors, Consists of all parts plus those marked unit B

2шт.

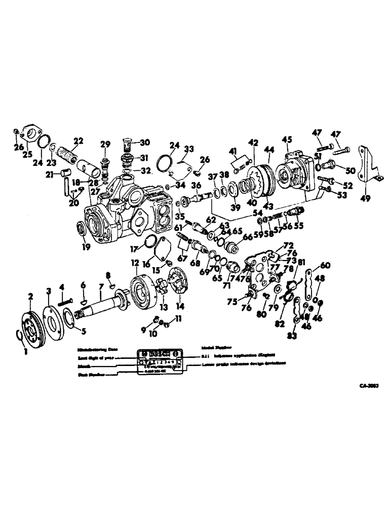
1

3078474R1

RING

retaining

1шт.

2

3078475R91

PUMP

charge

1шт.

3

3078476R1

RING

charge pump support

1шт.

4

3078477R1

BOLT,CSK

SCREW, retaining support ring

2шт.

5

3078479R1

THRUST WASHER

roller retainer thrust

1шт.

6

3079101R1

WOODRUFF KEY

KEY, drive shaft, Replaces 3078371R1

1шт.

7

3078473R1

SHAFT

drive

1шт.

8

3132395R1

KEY

charging pump Woodruff

1шт.

9

3132598R1

INDICATOR

POINTER, timing

1шт.

10

933982R1

WAVE WASHER,M4.3 ID x 9 OD x .5 Thk

WASHER, lock

1шт.

11

931326R1

SCREW,Slotted Cheese , M4 x 0.7 x 5mm, Cl 8.8

pan head

1шт.

12

3078550R91

PUMP

RING ASSY, roller retainer

1шт.

13

3059007R1

DISC

cross type cam face

1шт.

14

3078696R1

CAM

face

1шт.

15

931330R1

SCREW,M6 x 1 x 12mm, Cl 8.8

window cover

2шт.

16

3078486R1

COVER

timing window

1шт.

17

3078485R1

RING

PACKING RING, window cover

1шт.

18

3078572R91

HOUSING

W/TIMING ADV. PISTON, pump, Unit A

1шт.

18

3078564R91

HOUSING

W/TIMING ADV. PISTON, pump, Unit B

1шт.

19

3078355R2

OIL SEAL

OIL SEAL, drive shaft

1шт.

20

3078481R1

PIN

automatic advance connecting

1шт.

21

3078482R1

SLIDE

R, advance piston

1шт.

22

3078608R1

SPRING

advance piston, Unit A

1шт.

22

3078565R1

SPRING

advance piston, Unit B

1шт.

23

3078528R1

THRUST WASHER

thrust .024, 0.6MM

1шт.

23

3078529R1

THRUST WASHER

thrust .031, 0.8MM

1шт.

23

3078530R1

THRUST WASHER

thrust .039, 1.0MM

1шт.

23

3078531R1

THRUST WASHER

thrust .047, 1.2MM

1шт.

23

3078532R1

THRUST WASHER

thrust .055, 1.4MM

1шт.

23

3078533R1

THRUST WASHER

thrust .118, 3.0MM

1шт.

24

3078488R1

RING

O-RING, advance housing

2шт.

25

3078489R1

COVER

PLATE, advance housing right hand

1шт.

26

931585R1

BOLT,M6 x 15mm, Cl 10.9

SCREW, advance housing plate

4шт.

27

3078535R1

O-RING

regulator valve

1шт.

28

3078358R1

O-RING

regulator valve

1шт.

29

3078698R1

VALVE

regulator, Unit A

1шт.

29

3078614R91

VALVE

regulator, Unit B

1шт.

30

3059086R1

BANJO BOLT

SCREW, inlet union

1шт.

31

3078484R1

VALVE

overflow

1шт.

32

3078483R1

O-RING,2.5mm Thk x 15mm ID

union adapter adjusting housing

1шт.

33

3078486R1

COVER

PLATE, advance housing left hand

1шт.

34

3078487R1

O-RING

O-RING

1шт.

35

3078761R1

WASHER

plunger .071, 1.80MM

1шт.

35

3078763R1

WASHER

plunger .072, 1.84MM

1шт.

35

3078765R1

WASHER

plunger .074, 1.88MM

1шт.

35

3078767R1

WASHER

plunger .076, 1.92MM

1шт.

35

3078769R1

WASHER

plunger .077, 1.96MM

1шт.

35

3078771R1

WASHER

plunger .078, 2.00MM

1шт.

35

3078773R1

WASHER

plunger .080, 2.04MM

1шт.

35

3078775R1

WASHER

plunger .082, 2.08MM

1шт.

35

3078777R1

WASHER

plunger .083, 2.12MM

1шт.

35

3078779R1

WASHER

plunger .085, 2.16MM

1шт.

35

3078781R1

WASHER

plunger .087, 2.20MM

1шт.

35

3078783R1

WASHER

plunger .088, 2.24MM

1шт.

35

3078785R1

WASHER

plunger .090, 2.28MM

1шт.

35

3078787R1

WASHER

plunger .091, 2.32MM

1шт.

35

3078789R1

WASHER

plunger .093, 2.36MM

1шт.

35

3078791R1

WASHER

plunger .092, 2.40MM

1шт.

35

3078793R1

WASHER

plunger .096, 2.44MM

1шт.

35

3078795R1

WASHER

plunger .098, 2.48MM

1шт.

35

3078797R1

WASHER

plunger .099, 2.52MM

1шт.

35

3078799R1

WASHER

plunger .101, 2.56MM

1шт.

35

3078801R1

WASHER

plunger .102, 2.60MM

1шт.

35

3078803R1

WASHER

plunger .104, 2.64MM

1шт.

35

3078805R1

WASHER

plunger .106, 2.68MM

1шт.

35

3078807R1

WASHER

plunger .107, 2.72MM

1шт.

35

3078809R1

WASHER

plunger .109, 2.76MM

1шт.

35

3078811R1

WASHER

plunger .110, 2.80MM

1шт.

35

3078813R1

WASHER

plunger .112, 2.48MM

1шт.

35

3078815R1

WASHER

plunger .113, 2.88MM

1шт.

36

NOT SERVICED SEPARATELY, Order ref. no. 54

1шт.

37

3078540R1

WASHER

plunger .053, 1.35MM

1шт.

37

3078541R1

WASHER

plunger .063, 1.6MM

1шт.

37

3078542R1

WASHER

plunger .073, 1.85MM

1шт.

38

3078537R1

WASHER

plunger .065, 1.65MM

1шт.

38

3078571R1

WASHER

plunger 0.92, 2.35MM

1шт.

39

3078516R1

SEAT

plunger spring

1шт.

40

3078515R1

SPRING

plunger

1шт.

41

3078365R91

SEAT, relief valve

1шт.

42

3078576R1

SPRING WASHER

spring

1шт.

43

3078578R1

FILTER, FUEL

FILTER

1шт.

44

3078366R1

O-RING

distributor head

1шт.

45

NOT SERVICED SEPARATELY, Order ref. no. 54

1шт.

46

86500688

NUT,Hex, M6 x 1.0, Cl 10.9

throttle and control hex.

2шт.

47

3078600R1

SCREW

pump to distributor head

4шт.

48

933987R1

LOCK WASHER,M6

WASHER, throttle and control lock

2шт.

49

3078549R1

SUPPORT

BRACKET, injection pump

1шт.

50

3078514R1

PLUG

distributor head

1шт.

51

3132407R1

O-RING

packing distributor head plug

1шт.

52

NOT SERVICED SEPARATELY, Order ref. no. 54

1шт.

53

NOT SERVICED SEPARATELY, Order ref. no. 54

1шт.

54

3078770R91

HEAD

W/PLUNGER & CONTROL PISTON, Unit A

1шт.

54

3078774R91

HEAD

W/PLUNGER & CONTROL PISTON, Unit B

1шт.

55

3059067R1

HOLDER

delivery valve

3шт.

56

3059066R1

WASHER,2.5mm ID x 7.3mm OD x 1.5mm Thk

delivery valve

3шт.

57

3132408R1

SPRING

delivery valve

3шт.

58

3136120R1

VALVE

delivery, Unit A

3шт.

58

3078776R1

VALVE

delivery, Unit B

3шт.

59

3078362R1

SEALING WASHER

delivery valve

3шт.

60

3132590R1

LEVER

throttle, Optional w/3132591R1

1шт.

60

3132591R1

LEVER

throttle, Optional w/3132590R1

1шт.

61

3078555R1

SPRING

throttle

1шт.

62

3078517R1

SHAFT

throttle

1шт.

63

3078519R1

WASHER

throttle shaft

1шт.

64

3078354R1

O-RING,2mm Thk x 6.5mm ID

throttle shaft

1шт.

65

785602R1

O-RING

control plunger & throttle

2шт.

66

3078556R1

BUSHING

throttle shaft

1шт.

67

3078772R91

PACKAGE

SERVICE PACKAGE, control plunger, Unit A

1шт.

67

3078700R91

KIT

SERVICE PACKAGE, control plunger, Unit B

1шт.

68

3078521R1

SHAFT

control plunger

1шт.

69

3078523R1

WASHER

control plunger shaft

1шт.

70

3078363R1

O-RING

control plunger shaft

1шт.

71

3078524R1

BUSHING

control plunger shaft

1шт.

72

3078557R1

PLATE

stop

1шт.

73

3132885R1

BOLT

stop

1шт.

74

3136136R1

SCREW

stop

1шт.

75

3059074R1

SCREW

stop

1шт.

76

86500688

NUT,Hex, M6 x 1.0, Cl 10.9

hex, stop screw

3шт.

77

3079120R1

NUT

hex, Replaces 3059096R1

1шт.

78

3132251R1

STOP LOCK

SCREW, stop

1шт.

79

3059076R1

WASHER

plunger shaft control

1шт.

80

931320R1

SCREW,M6 x 12mm, Cl 8.8

countersunk stop plate

4шт.

81

3132588R1

SPRING

throttle shaft torsion

1шт.

82

3132589R1

SPRING

control plunger torsion

1шт.

83

3059077R1

LEVER

control plunger, Optional w/3059078R1

1шт.

83

3059078R1

LEVER

control plunger, Optional w/3059077R1

1шт.

3078526R91

GASKET KIT

PACKAGE, fuel injection pump gasket

1шт.

Выбрано товаров: 135