Запчасти Case IH D-239 (D-08) - CRANKCASE AND RELATED PARTS

Схема запчастей Case IH D-239 - (D-08) - CRANKCASE AND RELATED PARTS
13
27
24
26
38
1
33
18
18
35
34
31
29
10
19
5
23
36
11
35
13
4
20
40
14
39
11
36
25
8
28
7
9
4
12
32
15
3
21
22
17
6
16
23
11
37
41
30
42
11
FIT
1:1
100%

Артикул

Название

Примечание

Количество

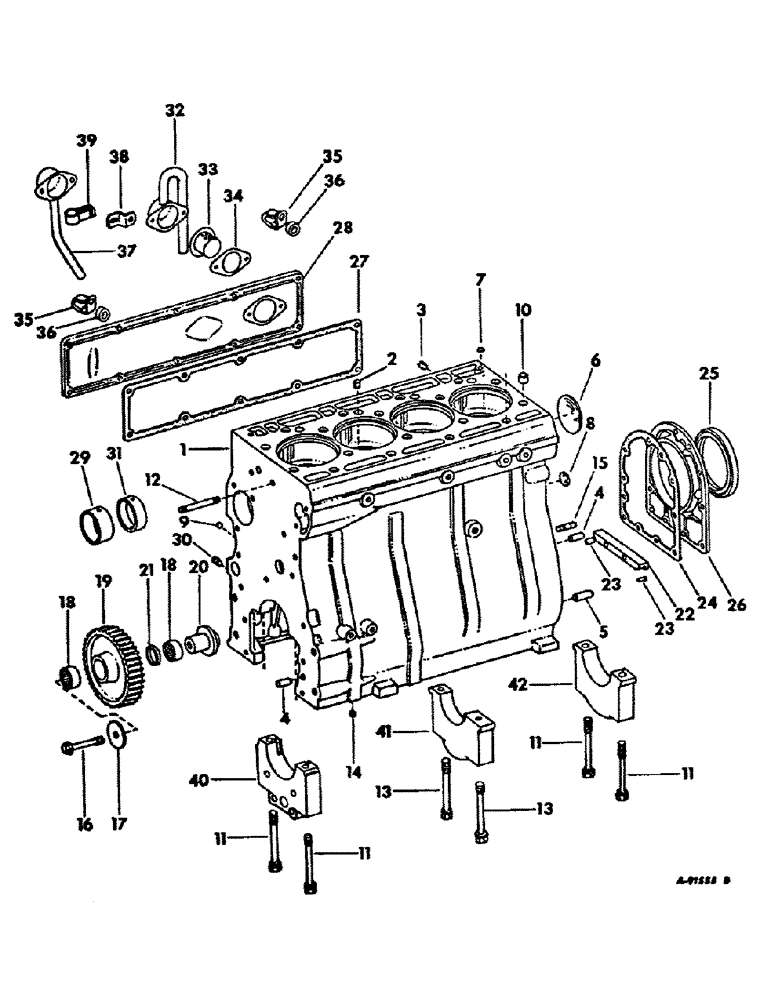
1

3136316R13

CRANKCASE

ASSY., Replaces 3132154R91 and 3055611R94, casting number is 3055003R3, Consists of

1шт.

103883

PIPE PLUG,Slotted, Headless, 1/8" NPT

PLUG, PIPE, Slotted, Headless, 1/8" NPT

3шт.

143992

PLUG,Slotted, 1/4" NPT

4шт.

141242

DOWEL

PIN

4шт.

141284

PIN,25.4mm OD x 31.75mm L

Pin 1/2" x 1 1/8"

2шт.

172602

SUPPORT

1шт.

433537R1

COVER

2шт.

3136004R1

COVER

2шт.

3138885R1

SCREW

10шт.

3055173R1

PLUG

1шт.

3055270R1

STUD

1шт.

3055008R1

CAMSHAFT BEARING

BEARING

1шт.

3055009R1

BEARING LINER

BEARING

4шт.

3055007R1

BUSHING

2шт.

NSS

NOT SOLD SEPARAT

CAP

2шт.

NSS

NOT SOLD SEPARAT

CAP

1шт.

NSS

NOT SOLD SEPARAT

CAP

1шт.

NSS

NOT SOLD SEPARAT

CAP

3шт.

NSS

NOT SOLD SEPARAT

CRANKCASE

1шт.

2

103883

PIPE PLUG,Slotted, Headless, 1/8" NPT

PLUG, PIPE, Slotted, Headless, 1/8" NPT

3шт.

3

143992

PLUG,Slotted, 1/4" NPT

slotted headless pipe

4шт.

4

NLS

NO LONGER SERVICED

PIN, dowel

4шт.

5

141284

PIN,25.4mm OD x 31.75mm L

Pin 1/2" x 1 1/8"

2шт.

6

41-3044

PLUG,Exp, 2 3/4"

expansion

1шт.

7

3136004R1

COVER

closing, Replaces 933536R1

1шт.

8

933537R1

PLUG,M25, Conical

COVER, closing

2шт.

9

3136004R1

COVER

closing

1шт.

10

3055007R1

BUSHING

dowel, Replaces 3218400R1

2шт.

11

3138580R1

BOLT,Hex Flg, 9/16" - 12 x 120.70mm, 12.9

9/16-12 x 4-3/4, Crankshaft brg cap, 120.7 mm, Used w/crankcase 3132154R91 and 2055611R94

8шт.

11

3136320R3

BOLT,9/16" - 12 x 105.70mm, 12.9

SCREW, 9/16-12 x 4-1/8 crankshaft brg cap, 105.7 MM, Used w/crankcase 3136316R13

8шт.

12

3055989R1

STUD

5/16-18 x 5/16-18 x 3-1/4 front, All machines except 5000/5500 windrowers

1шт.

12

3055065R1

STUD

5/16-18 x 5/16-18 x 1-9/16 front, 39.0 MM, 5000/5500 windrowers

1шт.

13

3138885R1

SCREW

9/16-12 x 4-1/8 crankshaft brg cap, 105.7 MM, Replaces 3055667R1 and 3136320R3

2шт.

14

3055173R1

PLUG

1шт.

15

3055270R1

STUD

5/16-18 x 5/16-18 x 2-21/32 rear, Left hand thread

1шт.

16

3055374R2

BOLT

BOLT, idler gear carrier

1шт.

17

3055372R1

DISC

RING, anti-wear idler gear

1шт.

18

3058816R91

NEEDLE BEARING CAGE,35mm ID x 42mm OD x 17.8mm W

RETAINER, needle bearing

2шт.

19

3055043R3

PINION

GEAR, idler

1шт.

20

3055373R1

CARRIER

idler gear

1шт.

21

787656R1

SPACER,35.5mm ID x 41mm OD x 4mm L

RING, distance

1шт.

22

3055214R1

SUPPORT

STRIP, crankcase sealing, Replaces 3132020R1

1шт.

23

714868R1

SEALING STRIP

sealing

2шт.

24

3055215R1

GASKET

crankshaft seal retainer

1шт.

25

3138701R91

SEAL

SEAL, oil rear, Replaces 3055310R92

1шт.

26

3055216R1

RETAINER

ASSY., rear oil seal

1шт.

179816

BOLT,Hex, 5/16" - 18 x 3/4", Gr 5

8шт.

9635082

NUT,5/16" - 18, Gr 5

5/16-18 hex.

1шт.

933570R1

WASHER

DISK, spring

9шт.

27

3055393R2

GASKET

side cover

1шт.

28

3132155R1

COVER

crankcase side, 544, 664, 2544 tractors, 5000/5500 windrowers w/engine serial n. 22008 and above

1шт.

28

3055314R11

COVER ASSY

., crankcase side, 574 tractors, 5000/5500 windrowers w/engine serial no. 22007 and below

1шт.

179814

SPACER

1 used with tractors, 10 used with windrowers Hex, 5/16"-18 x 5/8", G5

1шт.

103320

LOCK WASHER,5/16"

WASHER, LOCK, , Tractors 5/16"

1шт.

3050129R1

LOCK WASHER

WASHER, 5/16 lock, Windrowers

10шт.

3055574R1

WASHER,8.5mm ID x 19mm OD x 2.5mm Thk

.335 x .748 x .098, 8 used with 544, 664 & 2544 tractors, 10 used with 574 & 674 tractors and windrowers

1шт.

29

3055008R1

CAMSHAFT BEARING

BEARING, camshaft front

1шт.

30

143992

PLUG,Slotted, 1/4" NPT

1/4 pln slt/hdl pipe

3шт.

31

3055009R1

BEARING LINER

BEARING, camshaft

4шт.

32

3132639R11

BREATHER

ASSY., crankcase, 674 tractors

1шт.

179816

BOLT,Hex, 5/16" - 18 x 3/4", Gr 5

2шт.

3138687R1

RING

packing

2шт.

33

3055324R92

HYDRAULIC OIL FILTER

ELEMENT ASSY., breather filter, 574 & 674 tractors, 5000/5500 windrowers w/engine serial no. 22007 and below

1шт.

Breather assembly and related parts for 5000/5500 windrowers with engine S/N 22008 and above, refer cylinder head and related parts.

1шт.

34

3138639R1

GASKET

breather, Replaces 3055359R1, 574, 674 tractors, 5000/5500 windrowers w/engine serial no. 22007 and below

1шт.

Breather assembly and related parts for 5000/5500 windrowers with engine S/N 22008 and above, refer cylinder head and related parts.

1шт.

35

365584R1

CLIP

cable

2шт.

36

3136366R1

SPACER

544, 664 tractors

2шт.

179815

BOLT,Hex, 5/16" - 18 x 11/16", Gr 5

2шт.

933570R1

WASHER

DISK, spring

2шт.

37

3055319R11

BREATHER

ASSY., crankcase, 574, 674 tractors & 5000/5500 windrowers w/engine serial no. 22007 and below

1шт.

179816

BOLT,Hex, 5/16" - 18 x 3/4", Gr 5

2шт.

3138687R1

RING

packing

2шт.

38

3144022R1

BRACKET

LINK, fixing, 574 and 674 tractors

1шт.

179900

BOLT,Hex, 9/16" - 12 x 3/4", Gr 5

SCREW, 9/16-12 x 3/4 hex-hd cap

1шт.

103324

LOCK WASHER,9/16"

WASHER, LOCK, 9/16"

1шт.

39

3144023R1

CLAMP

574 & 674 tractors

1шт.

179816

BOLT,Hex, 5/16" - 18 x 3/4", Gr 5

1шт.

103320

LOCK WASHER,5/16"

WASHER, LOCK, 5/16"

1шт.

9635082

NUT,5/16" - 18, Gr 5

5/16-18 hex.

1шт.

40

NSS

NOT SOLD SEPARAT

CAPF, crankshaft bearing front, Not serviced separately, Order crankcase assy.

1шт.

41

NSS

NOT SOLD SEPARAT

CAP, crankshaft bearing intermediate, Not serviced separately, Order kit, 3144440R91

3шт.

42

NSS

NOT SOLD SEPARAT

CAP, crankshaft bearing rear, Not serviced separately, Order kit, 3144434R91

1шт.

3144434R91

CRANKSHAFT BEARING

KIT, crankshaft bearing cap rear, Consists of

1шт.

NSS

NOT SOLD SEPARAT

CAP

1шт.

3136320R3

BOLT,9/16" - 12 x 105.70mm, 12.9

SCREW

2шт.

3144440R91

BEARING ASSY

KIT, crankshaft bearing cap intermediate, Consists of

1шт.

NSS

NOT SOLD SEPARAT

CAP

1шт.

3136320R3

BOLT,9/16" - 12 x 105.70mm, 12.9

SCREW

2шт.

3218538R1

SHIM

cylinder sleeve, .05 MM

1шт.

Выбрано товаров: 90