Запчасти Case IH D-236 (4-30) - FUEL INJECTION PUMP, CONNECTIONS AND PIPES, MACHINES W/SPIN-ON TYPE FUEL FILTERS

Схема запчастей Case IH D-236 - (4-30) - FUEL INJECTION PUMP, CONNECTIONS AND PIPES, MACHINES W/SPIN-ON TYPE FUEL FILTERS
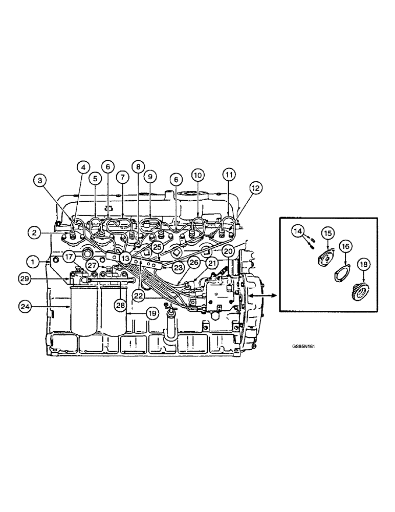
26
25
1
5
24
22
27
3
6
11
6
2
19
20
17
29
16
4
10
8
9
21
23
12
15
28
7
18
14
13
FIT
1:1
100%

Артикул

Название

Примечание

Количество

1

670259C1

BRACKET - fuel filter, no longer available

1шт.

413-712

BOLT,Hex, 7/16" - 14 x 3/4", Gr 5

- hex, 7/16 NC x 3/4 inch (Replaces screw 179856)

2шт.

492-11044

LOCK WASHER,7/16"

WASHER, LOCK, (Replaces washer 103322) 7/16"

2шт.

2

250617R1

NUT

- injection pipe, nozzle end

6шт.

3

278707R11

FUEL TUBE

PIPE - injection cylinder no. 6

1шт.

4

250610R2

GUARD

SLEEVE - injection pipe

6шт.

5

278706R11

FUEL TUBE

PIPE - injection cylinder no. 5

1шт.

6

319965R91

HARNESS

- glow plug cable

2шт.

7

278705R11

FUEL TUBE

PIPE - injection cylinder no. 4

1шт.

8

304313R1

BRACKET

- junction block

1шт.

9

278704R11

FUEL TUBE

PIPE - injection cylinder no. 3

1шт.

10

278703R11

FUEL TUBE,28.33" Length

PIPE - injection cylinder no. 2

1шт.

11

278702R21

INJECTION PIPE

PIPE - injection cylinder no. 1

1шт.

12

332487R91

NOZZLE INJECTION

NOZZLE ASSEMBLY - injection, parts list page 4-35

6шт.

413-640

BOLT,Hex, 3/8" - 16 x 2-1/2", Gr 5

- hex, 3/8 NC x 2-1/2 inch (Replaces screw 179849)

12шт.

13

1998754

BLOCK

- junction (Replaces junction block 42915D)

1шт.

225-14210

NUT,#10-32

(Replaces nut 103088) #10-32

1шт.

490-1108

SCREW,Cross Pan Hd, #10-32 x 1/2"

- machine, pan Phillips, No. 10 NF x 1/2 inch (Replaces screw 100764)

1шт.

492-11010

LOCK WASHER,#10

WASHER, LOCK, (Replaces washer 106497) #10

1шт.

14

303463R1

STUD

- injection pump adapter, engine serial numbers prior to 17274, no longer available

2шт.

15

303462R11

ADAPTER - injection pump, engine serial numbers prior to 17274, no longer available

1шт.

413-614

BOLT,Hex, 3/8" - 16 x 7/8", Gr 5

(Replaces screw 179838) Hex, 3/8"-16 x 7/8", G5, Full Thd

3шт.

92-11038

LOCK WASHER,3/8"

WASHER, LOCK, (Replaces washer 103321) 3/8"

3шт.

16

278347R1

GASKET

- injection pump adapter, engine serial numbers, Serial Range: prior-17274

1шт.

17

221-841

PLUG

- hex socket, 1/4 inch PT (Replaces plug 444655)

4шт.

18

612084C1

GEAR

- injection pump

1шт.

114497

NUT - hex jam, 9/16 inch NC, no longer used

1шт.

492-11056

LOCK WASHER,9/16"

WASHER, LOCK, (Replaces washer 103324) 9/16"

1шт.

19

REF

INSTRUCTION

FILTER ASSEMBLY - final fuel, parts list page 4-37 or 4-39

1шт.

425-105

NUT,5/16"-18, G5

- hex, 5/16 inch NC (Replaces nut 102634)

4шт.

413-514

BOLT,Hex, 5/16" - 18 x 7/8", Gr 5

(Replaces screw 179817) Hex, 5/16"-18 x 7/8", G5, Full Thd

4шт.

492-11031

LOCK WASHER,5/16"

WASHER, LOCK, (Replaces washer 103320) 5/16"

4шт.

95-11034

WASHER,1/4"

- flat, 11/32 x 11/16 x 1/16 inch (Replaces washer 103340)

4шт.

20

REF

INSTRUCTION

PUMP ASSEMBLY - injection, parts list pages 4-21 - 4-25

1шт.

425-106

NUT,3/8"-16, Cl 5

(Replaces nut 102635) 3/8"-16, G5

2шт.

92-11038

LOCK WASHER,3/8"

WASHER, LOCK, (Replaces washer 103321) 3/8"

2шт.

495-81129

WASHER,13/32" x 3/4" x .120"

- flat, 13/32 x 3/4 x 7/64 inch, injection pump (Replaces washer 142619H)

2шт.

21

222-4047

ELBOW

- 90 degree compression x 3/8 tube OD x 1/4 inch PT (Replaces elbow 606845C1)

4шт.

22

332491R2

PAD

- injection pipe clamp

2шт.

23

670004C11

CLAMP

ASSEMBLY - injection pipe, drilled

1шт.

Included in Pipe Clamp Service Kit 701127C91

1шт.

19387R1

PIN - slotted spring, 7/16 x 3/4 inch

1шт.

26258R1

BOLT,Hex, 1/4" - 28 x 1 1/4", Gr 8

SCREW - hex, 1/4 NC 1-1/8 inch, no longer available (Replaces screw 181316)

5шт.

95-11028

WASHER,1/4"

- flat, 9/32 x 5/8 x 1/16 inch (Replaces washer 103339)

3шт.

Included in Pipe Clamp Service Kit 701127C91

1шт.

492-11025

LOCK WASHER,1/4"

WASHER, LOCK, (Replaces washer 103319) 1/4"

3шт.

Included in Pipe Clamp Service Kit 701127C91

1шт.

24

REF

INSTRUCTION

FILTER ASSEMBLY - primary fuel, parts list page 4-37 or 4-39

1шт.

425-105

NUT,5/16"-18, G5

- hex, 5/16 inch NC (Replaces nut 102634)

4шт.

413-514

BOLT,Hex, 5/16" - 18 x 7/8", Gr 5

(Replaces screw 179817) Hex, 5/16"-18 x 7/8", G5, Full Thd

4шт.

492-11031

LOCK WASHER,5/16"

WASHER, LOCK, (Replaces washer 103320) 5/16"

4шт.

95-11034

WASHER,1/4"

- flat, 11/32 x 11/16 x 1/16 inch (Replaces washer 103340)

4шт.

25

332490R1

CLAMP

- injection pipe, tapped

1шт.

26

670260C11

TUBE - final filter to injection pump, no longer available

1шт.

27

39677DA

VALVE

- bleeder

2шт.

28

670149C11

TUBE

- primary to final filter

1шт.

29

612277C2

FILTER HEAD

HEADER - filter

2шт.

701127C91

STRIPPER PACKAGE

KIT - pipe clamp service

1шт.

Выбрано товаров: 58